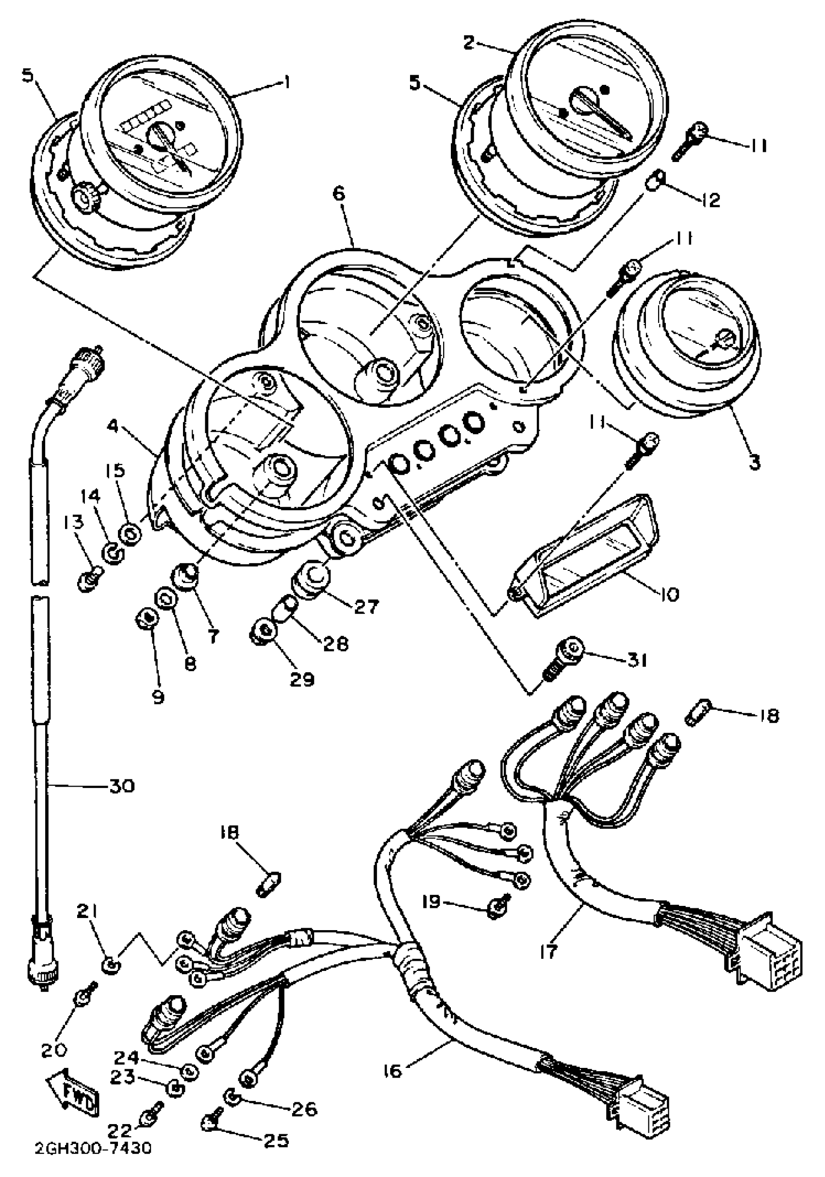
Yamaha FZR1000TC (FZR1000 CA) 1987 METER Diagram
#
Description
Price
1
SPEEDOMETER ASSEMBLY (2LJ-83570-A1)
2RG-83570-G0-00
Unavailable
2
TACHOMETER ASSEMBLY
2GH-83540-00-00
Unavailable
3
WATER TEMP METERASSEMBLY
2GH-83590-00-00
Unavailable
4
COVER, METER 2
2GH-83579-00-00
Unavailable
6
PANEL, METER
2GH-83611-00-00
Unavailable
7
DAMPER, METER COVER FITTING
584-83523-00-00
Unavailable
8
WASHER PLATE 803835240000
90201-05032-00
Unavailable
10
COVER, METER PANEL
2GH-83612-00-00
Unavailable
11
BOLT
2GH-83546-00-00
Unavailable
12
COLLAR
1AR-83522-00-00
Unavailable
16
SOCKET CORD ASSEMBLY
2GH-83509-01-00
Unavailable
17
SOCKET CORD ASSEMBLY
1AR-83520-00-00
Unavailable
18
BULB, MTR.12V3.4W
4G1-84744-00-XX
Unavailable
19
SCREW, WITH WASHER(36Y)
90159-03102-00
Unavailable
20
SCREW PAN HEAD
98580-03010-00
Unavailable
21
WASHER, SPRING
92990-03100-00
Unavailable
22
SCREW, PAN HEAD (E56)
98580-04010-00
Unavailable
23
YBS67-4 WASHER, SPRING
92990-04100-00
Unavailable
24
YBS67-4 WASHER, SPRING
92990-04100-00
Unavailable
24
WASHER, PLAIN (646)
92990-04600-00
Unavailable
25
SCREW PAN HEAD
98580-03010-00
Unavailable
26
WASHER, SPRING
92990-03100-00
Unavailable
27
GROMMET (1E2)
90480-14182-00
Unavailable
28
COLLAR (29U)
90387-066H4-00
Unavailable
29
NUT(6TA)
95317-06600-00
Unavailable
30
SPEEDOMETER CABLE ASSY
2GH-83550-01-00
Unavailable
31
BOLT (2GH)
90109-064E7-00
Unavailable
