- Partiron
- OEM Parts
- Yamaha
- motorcycle
- 1987
- FZR1000TC (FZR1000 CA) 1987
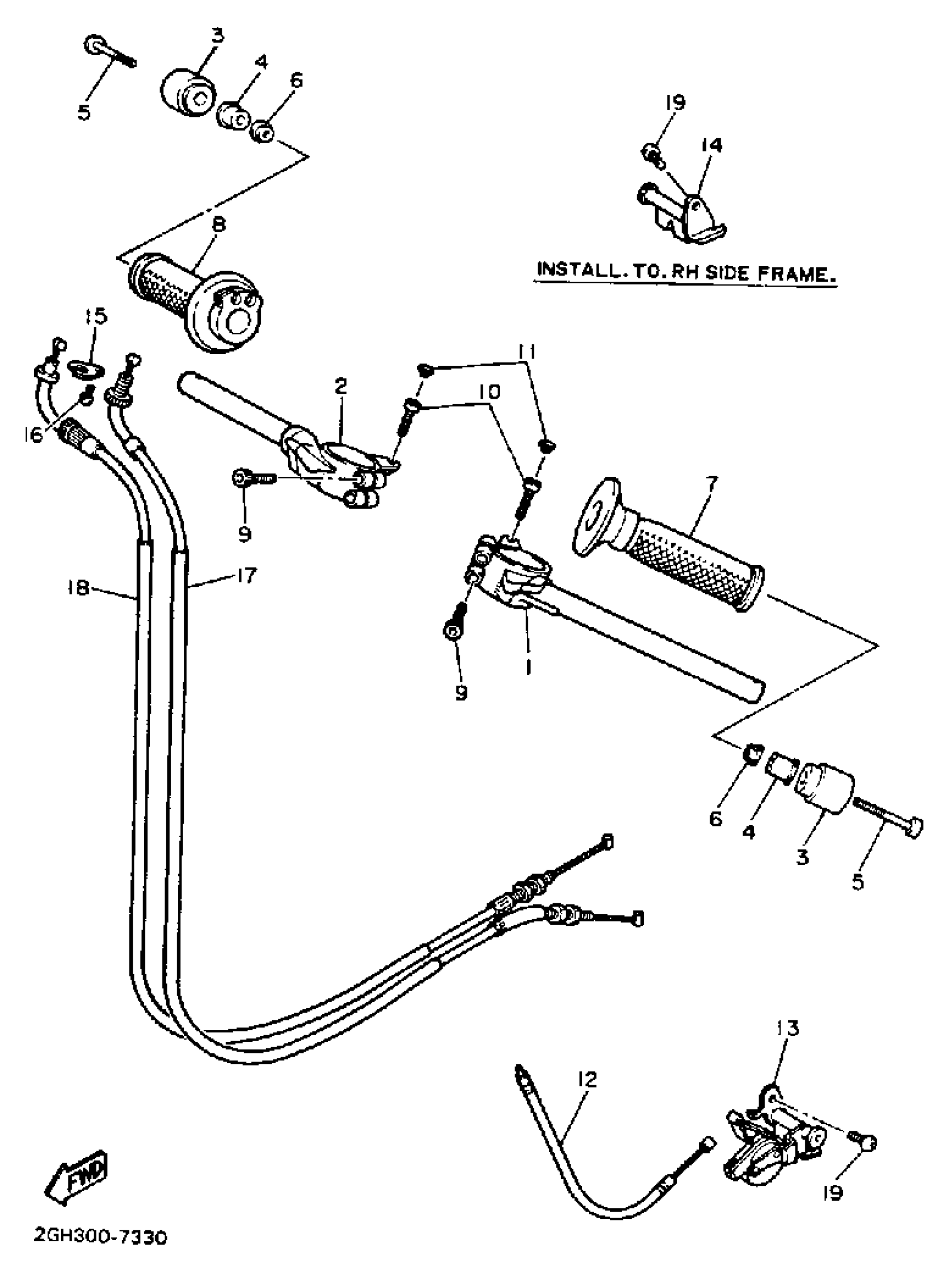
HANDLEBAR CABLE
Yamaha FZR1000TC (FZR1000 CA) 1987 HANDLEBAR CABLE Diagram
#
Description
Price
1
HANDLEBAR LH
2GH-26121-00-00
Unavailable
2
HANDLEBAR RH
2GH-26122-00-00
Unavailable
3
END GRIP
2GH-26246-10-00
Unavailable
4
DAMPER, LOCATING 1
2GH-2622F-00-00
Unavailable
7
GRIP (L.H)
47X-26241-00-00
Unavailable
10
BOLT,SOCKET
91317-06035-00
Unavailable
12
CABLE, STARTER 1
2GH-26331-00-00
Unavailable
13
STARTER ASSY
2GH-83940-01-00
Unavailable
14
STAY, SIDE 1
2GH-2832U-00-00
Unavailable
16
GASKET, EXHAUST
98507-05008-00
Unavailable
17
CABLE, THROTTLE 2
2GH-26312-00-00
Unavailable
18
CABLE, THROTTLE 1
99999-02483-00
Unavailable
19
BOLT, BUTTON
92017-06020-00
Unavailable
