- Partiron
- OEM Parts
- Yamaha
- motorcycle
- 1987
- FZR1000TC (FZR1000 CA) 1987
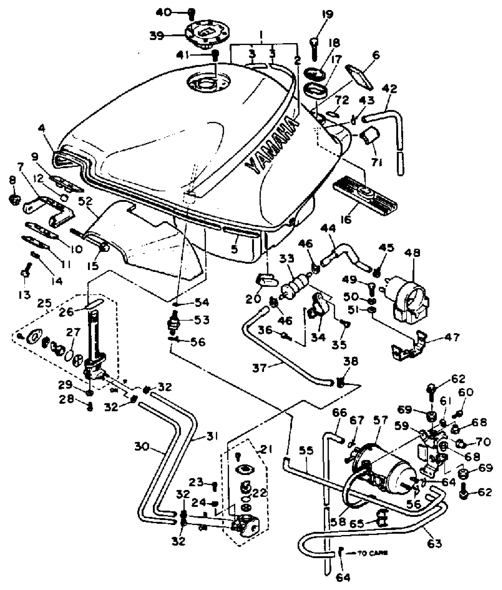
FUEL TANK CALIFORNIA MODEL ONLY
Yamaha FZR1000TC (FZR1000 CA) 1987 FUEL TANK CALIFORNIA MODEL ONLY Diagram
#
1
FUEL TANK
2LJ-24110-00-03
Unavailable
3
. GRAPHIC SET (SILKY WHITE) (ATLANTIC BLUE)
2GH-24240-00-00
Unavailable
4
TRIM
29L-28376-00-00
Unavailable
5
MOLD 6
2GH-2834H-00-00
Unavailable
6
DAMPER
51L-28371-00-00
Unavailable
7
BRACKET, FUEL TANK 1
2GH-24191-00-00
Unavailable
9
DAMPER, LOCATING 1
2GH-24181-00-00
Unavailable
10
DAMPER, LOCATING 3
2GH-24183-00-00
Unavailable
11
WASHER, SPECIAL
2GH-24186-00-00
Unavailable
14
WASHER, SPRING
92995-06100-00
Unavailable
15
BOLT,FLANGE (3GM)
95814-06075-00
Unavailable
16
DAMPER, LOCATING 4
2GH-24184-00-00
Unavailable
17
DAMPER, LOCATING 3
3Y6-24183-00-00
Unavailable
18
WASHER, SPECIAL
2GH-24187-00-00
Unavailable
19
BOLT, HEXAGON
97013-08030-00
Unavailable
20
DAMPER,LOCATING 2
3GM-24182-01-00
Unavailable
21
FUEL COCK ASSY
3LN-24500-00-00
Unavailable
22
SEAL, COCK
1JK-24534-00-00
Unavailable
23
SCREW, PAN
98517-06012-00
Unavailable
24
WASHER, SPRING
92907-06100-00
Unavailable
25
FUEL COCK ASY 2
2GH-24510-01-00
Unavailable
26
O-RING
2W6-24512-00-00
Unavailable
27
O-RING, FUEL COCK
3H3-24534-00-00
Unavailable
28
SCREW 256241430000
90149-06011-00
Unavailable
29
WASHER, PLATE(3MB)
90202-05187-00
Unavailable
30
HOSE (L400)
90445-116K9-00
Unavailable
31
HOSE (L400)
90445-116K9-00
Unavailable
32
CLIP(42X)
90467-10091-00
Unavailable
33
FILTER ASSY
1FK-24560-10-00
Unavailable
34
CLAMP, FUEL PIPE 1
2GH-24366-00-00
Unavailable
35
SCREW, BIND(3XC)
98904-05012-00
Unavailable
36
SCREW, BIND(J45)
98980-06012-00
Unavailable
37
PIPE 2
2GH-24312-00-00
Unavailable
38
CLIP(42X)
90467-10091-00
Unavailable
39
CAP ASSY
4HM-24602-01-00
Unavailable
40
BOLT, HEXAGON SOCKET HEAD(1FM)
90110-05112-00
Unavailable
41
BOLT, SOCKET
91314-05010-00
Unavailable
42
HOSE (L730)
90445-105K7-00
Unavailable
43
CLIP
90467-090A2-00
Unavailable
44
PIPE 3
2GH-24313-00-00
Unavailable
45
CLIP(42X)
90467-10091-00
Unavailable
46
CLIP (7K7)
90467-11044-00
Unavailable
47
UNAVAILABLE IN PRICE BOOK
[2G-H2413-60-00
Unavailable
48
BAND 1
2GH-24398-01-00
Unavailable
49
BOLT, HEXAGON DEEP RECESS
97D95-06016-00
Unavailable
50
WASHER, SPRING
92995-06100-00
Unavailable
51
WASHER, PLAIN (646)
92990-06600-00
Unavailable
52
DAMPER PLATE 2
2LJ-2414J-00-00
Unavailable
53
ROLL OVER VALVE ASSY
20K-24180-00-00
Unavailable
54
O-RING (4G0)
93210-11453-00
Unavailable
55
UNAVAILABLE IN PRICE BOOK
[2L-J2431-10-00
Unavailable
56
CLIP
90467-090A2-00
Unavailable
57
CANISTER ASSEMBLY
2LJ-24170-00-00
Unavailable
58
UNAVAILABLE IN PRICE BOOK
[1L-J2419-A0-00
Unavailable
59
BRACKET, CANISTOR
(2LJ-2419F-00-00)
Unavailable
60
SCREW, PAN HEAD(62J)
97885-06012-00
Unavailable
61
WASHER, SPRING
92995-06100-00
Unavailable
62
BOLT, WITH WASHER (10V)
90119-06063-00
Unavailable
63
UNAVAILABLE IN PRICE BOOK
[2L-J2431-20-00
Unavailable
64
CLIP
90467-090A2-00
Unavailable
65
CLAMP(6M7)
90464-09M31-00
Unavailable
66
HOSE (L198)
90445-11293-00
Unavailable
67
CLIP(1JH)
90467-11106-00
Unavailable
68
COLLAR (8G8)
90387-06681-00
Unavailable
69
GROMMET (2T4)
90480-12237-00
Unavailable
70
GROMMET(42G)
90480-10408-00
Unavailable
71
DAMPER
5H0-8235Y-M0-00
Unavailable
72
SEAL 1
2GH-21732-00-00
Unavailable
