- Partiron
- OEM Parts
- Yamaha
- motorcycle
- 1993
- FZR1000EC (FZR1000 CA) 1993
HANDLEBAR CABLE
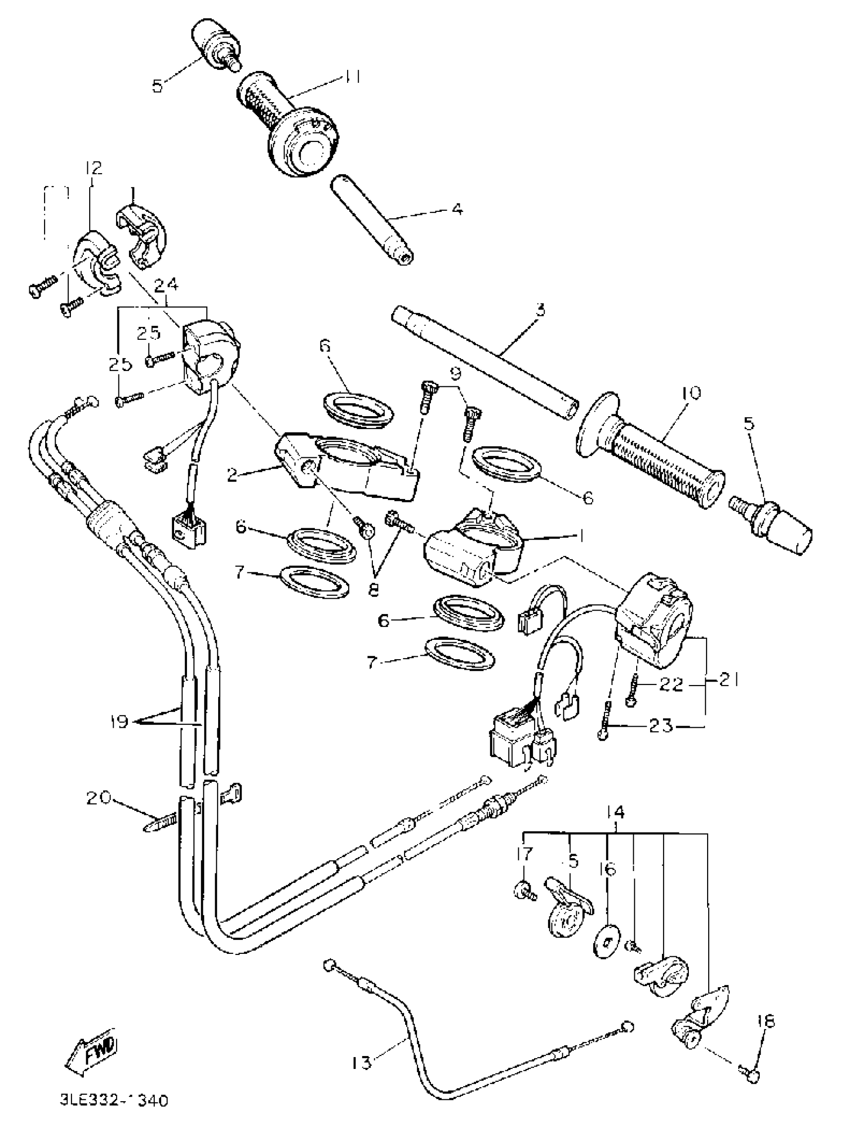
Yamaha FZR1000EC (FZR1000 CA) 1993 HANDLEBAR CABLE Diagram
#
Description
Price
1
HANDLEBAR (LEFT)
3GM-26121-51-00
Unavailable
2
HANDLEBAR (RIGHT)
3GM-26122-51-00
Unavailable
3
HANDLEBAR
3GM-26111-50-00
Unavailable
4
BAR, HANDLE
3GM-26112-50-00
Unavailable
6
DAMPER
3GM-26113-50-00
Unavailable
7
WASHER, PLATE
90201-502P8-00
Unavailable
10
GRIP (L.H)
47X-26241-00-00
Unavailable
12
CABLE CONNECTOR CAP ASSY
3LN-26270-01-00
Unavailable
13
CABLE,STARTER 1
3GM-26331-01-00
Unavailable
14
STARTER ASSY
3GM-83940-01-00
Unavailable
15
LEVER, STARTER
1WG-83941-01-00
Unavailable
16
WASHER (357)
90209-10131-00
Unavailable
17
SCREW, BINDING
98907-06008-00
Unavailable
18
BOLT,SOCKET
91317-06012-00
Unavailable
19
THROTTLE CABLE ASSEMBLY
3GM-26302-00-00
Unavailable
20
BAND, SWITCH CORD
437-83936-01-00
Unavailable
21
SWITCH, HANDLE 3
3LK-83973-10-00
Unavailable
22
SCREW, PAN HEAD
98517-05030-00
Unavailable
23
SCREW, PAN
98507-05040-00
Unavailable
24
SWITCH, HANDLE 2
4UN-83975-01-00
Unavailable
25
SCREW, PAN HEAD(4MY)
98507-05018-00
Unavailable
