- Partiron
- OEM Parts
- Yamaha
- motorcycle
- 1993
- FZR1000EC (FZR1000 CA) 1993
CARBURETOR
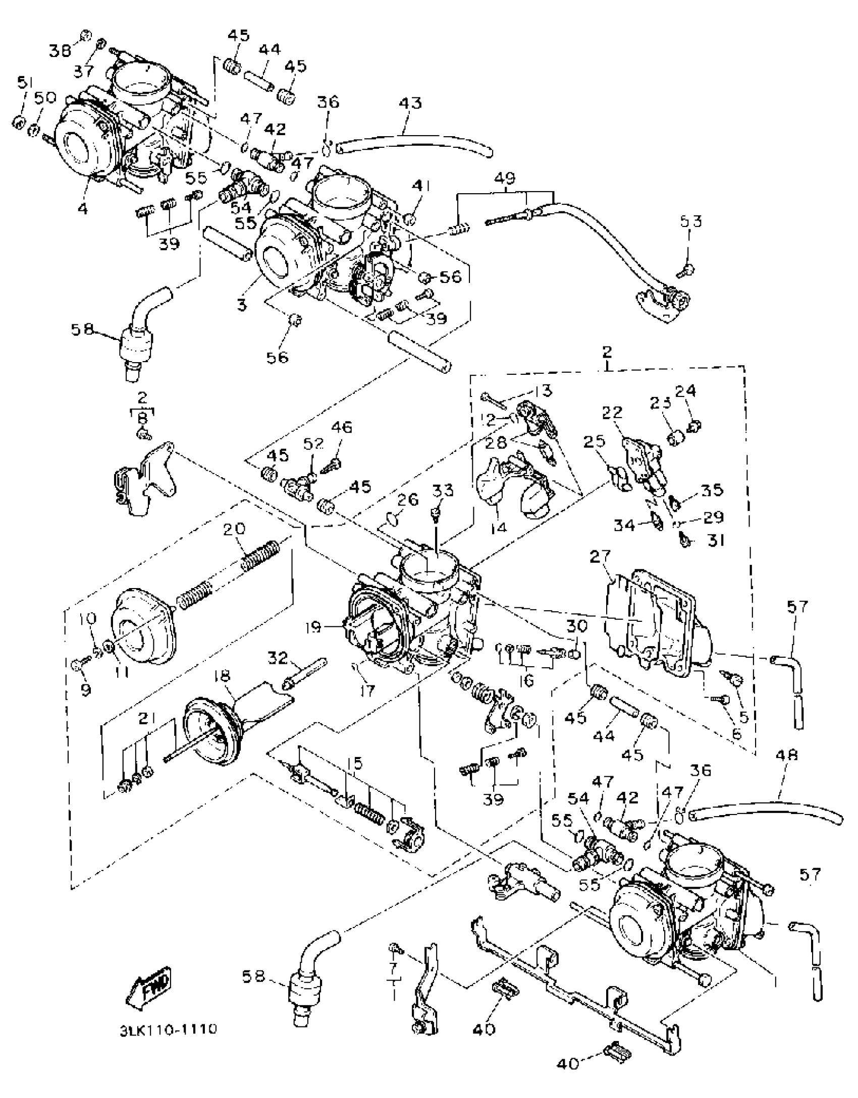
Yamaha FZR1000EC (FZR1000 CA) 1993 CARBURETOR Diagram
#
1
CARBURETOR ASY 1
3LK-14901-11-00
Unavailable
1
CARBURETOR ASY 1
3LK-14901-11-00
Unavailable
2
CARBURETOR ASY 2
3LK-14902-11-00
Unavailable
2
CARBURETOR ASY 2
3LK-14902-11-00
Unavailable
3
CARBURETOR ASY 3
3LK-14903-11-00
Unavailable
3
CARBURETOR ASY 3
3LK-14903-11-00
Unavailable
4
CARBURETOR ASSEMBLY 4
(3LK-14904-00-00)
Unavailable
4
CARBURETOR ASSEMBLY 4
3LK-14904-10-00
Unavailable
9
SCREW, PAN HEAD
90157-05M19-00
Unavailable
12
O-RING
3EN-14147-00-00
Unavailable
13
PIN, FLOAT
53L-14186-00-00
Unavailable
14
FLOAT
3GM-14985-00-00
Unavailable
15
STARTER SET
3EN-1410A-01-00
Unavailable
16
PILOT SCREW SET
12R-14105-00-00
Unavailable
17
O-RING
3FV-14147-00-00
Unavailable
18
DIAPHRAGM ASSY
3GM-14940-00-00
Unavailable
19
. BLOCK, JET
3GM-1411E-00-00
Unavailable
20
. SPRING, DIAPHRAGM
3FV-14933-00-00
Unavailable
21
. NEEDLE SET
3LK-1490J-00-00
Unavailable
22
. BLOCK JET ASSEMBLY
3GM-1411A-00-00
Unavailable
23
. WASHER, MAIN JET
3GM-14153-00-00
Unavailable
24
SCREW
1HX-14565-00-00
Unavailable
25
O-RING
3LF-14147-00-00
Unavailable
26
O-RING
1AE-14147-00-00
Unavailable
27
SEAL
3GM-14997-00-00
Unavailable
28
NEEDLE VALVE SET
3GM-14107-17-00
Unavailable
29
O-RING
1AE-14227-00-00
Unavailable
30
CAP
3F9-14118-00-00
Unavailable
31
JET, MAIN (#125)
3G2-14231-25-00
Unavailable
31
JET,MAIN #122.5
3G2-1423A-75-A1
Unavailable
32
NOZZLE, MAIN
3GM-14141-90-00
Unavailable
33
.. JET, MAIN (#125)
830-14231-25-00
Unavailable
34
JET, PILOT (# 37.5)
4G0-14142-37-A0
Unavailable
35
JET, MAIN (# 60)
3G2-14231-12-00
Unavailable
36
CLIP, PIPE
8U9-14139-00-00
Unavailable
37
WASHER, PLAIN (646)
92990-05600-00
Unavailable
38
NUT, HEXAGON (663)
95380-05600-00
Unavailable
39
STOP SCREW SET
4KM-1490K-00-00
Unavailable
40
HOLDER
3EN-14261-00-00
Unavailable
41
RING
3GM-14918-00-00
Unavailable
42
NIPPLE
17A-14251-00-00
Unavailable
43
HOSE
50H-14987-00-00
Unavailable
43
HOSE
50H-14987-00-00
Unavailable
44
PIPE, STARTER CONNECTING
3GM-14988-00-00
Unavailable
45
SEAL
3EN-14997-00-00
Unavailable
46
NET, FILTER
1KT-14994-00-00
Unavailable
47
O-RING
36Y-14147-00-00
Unavailable
48
PIPE
3LF-14197-00-00
Unavailable
48
PIPE
3LF-14197-00-00
Unavailable
49
THROTTLE SCREW SET
3GM-14103-00-00
Unavailable
50
WASHER, PLAIN (646)
92990-06600-00
Unavailable
51
NUT, HEXAGON
95380-06600-00
Unavailable
52
PIPE, STARTER CONNECTING
3EN-14988-00-00
Unavailable
53
SCREW, PAN HEAD(62X)
97885-05010-00
Unavailable
54
NIPPLE
3GM-14251-00-00
Unavailable
55
O-RING
3LK-14147-00-00
Unavailable
56
ROD
3GM-14992-00-00
Unavailable
57
PIPE
3JE-14197-00-00
Unavailable
58
PIPE
3GM-14197-00-00
Unavailable
