- Partiron
- OEM Parts
- Yamaha
- motorcycle
- 1990
- FZR1000AC (FZR1000 CA) 1990
HANDLEBAR CABLE
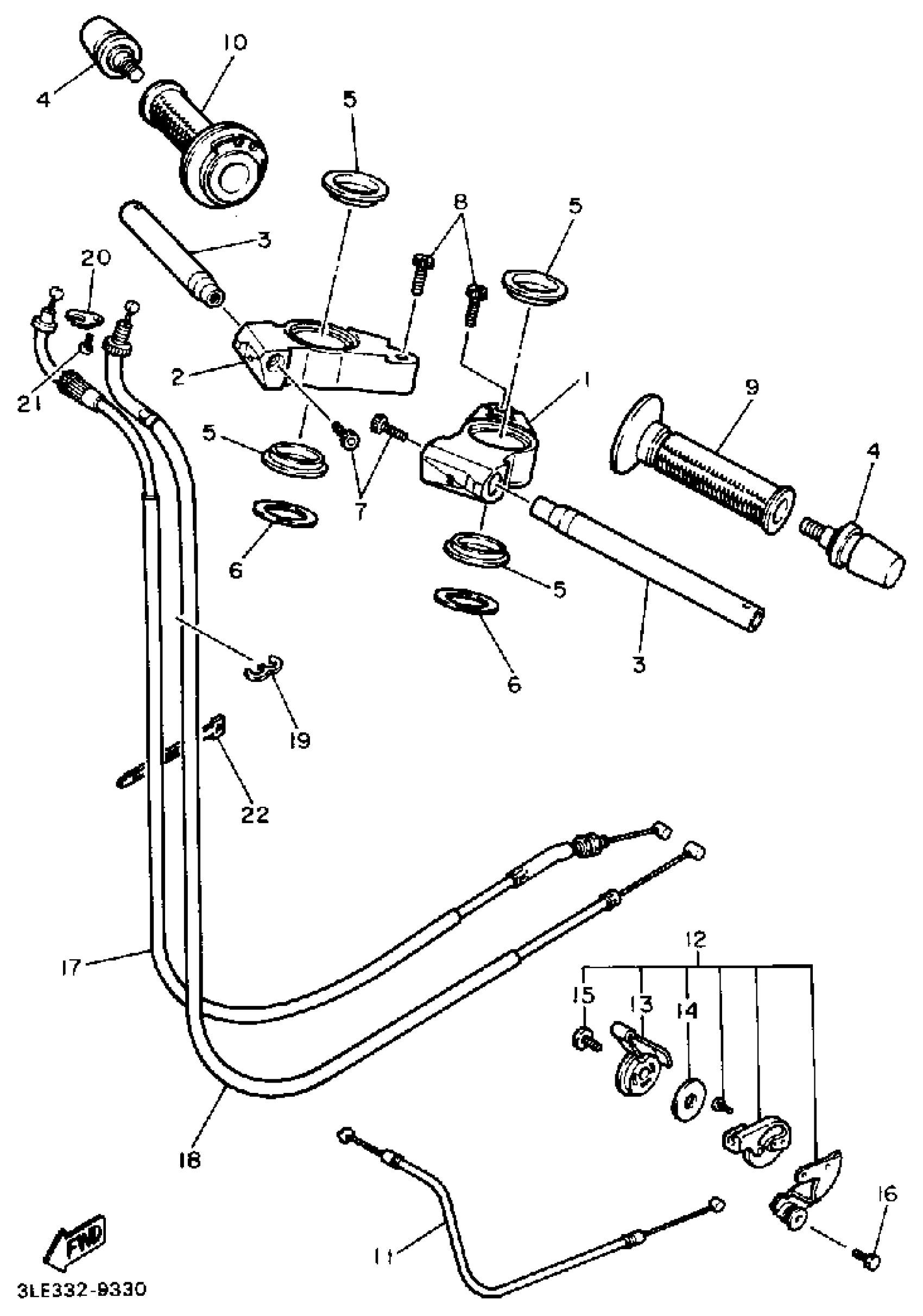
Yamaha FZR1000AC (FZR1000 CA) 1990 HANDLEBAR CABLE Diagram
#
Description
Price
1
HANDLEBAR LH (LEFT)
3GM-26121-00-00
Unavailable
2
HANDLEBAR RH (RT.)
3GM-26122-00-00
Unavailable
3
HANDLEBAR
3GM-26111-50-00
Unavailable
5
DAMPER
3GM-26113-00-00
Unavailable
6
WASHER, PLATE
90201-435M0-00
Unavailable
9
GRIP (L.H)
47X-26241-00-00
Unavailable
11
CABLE,STARTER 1
3GM-26331-01-00
Unavailable
12
STARTER ASSY
3GM-83940-01-00
Unavailable
13
LEVER, STARTER
1WG-83941-01-00
Unavailable
16
BOLT,SOCKET
91317-06012-00
Unavailable
17
CABLE, THROTTLE 1
3GM-26311-00-00
Unavailable
18
CABLE, THROTTLE 2
3GM-26312-00-00
Unavailable
19
CLAMP(56R)
90464-60067-00
Unavailable
20
HOLDER
5H0-26393-00-00
Unavailable
21
GASKET, EXHAUST
98507-05008-00
Unavailable
22
BAND, SWITCH CORD
437-83936-01-00
Unavailable
