Yamaha FZ8NACB (FZ8 CA) 39P3 2011 STEERING Diagram
#
Description
Price
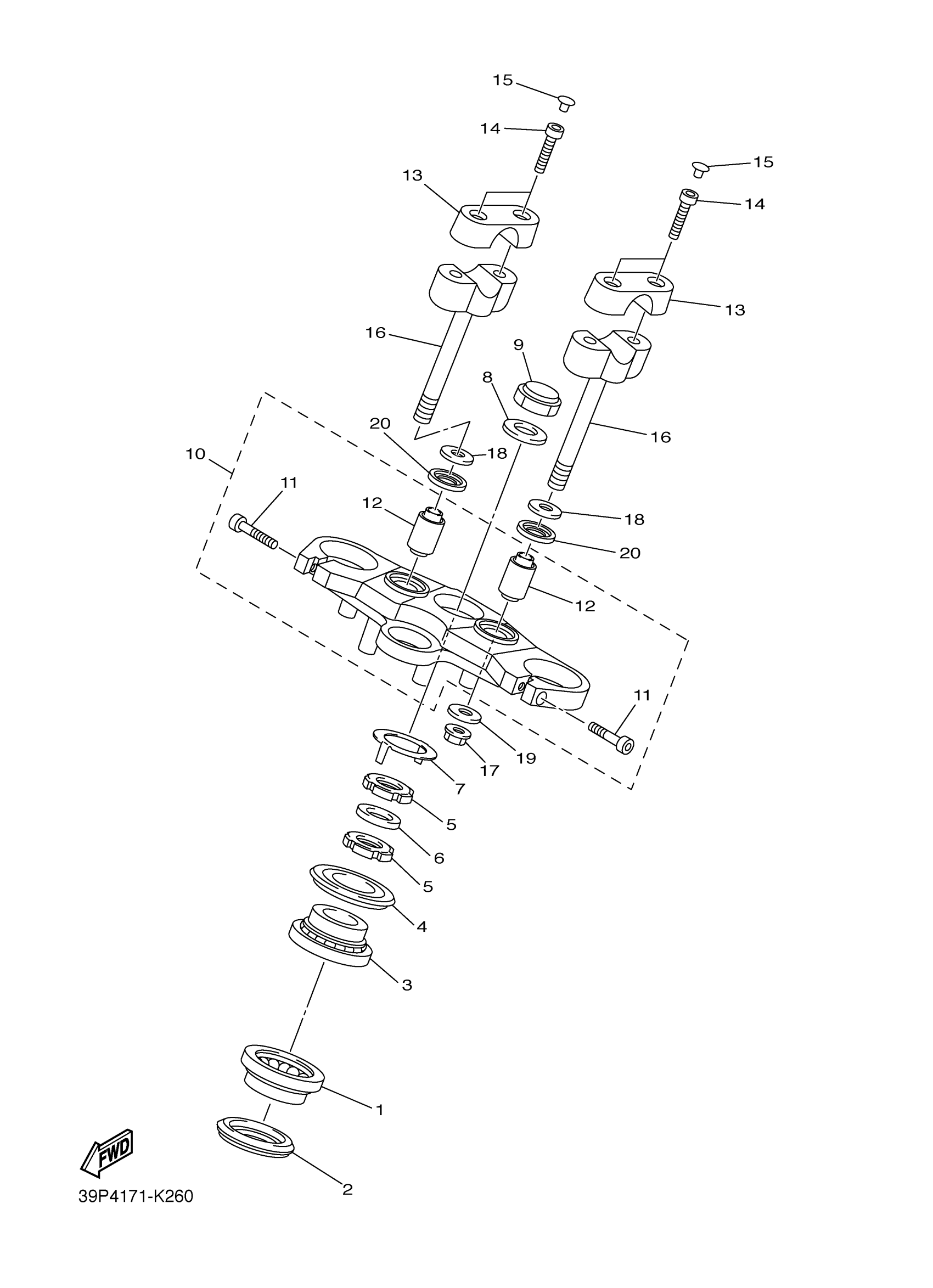
10
CROWN, HANDLE ASSY
39P-23405-10-00
Unavailable
12
HOLDER, DAMPER
5A8-23434-01-00
Unavailable
13
HOLDER, HANDLE UPPER
4H7-23441-01-P6
Unavailable
16
HOLDER, HANDLE LOWER
3Y6-23442-00-P2
Unavailable
17
NUT, S/L FLANGE
95602-10200-00
Unavailable
18
958-69527-00 WASHER, PLAIN
92990-10200-00
Unavailable
19
WASHER, PLATE
90201-10065-00
Unavailable
20
DAMPER
39P-23445-00-00
Unavailable
