- Partiron
- OEM Parts
- Yamaha
- motorcycle
- 1985
- FZ750N (FZ750N) 1985
TAILLIGHT
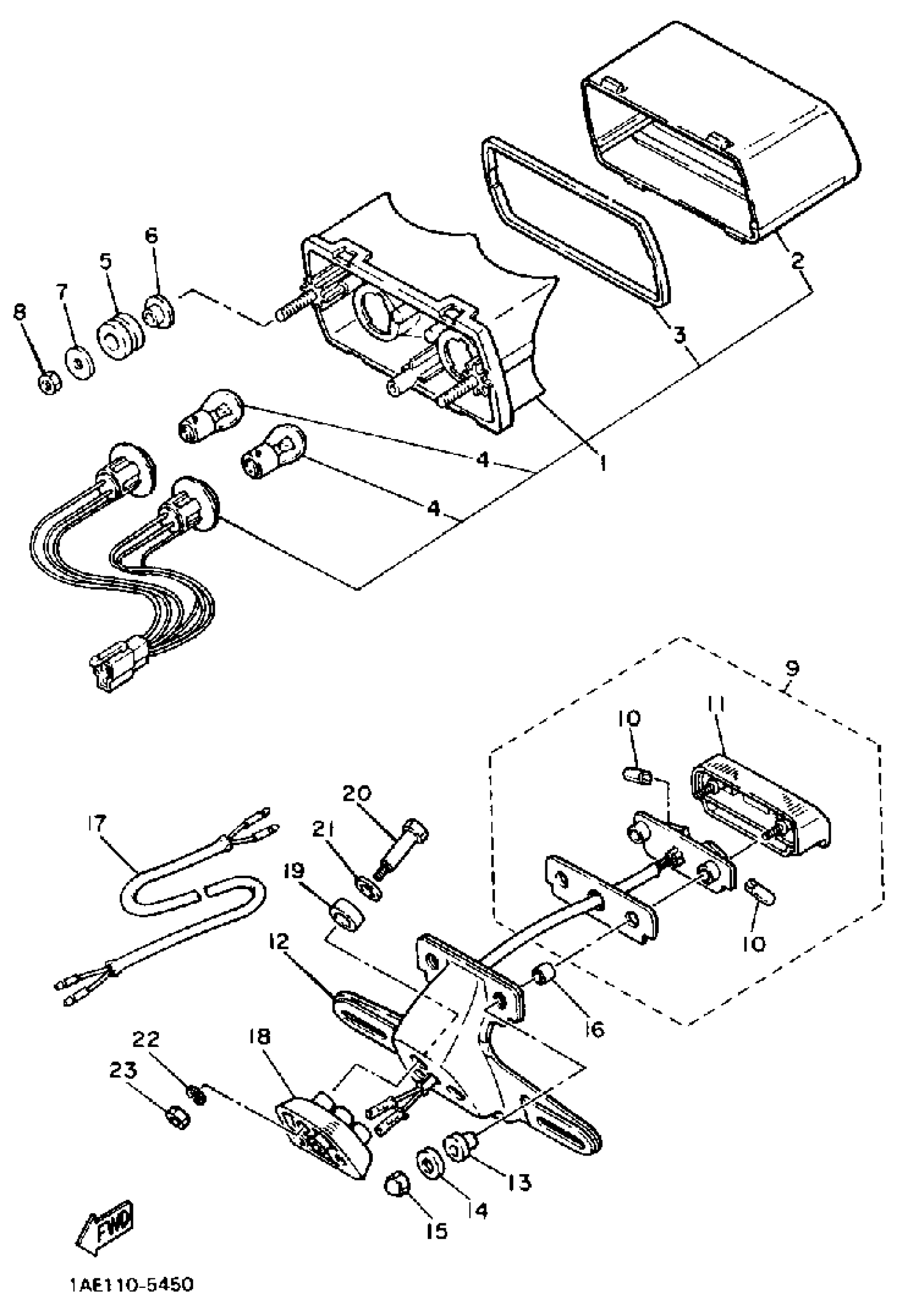
Yamaha FZ750N (FZ750N) 1985 TAILLIGHT Diagram
#
Description
Price
1
TAILLIGHT UNIT ASSEMBLY
1AE-84710-60-00
Unavailable
2
. LENS, TAILLIGHT
1FN-84721-E0-00
Unavailable
3
GASKET, TAIL LENS
47X-84723-00-00
Unavailable
8
NUT, HEXAGON
95380-06600-00
Unavailable
9
LICENCE LITE ASSEMBLY
1AE-84745-60-00
Unavailable
10
. BULB, METER 12V 38W
3F9-84744-00-XX
Unavailable
11
. BODY, LICENSE LIGHT
2AX-84749-00-00
Unavailable
12
BRACKET, LICENSE
11H-84751-00-00
Unavailable
13
DAMPER
3G1-84553-00-00
Unavailable
15
NUT (CROWN)
95303-05800-00
Unavailable
16
SPACER
3G1-84729-00-00
Unavailable
17
WIRE, SUB LEAD
1FN-82509-00-00
Unavailable
18
DAMPER
11H-84753-00-00
Unavailable
19
DAMPER
3G1-84753-60-00
Unavailable
20
BOLT
3G1-84761-00-00
Unavailable
21
WASHER, SPECIAL (498)
90209-08125-00
Unavailable
22
WASHER, SPRING
92995-06100-00
Unavailable
23
NUT, HEXAGON
95380-06600-00
Unavailable
