- Partiron
- OEM Parts
- Yamaha
- motorcycle
- 1988
- FZ600UC (FZ600 CA) 1988
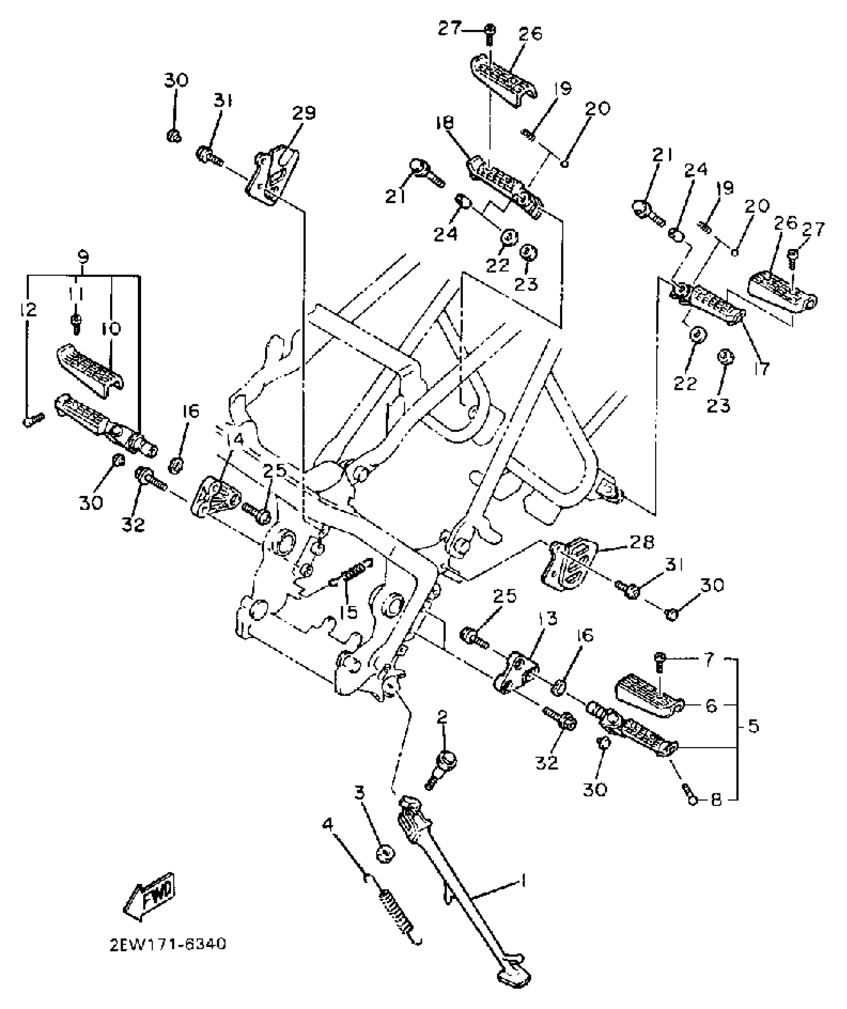
STAND FOOTREST
Yamaha FZ600UC (FZ600 CA) 1988 STAND FOOTREST Diagram
#
Description
Price
1
STAND, SIDE
2AX-27311-00-00
Unavailable
5
FRT FOOTREST ASSEMBLY L
46X-27410-00-00
Unavailable
9
FRT FOOTREST ASSEMBLY R
46X-27420-00-00
Unavailable
13
BRACKET 2
3HE-27442-00-00
Unavailable
14
BRACKET 3
3HE-27443-00-00
Unavailable
16
WASHER, WAVE(46X)
90206-17084-00
Unavailable
17
FOOTREST, REAR 1
46X-27431-00-00
Unavailable
18
FOOTREST, REAR 2
46X-27441-00-00
Unavailable
19
SPRING, COMPRESSION (22N)
90501-12743-00
Unavailable
20
BALL
93501-04011-00
Unavailable
21
BOLT, SMALL FLANGE
95027-06035-00
Unavailable
22
WASHER(6TA)
92907-06200-00
Unavailable
23
NUT, SELF-LOCKING
95617-06100-00
Unavailable
24
COLLAR (24R)
90387-064H8-00
Unavailable
25
BOLT,HEX. SOCKET BUTTON
90111-10017-00
Unavailable
28
PLATE 1
46X-27445-01-00
Unavailable
29
PLATE 2
46X-27446-01-00
Unavailable
30
CAP, BOLT
46X-23469-00-00
Unavailable
31
BOLT
90109-086A0-00
Unavailable
32
BOLT, HEXAGON SOCKET HEAD(3GM)
90110-08199-00
Unavailable
