- Partiron
- OEM Parts
- Yamaha
- motorcycle
- 1988
- FZ600UC (FZ600 CA) 1988
ELECTRICAL 1
Yamaha FZ600UC (FZ600 CA) 1988 ELECTRICAL 1 Diagram
#
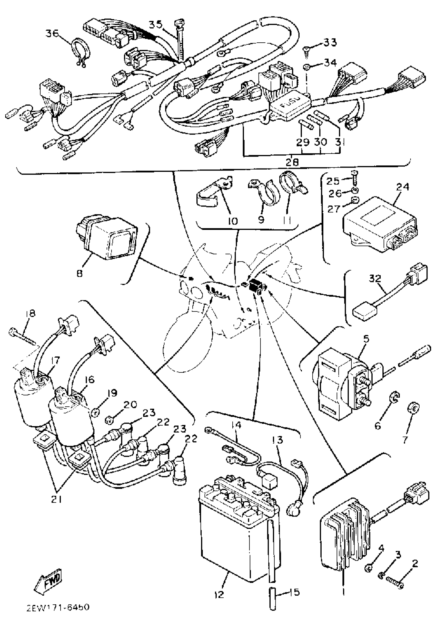
1
RECTIFIER/REG ASSEMBLY
2XL-81960-A0-00
Unavailable
2
SCREW, PAN HEAD(6E0)
97885-06030-00
Unavailable
3
WASHER, SPRING
92995-06100-00
Unavailable
5
STARTER RELAY ASSY
36Y-81940-00-00
Unavailable
6
WASHER, SPRING
92995-06100-00
Unavailable
8
RELAY ASSY
4U8-81950-03-00
Unavailable
10
CLAMP
90462-08087-00
Unavailable
11
BAND
341-26397-01-00
Unavailable
12
12N12A-4A-1 YUASA BATTERY
12N-12A4A-1Y-00
Unavailable
13
WIRE, PLUS LEAD
1UT-82115-00-00
Unavailable
14
WIRE, MINUS LEAD
2AX-82116-00-00
Unavailable
15
HOSE
90445-08380-00
Unavailable
16
IGNITION COIL ASSY
1WG-82310-09-00
Unavailable
17
IGNITION COIL ASSEMBLY
(2XL-82320-10-00)
Unavailable
18
BOLT
97301-06065-00
Unavailable
20
NUT, HEXAGON
95380-06600-00
Unavailable
21
DAMPER, IGNITION COIL
4U8-82317-00-00
Unavailable
22
PLUG CAP ASSY
3NS-82370-00-00
Unavailable
23
PLUG CAP ASSY
4BP-82370-01-00
Unavailable
24
IGNITOR UNIT ASSEMBLY 1
2XL-82305-10-00
Unavailable
25
SCREW, PAN
98507-06014-00
Unavailable
26
WASHER, SPRING
92995-06100-00
Unavailable
28
WIRE HARNESS ASSEMBLY
2XL-82590-00-00
Unavailable
29
FUSE
1A0-82151-00-00
Unavailable
30
FUSE
1A0-82161-00-00
Unavailable
31
FUSE (12V 30A)
2H7-82151-00-00
Unavailable
32
RECTIFIER 2
4U8-81980-M0-00
Unavailable
33
SCREW, TAPPING(61A)
97780-50612-00
Unavailable
34
WASHER, PLAIN (646)
92990-05600-00
Unavailable
35
CLAMP(4FM)
90464-15195-00
Unavailable
36
CLAMP
90464-25267-00
Unavailable
