- Partiron
- OEM Parts
- Yamaha
- motorcycle
- 2004
- FZ600SSC (FZ6 CA) 5VX4 2004
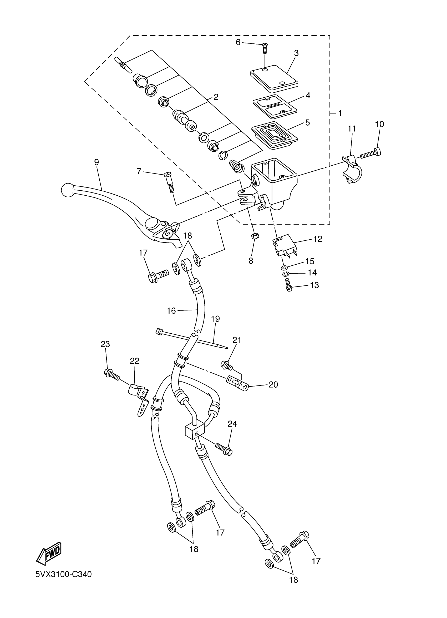
FRONT MASTER CYLINDER
Yamaha FZ600SSC (FZ6 CA) 5VX4 2004 FRONT MASTER CYLINDER Diagram
#
Description
Price
1
MASTER CYLINDER SUB ASSY
5VS-W2587-00-00
Unavailable
3
CAP, RESERVOIR
5VS-25852-00-00
Unavailable
13
SCREW, PAN HEAD
98511-04012-00
Unavailable
16
HOSE, BRAKE 1
5VX-25872-00-00
Unavailable
17
BOLT, UNION(3GM)
90401-10159-00
Unavailable
18
WASHER, PLATE(481)
90201-10118-00
Unavailable
19
BAND
1UA-82591-00-00
Unavailable
20
HOLDER, BRAKE HOSE 2
5SL-25876-00-00
Unavailable
21
BOLT, FLANGE
95817-06010-00
Unavailable
22
HOLDER, BRAKE HOSE 1
5VX-25875-10-00
Unavailable
23
BOLT, SMALL FLANGE
95027-06025-00
Unavailable
24
BOLT, SMALL FLANGE
95027-06030-00
Unavailable
