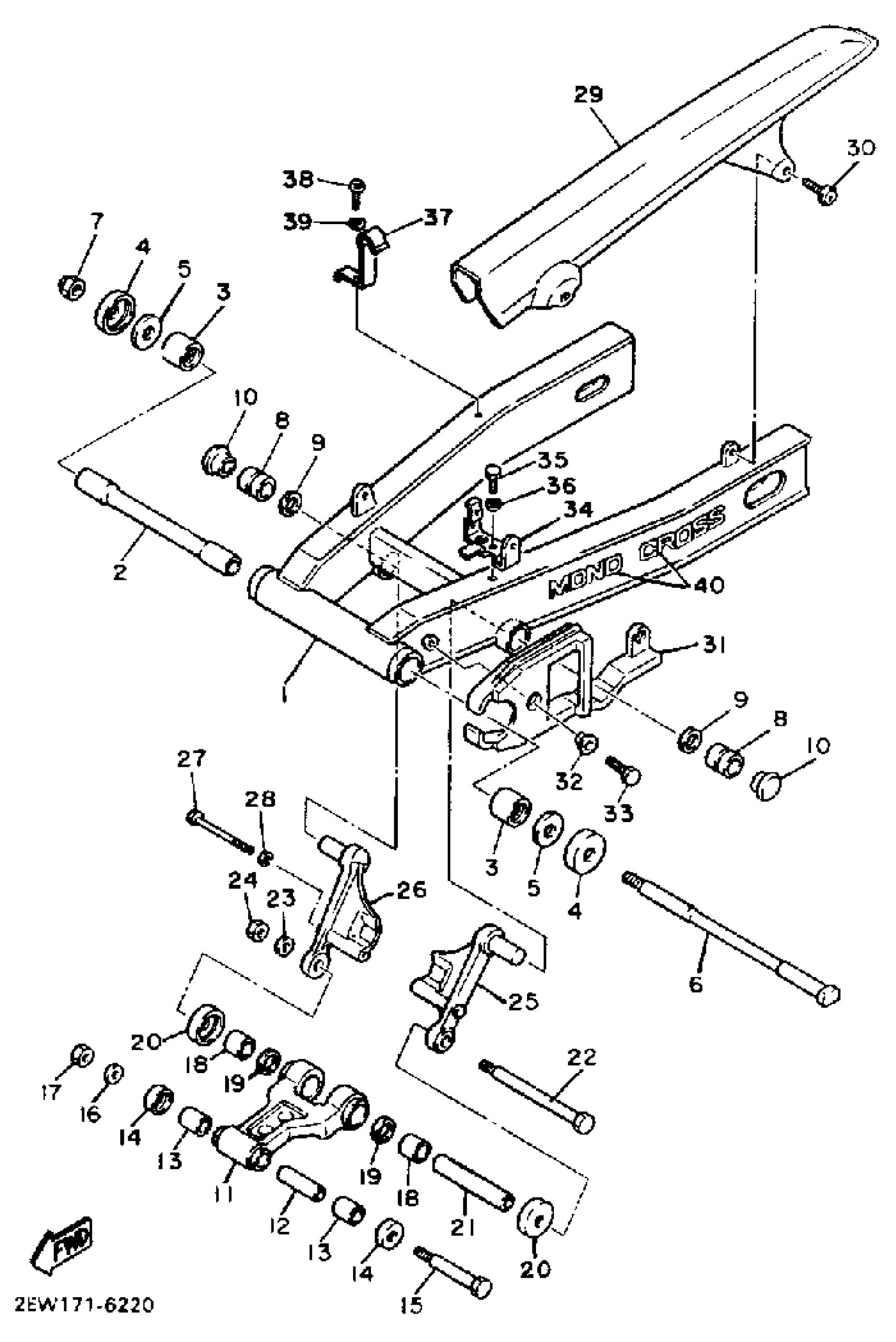
Yamaha FZ600SC (FZ600S CA) 1986 SWING ARM Diagram
#
1
REAR ARM
(46X-22110-01-00)
Unavailable
2
BUSH
33M-22184-00-00
Unavailable
5
WASHER, PLATE(47X)
90201-161J2-00
Unavailable
6
SHAFT, PIVOT
46X-22141-00-00
Unavailable
8
BUSH(29K)
90386-18136-00
Unavailable
11
ARM, RELAY
33M-2217A-01-00
Unavailable
12
COLLAR(1FN)
90387-123M4-00
Unavailable
14
COVER, THRUST 2
26H-22129-00-00
Unavailable
15
BOLT
90101-12619-00
Unavailable
16
WASHER (492)
90201-12535-00
Unavailable
17
NUT, U (4PM)
95617-12100-00
Unavailable
18
BUSH(29K)
90386-20134-00
Unavailable
19
OIL SEAL
93109-20076-00
Unavailable
20
COVER, thrust 1
26H-22128-00-00
Unavailable
21
COLLAR
90387-144H4-00
Unavailable
22
BOLT
90101-14618-00
Unavailable
23
WASHER
92990-14600-00
Unavailable
24
NUT, U(4JT)
95617-14100-00
Unavailable
25
INACTIVE PART NUMBER (46X-2217M-03-35)
46X-2217M-03-00
Unavailable
26
INACTIVE PART NUMBER (46X-2217N-03-35)
46X-2217N-03-00
Unavailable
27
BOLT,HEXAGON
97027-08080-00
Unavailable
28
YBS67-8 WASHER, SPRING
92990-08100-00
Unavailable
29
CASE, CHAIN
29L-22311-01-00
Unavailable
30
SCREW, PANHEAD W/WASHER (22F)
90159-06082-00
Unavailable
31
SEAL, GUARD
46X-22151-01-00
Unavailable
32
COLLAR (8G8)
90387-06681-00
Unavailable
33
BOLT, HEXAGON
97017-06020-00
Unavailable
34
STAY 2
46X-22132-01-00
Unavailable
35
BOLT (661)
97013-06012-00
Unavailable
36
WASHER, SPRING
92995-06100-00
Unavailable
37
HOLDER, BRKE HOSE 2
46X-25876-51-00
Unavailable
38
SCREW, PAN HEAD(62J)
97885-06012-00
Unavailable
39
WASHER, SPRING
92995-06100-00
Unavailable
40
EMBLEM,REAR ARM
3SW-2218A-01-00
Unavailable
