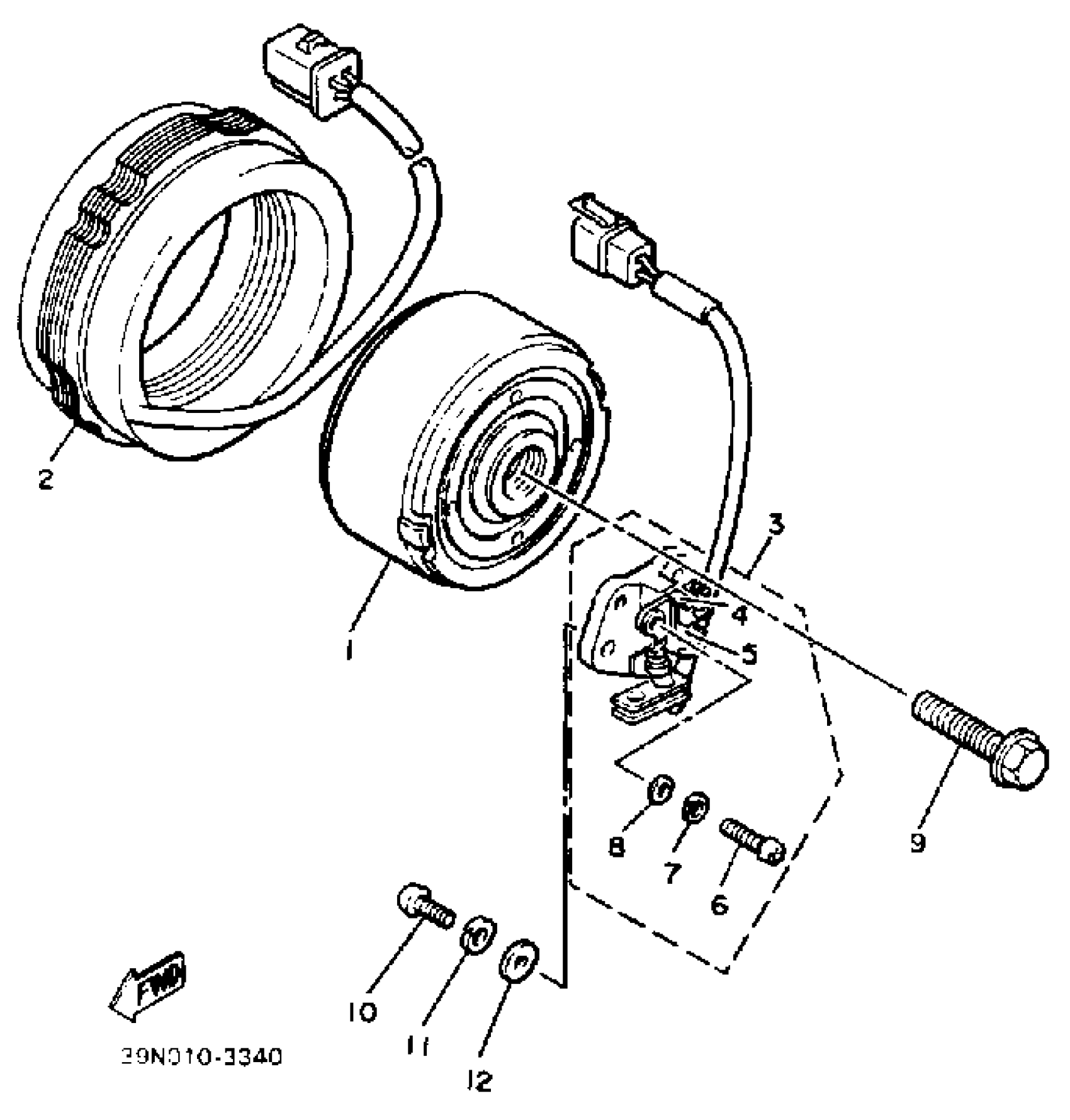
Partiron

Yamaha FZ600SC (FZ600S CA) 1986 GENERATOR Diagram

#

Description
Price

1

ROTOR ASSEMBLY

2XL-81650-10-00

Unavailable

2

STATOR ASSEMBLY

2XL-81610-10-00

Unavailable

3

. BRUSH HOLDER ASSEMBLY

46X-81619-10-00

Unavailable

4

.. BRUSH 1

46X-81611-10-00

Unavailable

5

.. BRUSH 2

4G0-81612-10-00

Unavailable

6

SCREW, PAN HEAD

98511-04012-00

Unavailable

7

YBS67-4 WASHER, SPRING

92990-04100-00

$0.86

8

WASHER, PLAIN (646)

92990-04600-00

$5.99

9

BOLT, WASHER BASED (4H7)

90105-10152-00

$11.49

10

SCREW, PAN

98507-06014-00

$8.49

11

WASHER, SPRING

92995-06100-00

Unavailable

12

WASHER, PLAIN (646)

92990-06600-00

$2.80