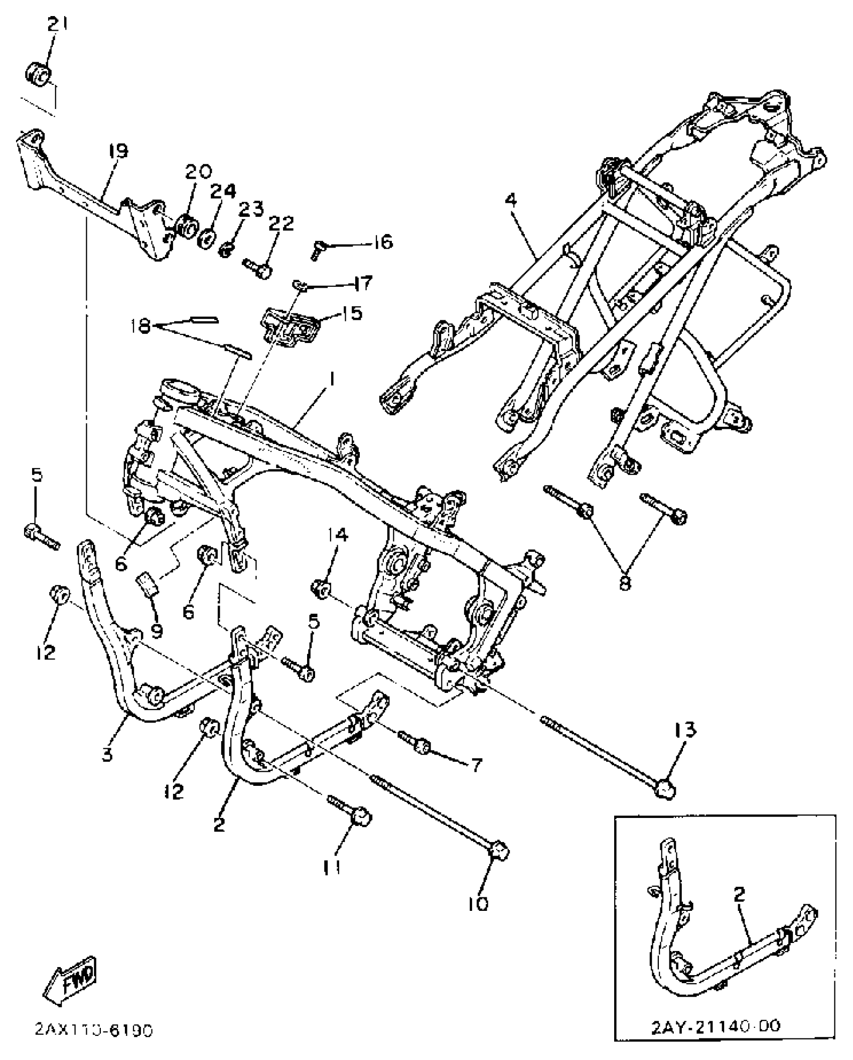
Yamaha FZ600SC (FZ600S CA) 1986 FRAME Diagram
#
Description
Price
1
FRAME
2AX-21110-00-35
Unavailable
2
TUBE, DOWN
2AX-21140-00-35
Unavailable
2
TUBE, DOWN
2AY-21140-00-35
Unavailable
3
DOWN TUBE COMP.2
2AX-21150-00-35
Unavailable
4
FRAME, REAR (YAMAHA BLK)
2AX-21190-00-33
Unavailable
7
BOLT(2KF)
90109-085E3-00
Unavailable
8
BOLT, SOCKET
91317-10020-00
Unavailable
10
BOLT, WASHER BASED(1AE)
90105-10401-00
Unavailable
13
BOLT, WASHER BASED
90105-12335-00
Unavailable
15
HOLDER, WIRE
(46X-21164-01-00)
Unavailable
16
SCREW, PAN
98517-06012-00
Unavailable
17
WASHER, SPRING
92907-06100-00
Unavailable
18
SEAL
46X-21269-00-00
Unavailable
19
BRACKET, OIL COOLER
2AX-21498-00-00
Unavailable
20
GROMMET (4L0)
90480-18276-00
Unavailable
21
GROMMET (4L0)
90480-19283-00
Unavailable
22
BOLT, HEXAGON
97017-06020-00
Unavailable
23
WASHER, SPRING
92907-06100-00
Unavailable
24
WASHER(6TA)
92907-06600-00
Unavailable
