- Partiron
- OEM Parts
- Yamaha
- motorcycle
- 1986
- FZ600SC (FZ600S CA) 1986
ELECTRICAL 1
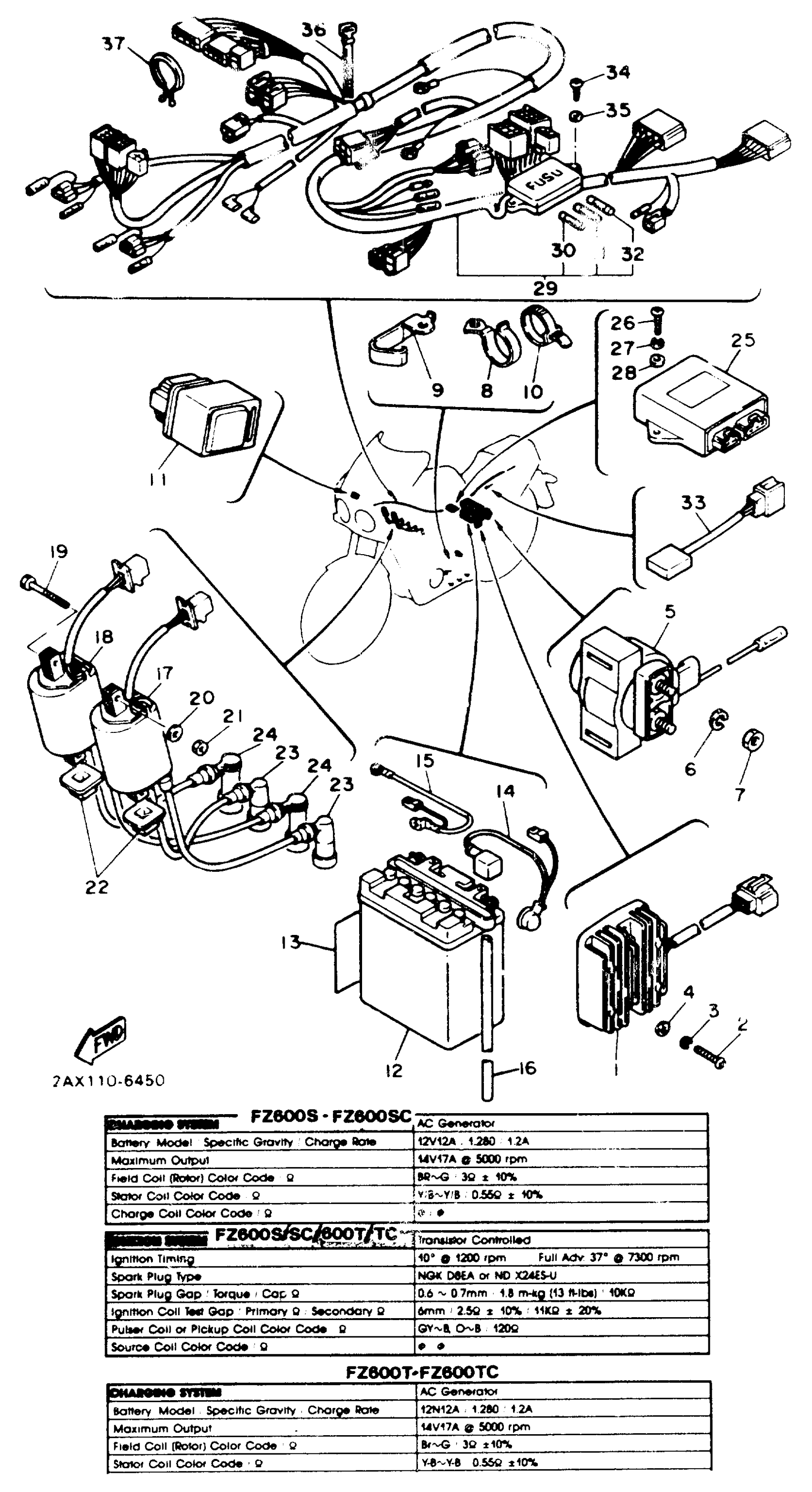
Yamaha FZ600SC (FZ600S CA) 1986 ELECTRICAL 1 Diagram
#
1
RECTIFIER/REG ASSEMBLY
2XL-81960-A0-00
Unavailable
2
SCREW, PAN HEAD(6E0)
97885-06030-00
Unavailable
3
WASHER, SPRING
92995-06100-00
Unavailable
5
STARTER RELAY ASSY
36Y-81940-00-00
Unavailable
6
WASHER, SPRING
92995-06100-00
Unavailable
9
CLAMP
90462-08087-00
Unavailable
10
BAND
341-26397-01-00
Unavailable
11
RELAY ASSY
4U8-81950-03-00
Unavailable
12
12N12A-4A-1 YUASA BATTERY
12N-12A4A-1Y-00
Unavailable
13
LABEL, BATTERY
40A-82141-G0-00
Unavailable
14
WIRE, PLUS LEAD
1UT-82115-00-00
Unavailable
15
WIRE, MINUS LEAD
2AX-82116-00-00
Unavailable
16
HOSE
90445-08380-00
Unavailable
17
IGNITION COIL ASSY
1AA-82310-09-00
Unavailable
18
IGNITION COIL ASSY
1AA-82310-09-00
Unavailable
19
BOLT
97301-06065-00
Unavailable
21
NUT, HEXAGON
95380-06600-00
Unavailable
22
DAMPER, IGNITION COIL
4U8-82317-00-00
Unavailable
23
PLUG CAP ASSY
3NS-82370-00-00
Unavailable
24
PLUG CAP ASSY
4BP-82370-01-00
Unavailable
25
IGNITOR UNIT ASSEMBLY 1
1UJ-82305-10-00
Unavailable
26
SCREW, PAN
98507-06014-00
Unavailable
27
WASHER, SPRING
92995-06100-00
Unavailable
29
WIRE HARNESS ASSEMBLY
2AX-82590-00-00
Unavailable
30
FUSE
1A0-82151-00-00
Unavailable
31
FUSE
1A0-82161-00-00
Unavailable
32
FUSE (12V 30A)
2H7-82151-00-00
Unavailable
33
RECTIFIER 2
4U8-81980-M0-00
Unavailable
34
SCREW, TAPPING(61A)
97780-50612-00
Unavailable
35
WASHER, PLAIN (646)
92990-05600-00
Unavailable
36
CLAMP(4FM)
90464-15195-00
Unavailable
37
CLAMP
90464-25267-00
Unavailable
