- Partiron
- OEM Parts
- Yamaha
- motorcycle
- 1986
- FZ600SC (FZ600S CA) 1986
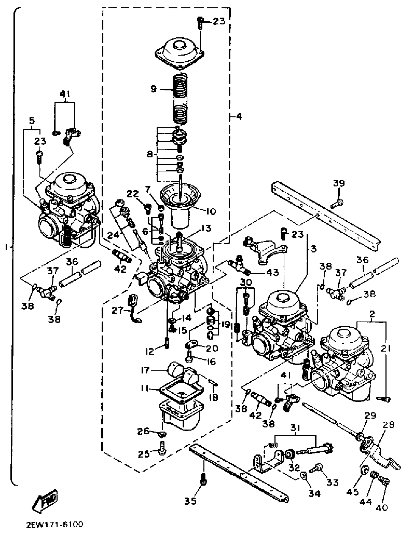
CARBURETOR FZ600S SC
Yamaha FZ600SC (FZ600S CA) 1986 CARBURETOR FZ600S SC Diagram
#
1
UNAVAILABLE IN PRICE BOOK
[2A-X1490-00-0]
Unavailable
1
UNAVAILABLE IN PRICE BOOK
[2A-Y1490-00-0]
Unavailable
2
. CARBURETOR ASSEMBLY 1
2AY-14901-01-00
Unavailable
2
. CARBURETOR ASSEMBLY 1
2AY-14901-01-00
Unavailable
3
. CARBURETOR ASSEMBLY 2
2AX-14902-00-00
Unavailable
3
. CARBURETOR ASSEMBLY 2
2AY-14902-01-00
Unavailable
4
. CARBURETOR ASSEMBLY 3
2AY-14903-01-00
Unavailable
4
. CARBURETOR ASSEMBLY 3
2AY-14903-01-00
Unavailable
5
. CARBURETOR ASSEMBLY 4
2AY-14904-01-00
Unavailable
5
. CARBURETOR ASSEMBLY 4
2AY-14904-01-00
Unavailable
7
CAP
3F9-14118-00-00
Unavailable
8
.. NEEDLE SET
1UJ-1490J-00-00
Unavailable
9
.. SPRING, DIAPHRAGM
4U8-14933-00-00
Unavailable
10
.. DIAPHRAGM ASSEMBLY
33M-14940-00-00
Unavailable
11
GASKET, FLOAT CHAMBER
46X-14984-00-00
Unavailable
12
JET, PILOT (# 30)
4G0-14142-30-00
Unavailable
13
.. NOZZLE MAIN
1UJ-14141-36-00
Unavailable
14
WASHER,MAIN JET
137-14153-00-00
Unavailable
15
.. JET, MAIN#1075
620-1423A-72-A0
Unavailable
16
SCREW,PAN HEAD
98501-04006-00
Unavailable
17
FLOAT
4G0-14985-00-00
Unavailable
18
PIN, FLOAT
537-14186-00-00
Unavailable
19
NEEDLE VALVE SET
25G-14107-23-00
Unavailable
20
. PLATE
2H0-14146-00-00
Unavailable
21
PLUG, DRAIN
12R-14191-00-00
Unavailable
22
JET, MAIN (#135)
3G2-14231-27-00
Unavailable
23
SCREW, PAN HEAD(62X)
97885-05010-00
Unavailable
24
.. STARTER SET
33M-1410A-00-00
Unavailable
25
SCREW, PAN HEAD(GA5)
98580-04014-00
Unavailable
26
YBS67-4 WASHER, SPRING
92990-04100-00
Unavailable
27
. CABLE
4G0-14130-00-00
Unavailable
28
. SHAFT, STARTER LEVR
46X-14977-00-00
Unavailable
29
WASHER
(46X-14952-00-00)
Unavailable
30
. STOP SCREW SET
1UJ-1490K-01-00
Unavailable
31
. THROTTLE SCREW SET
31A-14103-00-00
Unavailable
32
. BUSH
4G0-14998-00-00
Unavailable
33
SCREW, PAN HEAD(62X)
97885-05010-00
Unavailable
34
. UNAVAILABLE IN PRICE BOOK
92990-05100-
Unavailable
35
SCREW, PAN
98507-06014-00
Unavailable
36
HOSE
50H-14987-00-00
Unavailable
37
. PIPE, STARTER CON
4V7-14988-00-00
Unavailable
38
O-RING
36Y-14147-00-00
Unavailable
39
SCREW, PAN HEAD(62X)
97885-05010-00
Unavailable
40
. PLUG, SCREW
22F-14115-00-00
Unavailable
41
. STARTER LEVER SET2
46X-1490M-00-00
Unavailable
42
. PIPE, STARTER CON
4G0-14988-00-00
Unavailable
43
PIPE, STARTER CONNECTING
4U8-14988-00-00
Unavailable
44
. SPRING
46X-14938-00-00
Unavailable
45
WASHER
3FV-14953-00-00
Unavailable
