- Partiron
- OEM Parts
- Yamaha
- motorcycle
- 2017
- FZ07HS (FZ07) 2RC700 2017
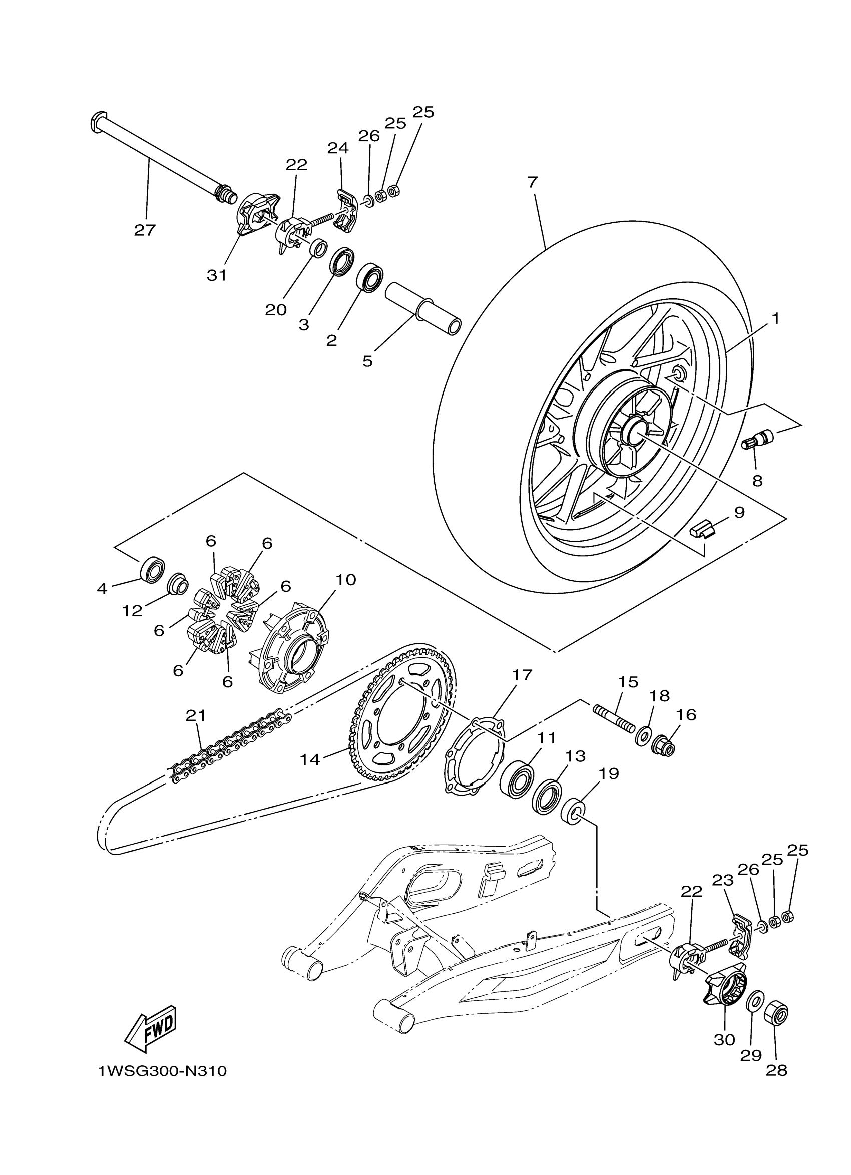
REAR WHEEL
Yamaha FZ07HS (FZ07) 2RC700 2017 REAR WHEEL Diagram
#
Description
Price
1
CAST WHEEL, REAR
1RC-25338-00-2X
Unavailable
7
TIRE (180/55ZR17 M/C 73W)
94118-17080-00
Unavailable
9
BALANCER, WHEEL
5MT-25398-20-00
Unavailable
14
SPROCKET, DRIVEN (
1WS-25443-00-00
Unavailable
15
BOLT, STUD
90116-10048-00
Unavailable
16
NUT, S/L FLANGE
95602-10200-00
Unavailable
17
BRACKET 1
1WS-2537W-00-00
Unavailable
18
WASHER, PLATE
90201-10045-00
Unavailable
19
COLLAR
90387-20036-00
Unavailable
20
COLLAR
90387-20035-00
Unavailable
21
CHAIN
94A40-21108-00
Unavailable
22
PULLER, CHAIN 1
1WS-25388-00-00
Unavailable
23
END 1
1WS-22174-00-00
Unavailable
24
END 1
1WS-22175-00-00
Unavailable
25
NUT
95302-08600-00
Unavailable
26
.. WASHER, PLATE
92990-08600-00
Unavailable
27
SHAFT, PIVOT
4FN-22141-00-00
Unavailable
28
NUT, SELF-LOCKING
90185-18009-00
Unavailable
29
WASHER, PLATE
90201-18021-00
Unavailable
30
COVER, REAR AXLE 1
1WS-2538D-00-00
Unavailable
31
COVER, REAR AXLE 2
1WS-2538N-00-00
Unavailable
