- Partiron
- OEM Parts
- Yamaha
- motorcycle
- 2017
- FZ07HS (FZ07) 2RC700 2017
ELECTRICAL 1
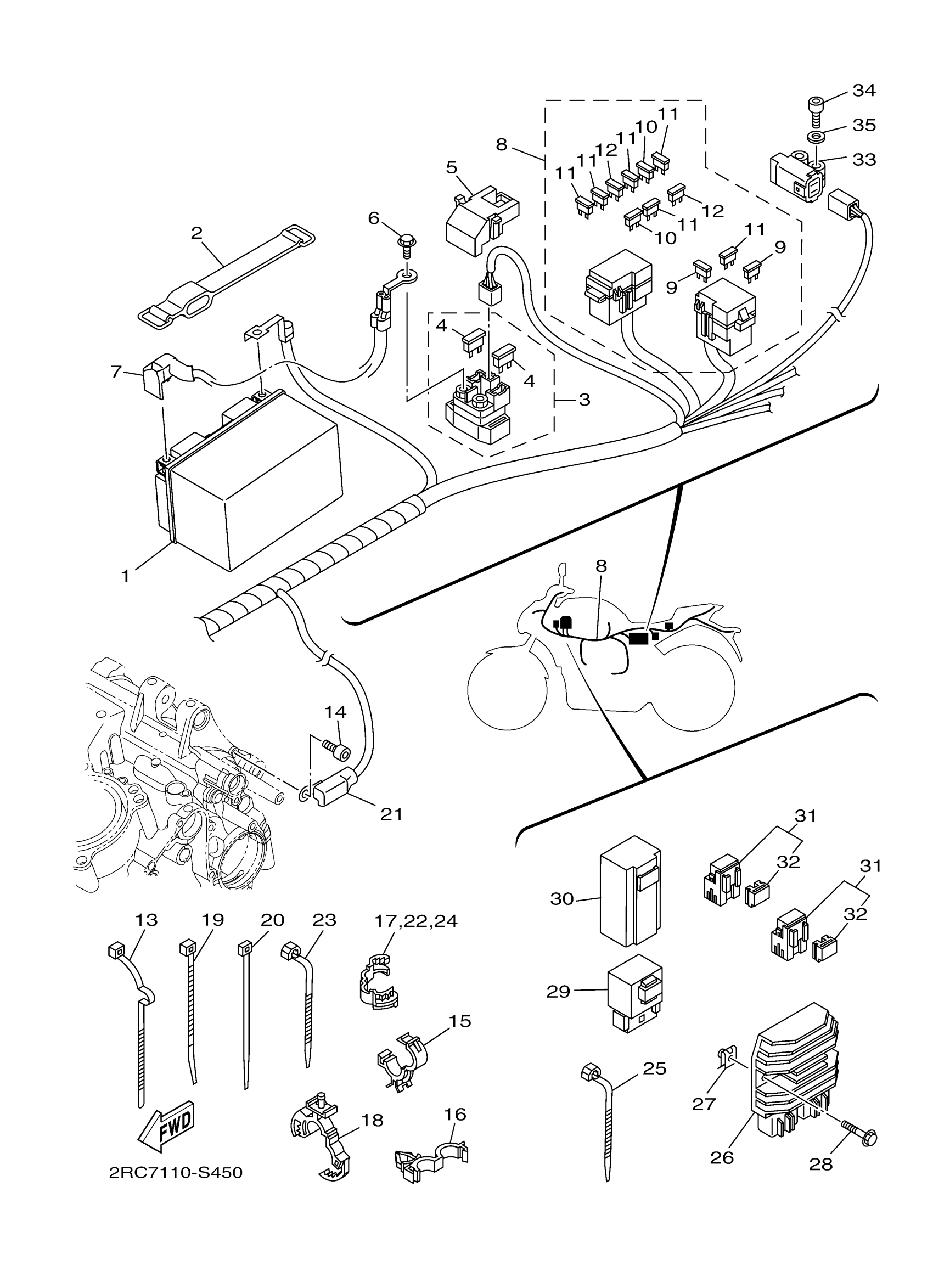
Yamaha FZ07HS (FZ07) 2RC700 2017 ELECTRICAL 1 Diagram
#
Description
Price
1
BATTERY YTZ10S
YTZ-10S00-00-00
Unavailable
7
WIRE, PLUS LEAD
1WS-82115-01-00
Unavailable
8
WIRE HARNESS ASSY
2RC-82590-10-00
Unavailable
11
. FUSE (10A)
67F-82151-40-00
Unavailable
12
FUSE (15A)
67F-82151-50-00
Unavailable
14
BOLT
91380-06012-00
Unavailable
16
CLAMP
90464-18007-00
Unavailable
17
CLAMP
90464-14010-00
Unavailable
18
CLAMP
90464-18011-00
Unavailable
19
BAND
1UA-82591-00-00
Unavailable
20
CLAMP
90464-65001-00
Unavailable
21
COVER, TERMINAL
1WS-81916-00-00
Unavailable
22
CLAMP
90464-14010-00
Unavailable
23
CLAMP(4FM)
90464-15195-00
Unavailable
24
CLAMP
90464-14010-00
Unavailable
25
CLAMP
90464-25004-00
Unavailable
26
RECTIFIER & REGULATOR ASSY
27D-81960-00-00
Unavailable
27
NUT, SPRING
90183-060A6-00
Unavailable
28
BOLT, FLANGE
95022-06020-00
Unavailable
29
RELAY ASSY
5VK-81950-52-00
Unavailable
30
COVER 1
1WS-8246B-00-00
Unavailable
31
RELAY ASSY
1TP-81950-00-00
Unavailable
32
HOLDER,RELAY
5EA-81952-00-00
Unavailable
33
SENSOR, LEAN ANGLE
5PS-82576-02-00
Unavailable
34
BOLT
91312-04025-00
Unavailable
35
WASHER, PLATE
90201-04030-00
Unavailable
