- Partiron
- OEM Parts
- Yamaha
- waverunner
- 2009
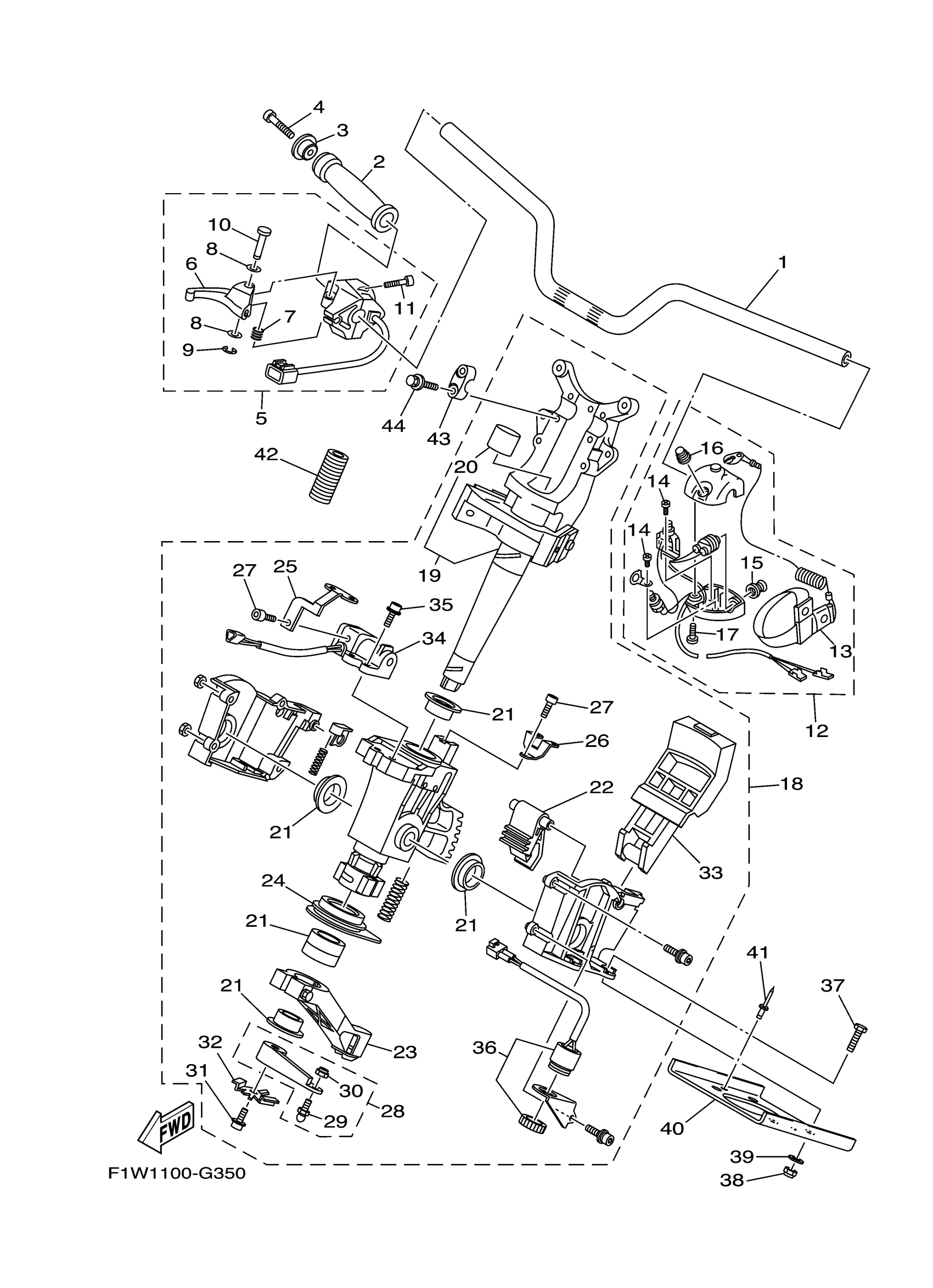
- FY1800AH ((WAVERUNNER FX CRUISER HO)) F2H1 2009
STEERING 1
Yamaha FY1800AH ((WAVERUNNER FX CRUISER HO)) F2H1 2009 STEERING 1 Diagram
#
1
HANDLE
F1S-61552-00-00
Unavailable
2
GRIP, HANDLE
GP7-U155D-01-00
Unavailable
3
GRIP, END
F1S-U155F-00-00
Unavailable
4
BOLT, HEXAGON SOCKET HEAD
90110-05908-00
Unavailable
5
THROTTLE LEVER ASSY
F1W-67250-01-00
Unavailable
6
LEVER, THROTTLE
F0D-67255-02-00
Unavailable
7
. SPRING
EW2-67256-00-00
Unavailable
9
CIRCLIP (EU0)
99080-04600-00
Unavailable
10
. SHAFT
F0D-67257-00-00
Unavailable
11
. BOLT, THROTTLE
F1X-6725F-01-00
Unavailable
12
SWITCH BOX ASSY
F1S-68310-01-00
Unavailable
13
. LANYARD, STOP SWITCH
EW2-68348-00-00
Unavailable
15
. STOP BUTTON COMP
FK7-68312-02-00
Unavailable
16
. START BUTTON COMP
FK7-68313-02-00
Unavailable
17
SCREW, PANHEAD (A93)
98580-05525-00
Unavailable
18
STEERING MASTER AS
F1W-61400-19-00
Unavailable
19
. SHAFT ASSY
F1W-67410-10-00
Unavailable
20
.. PIPE, SEAL
F1W-61435-00-00
Unavailable
21
. TUBE & BUSHING SET
F1W-6773D-00-00
Unavailable
22
. LOCK 1
F1S-61782-00-00
Unavailable
23
. CABLE STOPPER ASSY
F1S-6146A-00-00
Unavailable
24
. SEAL, RUBBER
F1S-6143C-00-00
Unavailable
25
. STAY 1
F1W-65938-00-00
Unavailable
26
. STAY 2
F1S-65939-00-00
Unavailable
27
SCREW
F1B-613C1-10-00
Unavailable
28
ARM ASSY.
F1S-6153R-02-00
Unavailable
29
STUD, JOINT BALL
EU0-61461-02-00
Unavailable
30
NUT, SELF-LOCKING
95720-06300-00
Unavailable
31
BOLT
F1W-61355-10-00
Unavailable
32
. PLATE, RETAINING
F1W-6142B-00-00
Unavailable
33
. LEVER ASSY
F1W-6151M-00-00
Unavailable
34
. SENSOR ASSY
F1W-68303-00-00
Unavailable
35
. BOLT
F1S-61355-00-00
Unavailable
36
BUZZER
F1S-68341-00-00
Unavailable
37
BOLT (62K)
97095-08035-00
Unavailable
38
NUT, NYLON (6J8)
95780-08300-00
Unavailable
39
WASHER
F1W-U725E-00-00
Unavailable
40
PLATE, RETAINING
F1X-U1554-00-00
Unavailable
41
RIVET, BLIND
90267-489U6-00
Unavailable
42
TUBE
90447-22803-00
Unavailable
43
HOLDER, HANDLE UPPER
EU0-23814-32-00
Unavailable
44
BOLT, WITH WASHER
90119-089U1-00
Unavailable
