- Partiron
- OEM Parts
- Yamaha
- waverunner
- 1995
- FX700T (FX-1) 1995
JET UNIT
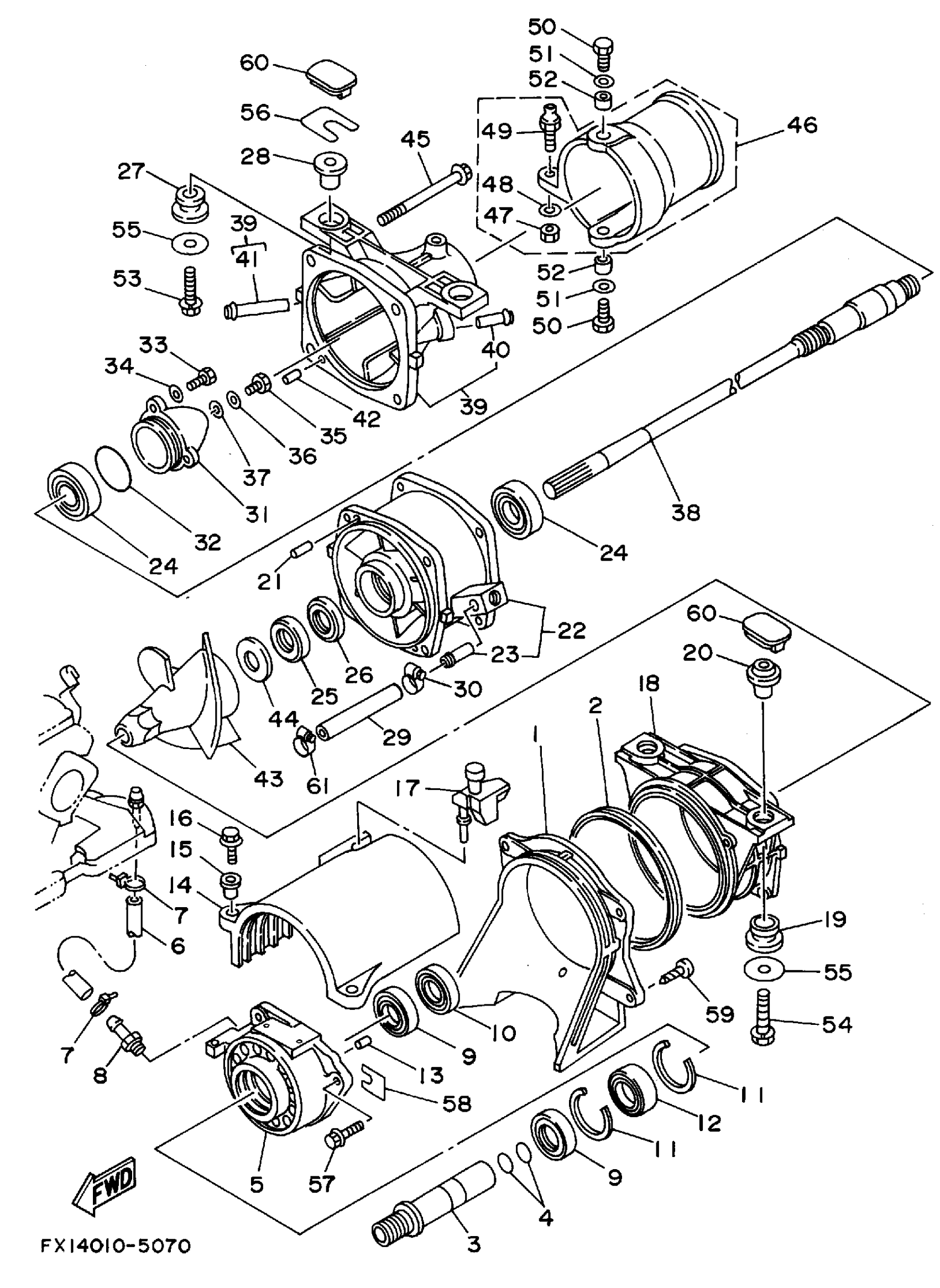
Yamaha FX700T (FX-1) 1995 JET UNIT Diagram
#
1
DUCT,INTAKE
62L-51311-00-5B
Unavailable
2
PACKING
62L-51117-00-00
Unavailable
3
SHAFT, COUPLOR
62L-51323-00-00
Unavailable
5
HOUSING, BEARING
61X-G5332-00-00
Unavailable
7
CLAMP
90465-10098-00
Unavailable
8
NIPPLE, HOSE
61L-45378-00-00
Unavailable
11
CIRCLIP
93430-47M04-00
Unavailable
12
BEARING(62G)
93306-205U6-00
Unavailable
14
COVER
61X-51381-00-00
Unavailable
15
COLLAR
90387-06M60-00
Unavailable
16
BOLT, HEXAGON W/W DEEP RECESS
97E95-06525-00
Unavailable
17
GROMMET(GD0)
90480-06M69-00
Unavailable
18
HOUSING, IMPELLER
62L-51312-00-CA
Unavailable
19
GROMMET(62L)
90480-21M63-00
Unavailable
20
COLLAR
90387-09M05-00
Unavailable
22
DUCT, IMPELLER
62L-51315-00-94
Unavailable
23
. NIPPLE
6K8-51129-00-00
Unavailable
24
BEARING (6K8)
93306-205U1-00
Unavailable
25
OIL SEAL(6R7)
93102-25M34-00
Unavailable
26
OIL SEAL(6R7)
93101-25M50-00
Unavailable
27
GROMMET(62L)
90480-21M63-00
Unavailable
28
COLLAR
90387-09M06-00
Unavailable
29
HOSE
90445-14M17-00
Unavailable
30
HOSE CLAMP ASSY(62T)
90450-14M05-00
Unavailable
31
CAP
62L-51326-00-94
Unavailable
32
. O-RING
93210-46M16-00
Unavailable
33
BOLT, HEXAGON DEEP RECESS
97D95-06016-00
Unavailable
34
WASHER, PLAIN (646)
92990-06600-00
Unavailable
35
BOLT(GH1)
97080-06012-00
Unavailable
36
WASHER, PLAIN (646)
92990-06600-00
Unavailable
37
. GASKET
90430-06M03-00
Unavailable
38
SHAFT, DRIVE
62L-45511-01-00
Unavailable
39
NOZZLE
62L-51318-00-5B
Unavailable
40
. NIPPLE
6K8-51129-00-00
Unavailable
41
. NIPPLE
62L-51129-00-00
Unavailable
43
IMPELLER
62L-51321-00-CA
Unavailable
44
SPACER
62T-51348-00-00
Unavailable
45
BOLT, WASHER BASED
90105-08M86-00
Unavailable
46
NOZZLE, DEFLECTOR
62L-51313-00-00
Unavailable
47
NUT(650)
95380-06700-00
Unavailable
48
WASHER, PLATE
90201-06M02-00
Unavailable
49
. BOLT, JOINT
6R7-42316-00-00
Unavailable
50
BOLT (62G)
97095-08025-00
Unavailable
51
.. WASHER, PLATE
92990-08600-00
Unavailable
52
COLLAR
90387-08M07-00
Unavailable
53
BOLT, WITH WASHER
90119-08936-00
Unavailable
54
BOLT, WITH WASHER
90119-08937-00
Unavailable
55
WASHER, PLATE
90201-08934-00
Unavailable
56
SHIM (T=0.1)
EW2-67354-00-01
Unavailable
56
SHIM (T=0.3)
EW2-67354-00-03
Unavailable
56
SHIM (T=0.5)
EW2-67354-00-05
Unavailable
56
SHIM (T=1.0)
EW2-67354-00-10
Unavailable
57
BOLT, WITH WASHER
90119-08907-00
Unavailable
58
SHIM (T=0.5)
GD0-67249-A0-00
Unavailable
58
SHIM (T=1.0)
GD0-67249-00-10
Unavailable
59
SCREW, TAPPING
97780-60520-00
Unavailable
60
COVER
FX1-68825-01-00
Unavailable
61
NYLON CLIP 1(GH1)
90601-11583-00
Unavailable
