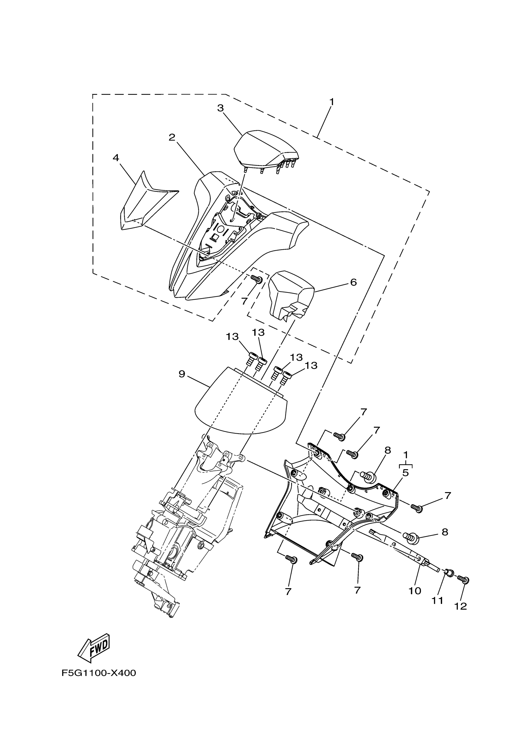
STEERING 3
#
1
F5G-U142A-00-00
Unavailable
1
F5G-U142A-50-00
Unavailable
2
F5G-U143D-00-00
Unavailable
3
F3X-U142D-00-00
Unavailable
4
F3X-U142M-20-00
Unavailable
4
F3X-U142M-90-00
Unavailable
6
F3X-U142E-00-00
Unavailable
7
F2S-U13C1-00-00
Unavailable
8
F3Y-U2624-09-00
Unavailable
9
F2S-U143L-01-00
Unavailable
10
F5G-UFTAA-00-00
Unavailable
11
F5G-U151R-00-00
Unavailable
12
F5G-U7823-00-00
Unavailable
13
90154-06030-00
Unavailable
Edit ride
