Partiron

Yamaha FX1800DY (SVHO WITH AUDIO) F5G8 2023 STEERING 3 Diagram

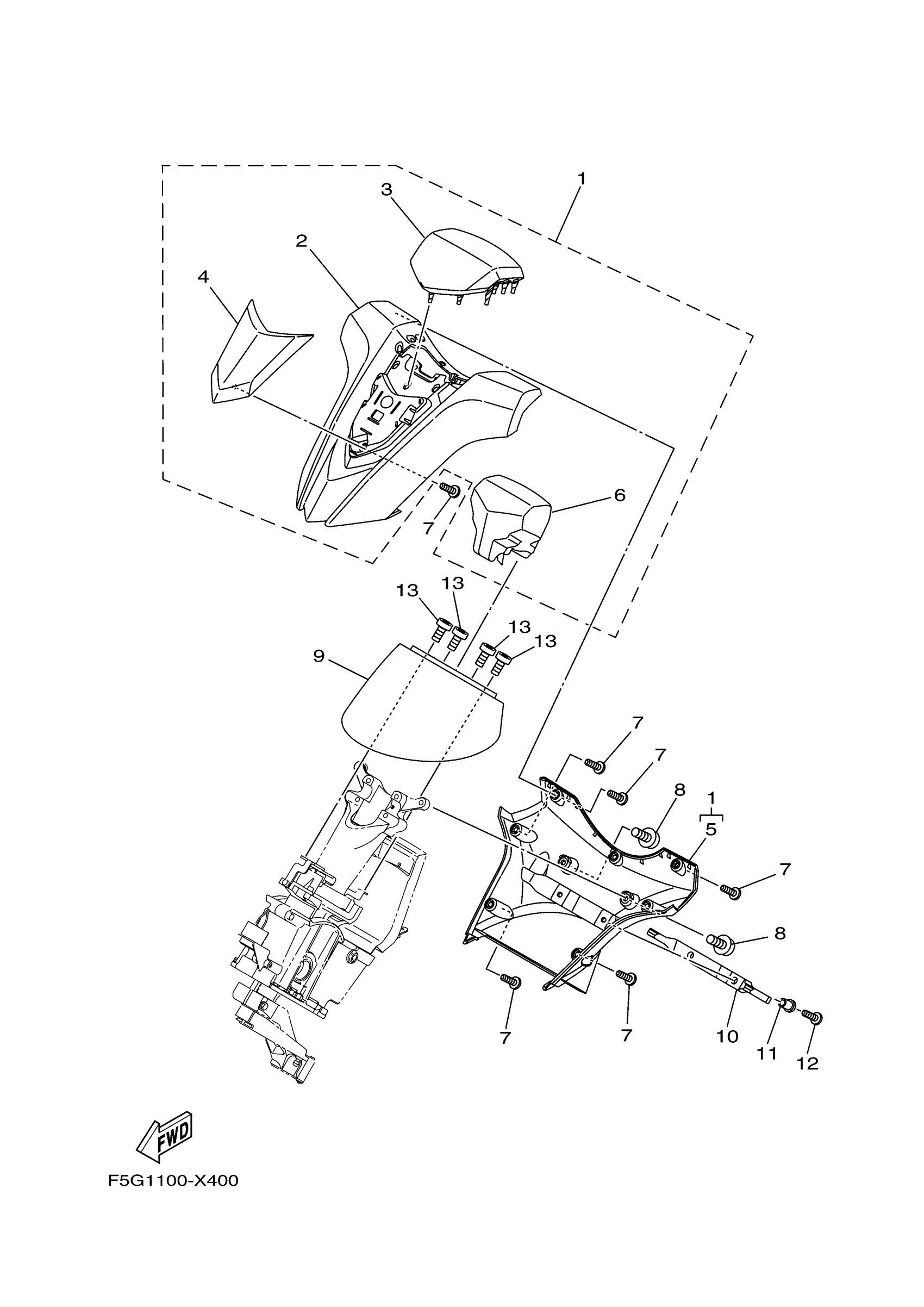
#

Description
Price

1

STEERING PAD COMP

F5G-U142A-00-00

Unavailable

2

PAD, STEERING 1

F5G-U143D-00-00

Unavailable

3

. COVER, PAD

F3X-U142D-00-00

Unavailable

4

. BASE, PAD

F3X-U142M-20-00

Unavailable

5

PAD, STEERING 2

F5G-U143E-00-00

$37.99

6

. CUSHION, PAD 1

F3X-U142E-00-00

Unavailable

7

SCREW

F2S-U13C1-00-00

Unavailable

8

BOLT

F3Y-U2624-09-00

Unavailable

9

PAD, STEERING 3

F2S-U143L-01-00

Unavailable

10

HOOK,MOORING 1

F5G-UFTAA-00-00

Unavailable

11

COLLAR

F5G-U151R-00-00

Unavailable

12

SCREW

F5G-U7823-00-00

Unavailable

13

SCREW, BINDING

90154-06030-00

Unavailable