- Partiron
- OEM Parts
- Yamaha
- waverunner
- 2022
- FX1800AX (FX LIMITED SVHO) F5G1 2022
CONTROL CABLE
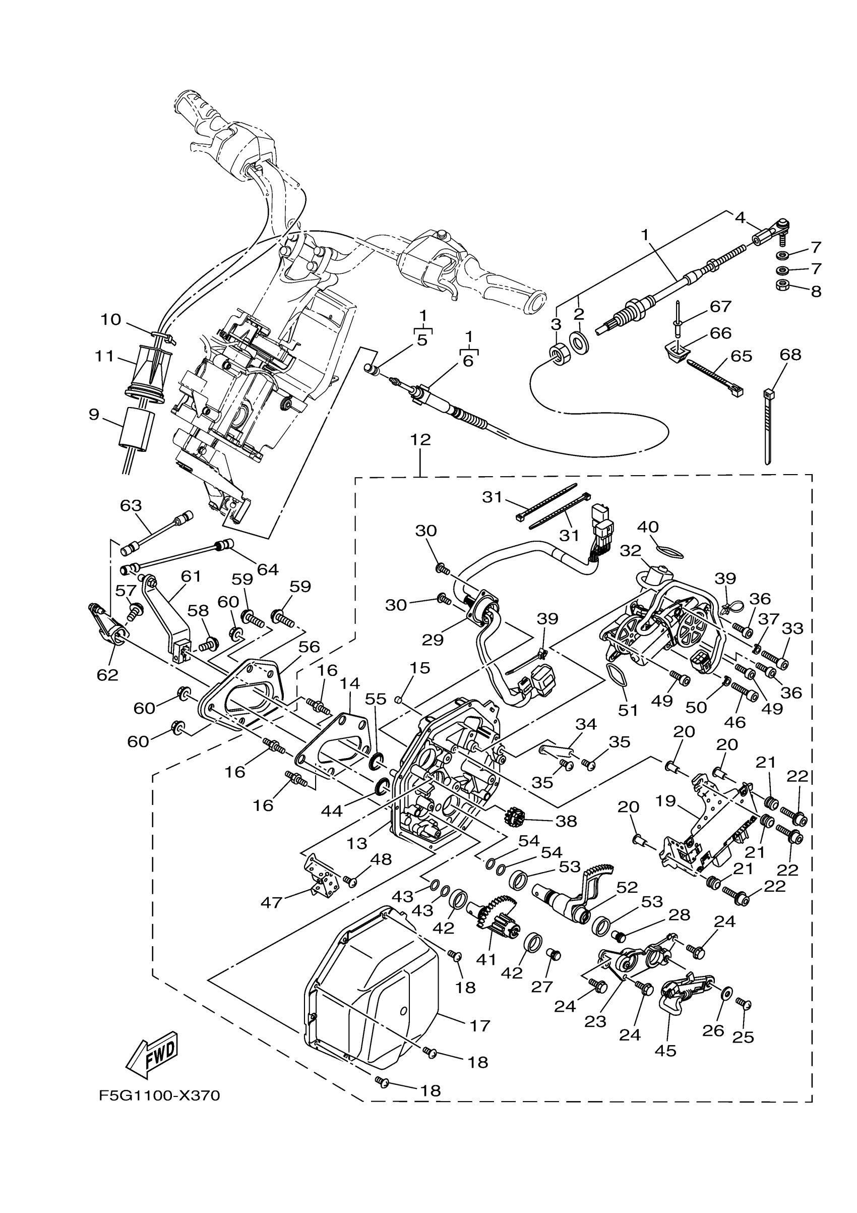
Yamaha FX1800AX (FX LIMITED SVHO) F5G1 2022 CONTROL CABLE Diagram
#
2
. PACKING C
F1B-61438-00-00
Unavailable
3
NUT
F1B-6151S-01-00
Unavailable
4
. STUD, JOINT BALL
F1B-61461-02-00
Unavailable
5
. BALL JOINT ASSY
F2N-61460-00-00
Unavailable
6
. NUT, LOCK
F1B-61425-00-00
Unavailable
7
WASHER, PLATE
90201-06906-00
Unavailable
8
NUT
9538R-06700-00
Unavailable
9
PACKING, HOSE 2
GJ1-U7578-22-00
Unavailable
10
CLAMP
90464-32801-00
Unavailable
11
GROMMET
F3J-U822E-01-00
Unavailable
12
MOTOR ASSY.
F5G-6140B-01-00
Unavailable
13
. HOUSING
F4P-6152K-00-00
Unavailable
14
. SEAL
F3J-63262-00-00
Unavailable
15
. PLUG
F3J-613D0-00-00
Unavailable
16
. BOLT, STUD
F3J-67369-00-00
Unavailable
17
. COVER
F3Y-6143J-00-00
Unavailable
18
. SCREW
F3Y-68198-00-00
Unavailable
19
. CONTROL UNIT
F5G-68197-00-00
Unavailable
20
. COLLAR
90387-06119-00
Unavailable
21
DAMPER, IGNITION C
6A0-82317-01-00
Unavailable
22
. BOLT
F3J-613B4-20-00
Unavailable
23
. PLATE
F4P-61256-00-00
Unavailable
24
. BOLT, HEXAGON
F3J-613B3-00-00
Unavailable
25
. SCREW
F3J-68198-20-00
Unavailable
26
. WASHER, PLAIN
F3J-613C3-10-00
Unavailable
27
. MAGNET, SENSOR
F3J-60428-00-00
Unavailable
28
. MAGNET, SENSOR
F3J-60428-00-00
Unavailable
29
. WIRE HARNESS ASSY
F4P-68270-00-00
Unavailable
30
. SCREW
F3J-68198-00-00
Unavailable
31
. CLAMP, WIRE
F3J-68273-00-00
Unavailable
32
. MOTOR
F4P-68352-00-00
Unavailable
33
. BOLT
F3J-613B4-00-00
Unavailable
34
. PLATE
F3Y-61348-00-00
Unavailable
35
. SCREW
F3J-68198-20-00
Unavailable
36
. BOLT
F3J-613B4-10-00
Unavailable
37
. SPACER
F3J-61492-00-00
Unavailable
38
. GEAR 1
F4P-60211-00-00
Unavailable
39
. CLAMP
F4P-68273-00-00
Unavailable
40
. O-RING
F4P-613A5-10-00
Unavailable
41
SHAFT, 1
F3Y-60221-10-00
Unavailable
42
. BUSH
F3Y-61344-00-00
Unavailable
43
O-RING
F4P-613A5-00-00
Unavailable
44
. BUSH
F4P-61344-00-00
Unavailable
45
. SENSOR, ANGLE
F4P-85887-00-00
Unavailable
46
. BOLT
F3J-613B4-00-00
Unavailable
47
. PLATE
F4P-61348-00-00
Unavailable
48
. SCREW
F3J-68198-20-00
Unavailable
49
. BOLT
F3J-613B4-10-00
Unavailable
50
. SPACER
F3J-61492-00-00
Unavailable
51
. O-RING
F4P-613A5-10-00
Unavailable
52
. SHAFT, 2
F5G-60222-00-00
Unavailable
53
. BUSH
F3Y-61344-00-00
Unavailable
54
O-RING
F4P-613A5-00-00
Unavailable
55
. BUSH
F4P-61344-00-00
Unavailable
56
PLATE
F4P-U8285-00-00
Unavailable
57
BOLT, WITH WASHER
90119-06894-00
Unavailable
58
BOLT, HEXAGON SOCKET HEAD
90110-06898-00
Unavailable
59
BOLT, WITH WASHER
90119-08852-00
Unavailable
60
NUT, LOCK
F3Y-U142L-00-00
Unavailable
61
TRIM ARM ASSY
F5G-6150E-01-00
Unavailable
62
SHIFT ARM ASSY
F3Y-6150F-00-00
Unavailable
63
ROD ASSY
F3J-6150A-00-00
Unavailable
64
ROD ASSY 2
F3J-6150D-00-00
Unavailable
65
CLAMP
90464-32801-00
Unavailable
66
BASE, CLAMP
F1W-U828M-00-00
Unavailable
67
RIVET, BLIND
90267-48802-00
Unavailable
68
CLAMP
90464-32801-00
Unavailable
