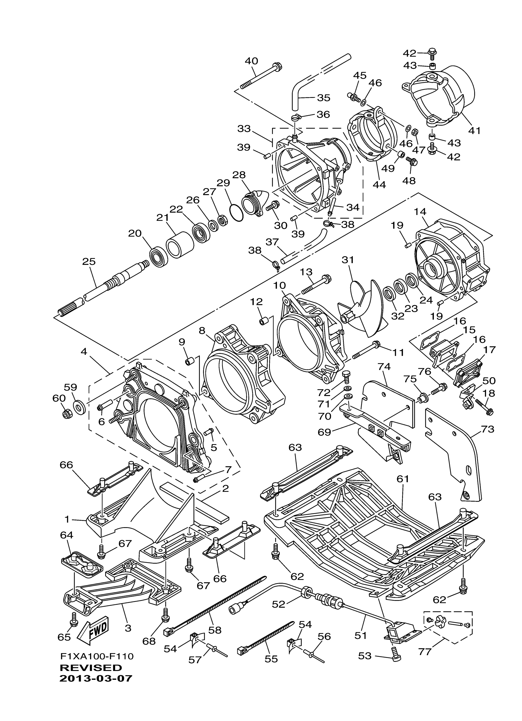
Yamaha FX1100F (WaveRunner FX HO) F1XD 2007 JET UNIT 1 Diagram
#
1
DUCT, INTAKE
60E-R1311-00-00
Unavailable
2
FELT, PACKING
66V-R1367-00-00
Unavailable
3
SCREEN, INTAKE
60E-R1333-00-00
Unavailable
4
PLATE, TRANSOM
60E-G5831-01-00
Unavailable
5
. NIPPLE
65A-R1129-00-00
Unavailable
6
. NIPPLE
66V-51129-10-00
Unavailable
7
. NIPPLE
60E-51129-30-00
Unavailable
8
HOUSING, IMPELLER 2
60E-51317-00-00
Unavailable
10
HOUSING, IMPELLER
6CR-R1312-00-00
Unavailable
11
BOLT, WITH WASHER
90119-06859-00
Unavailable
13
BOLT, WITH WASHER
90119-10813-00
Unavailable
14
DUCT, IMPELLER SET
99999-04430-00
Unavailable
15
FILTER
66V-46882-00-00
Unavailable
16
. O-RING
66V-42414-00-00
Unavailable
17
COVER, WATER INLET 1
66V-45214-00-00
Unavailable
18
BOLT,WITH WASHER
90119-06898-00
Unavailable
19
PIN, DOWEL (614)
93606-12019-00
Unavailable
20
BEARING (6K8)
93306-205U1-00
Unavailable
21
SPACER 1
65V-45538-00-00
Unavailable
22
BEARING
93306-304XB-00
Unavailable
23
OIL SEAL
93101-28M66-00
Unavailable
24
OIL SEAL
93101-28002-00
Unavailable
25
SHAFT, DRIVE
68Y-G5511-00-00
Unavailable
26
WASHER
9299R-16600-00
Unavailable
27
NUT
95317-16700-00
Unavailable
28
CAP
6B6-51326-10-00
Unavailable
29
. O-RING
93210-464A3-00
Unavailable
30
BOLT, HEXAGON SOCKET HEAD
90110-06823-00
Unavailable
31
IMPELLER
6B6-R1321-00-00
Unavailable
32
SPACER
66V-R1348-10-00
Unavailable
33
NOZZLE
6B6-51318-00-94
Unavailable
34
. NIPPLE,HOSE
63M-51334-00-00
Unavailable
35
HOSE (L310)
90445-16M09-00
Unavailable
36
BAND, HOSE 18
90601-118UF-00
Unavailable
37
HOSE (L330)
90445-14804-00
Unavailable
38
CLAMP
90465-10098-00
Unavailable
39
PIN, DOWEL (614)
93606-12019-00
Unavailable
40
BOLT, WITH WASHER
90119-10807-00
Unavailable
41
NOZZLE, DEFLECTOR
66V-R1313-01-00
Unavailable
42
BOLT, WITH WASHER
90119-08852-00
Unavailable
43
COLLAR(6R7)
90387-08M06-00
Unavailable
44
RING,TRIM
60T-51190-00-94
Unavailable
45
STUD, JOINT BALL
GH3-U146E-00-00
Unavailable
46
WASHER,PLATE
90201-068M4-00
Unavailable
47
NUT
9538R-06700-00
Unavailable
48
BOLT, WITH WASHER
90119-08852-00
Unavailable
49
COLLAR(6R7)
90387-08M06-00
Unavailable
50
BRACKET 2
6B6-51342-00-00
Unavailable
51
SENSOR SPEED
F1S-U8K31-03-00
Unavailable
52
. NUT, DRAIN 1
EU0-62241-30-00
Unavailable
53
SCREW, ROUND HEAD
90150-05807-00
Unavailable
54
CLAMP COMP (EU0)
90600-91736-00
Unavailable
55
CLAMP
90464-32801-00
Unavailable
56
RIVET, BLIND
90267-48802-00
Unavailable
57
RIVET, BLIND
90267-489U6-00
Unavailable
58
CLAMP
90464-99801-00
Unavailable
59
WASHER
F1S-U725E-01-00
Unavailable
60
NUT, NYLON
9572R-10300-00
Unavailable
61
PLATE 2
F1S-U273B-01-00
Unavailable
62
BOLT, WITH WASHER
90119-08829-00
Unavailable
63
BRACKET 2
F1B-U8572-01-00
Unavailable
64
BRACKET, 3
F1K-U8577-01-00
Unavailable
65
BOLT, WITH WASHER
90119-06896-00
Unavailable
66
BRACKET 1
F1G-U8571-02-00
Unavailable
67
BOLT, WITH WASHER
90119-08829-00
Unavailable
68
BOLT,WITH WASHER
90119-06890-00
Unavailable
69
BRACKET
F1B-67557-00-00
Unavailable
70
GASKET
90430-12002-00
Unavailable
71
YBS66-12 WASHER,PLAIN
92990-12200-00
Unavailable
72
BOLT
90109-08043-00
Unavailable
73
PLATE, RUBBER 1
F1S-U757E-02-00
Unavailable
74
PLATE, RUBBER 2
F1S-U757F-02-00
Unavailable
75
COLLAR
90387-06080-00
Unavailable
76
BOLT, WITH WASHER
90119-06827-00
Unavailable
77
REPAIR KIT, SPEED SENSOR
GP1-U835D-00-00
Unavailable
