- Partiron
- OEM Parts
- Yamaha
- snowmobile
- 2008
- FX10RTXL (FX NYTRO RTX (no reverse)) 8HJ1 2008
ELECTRICAL 1
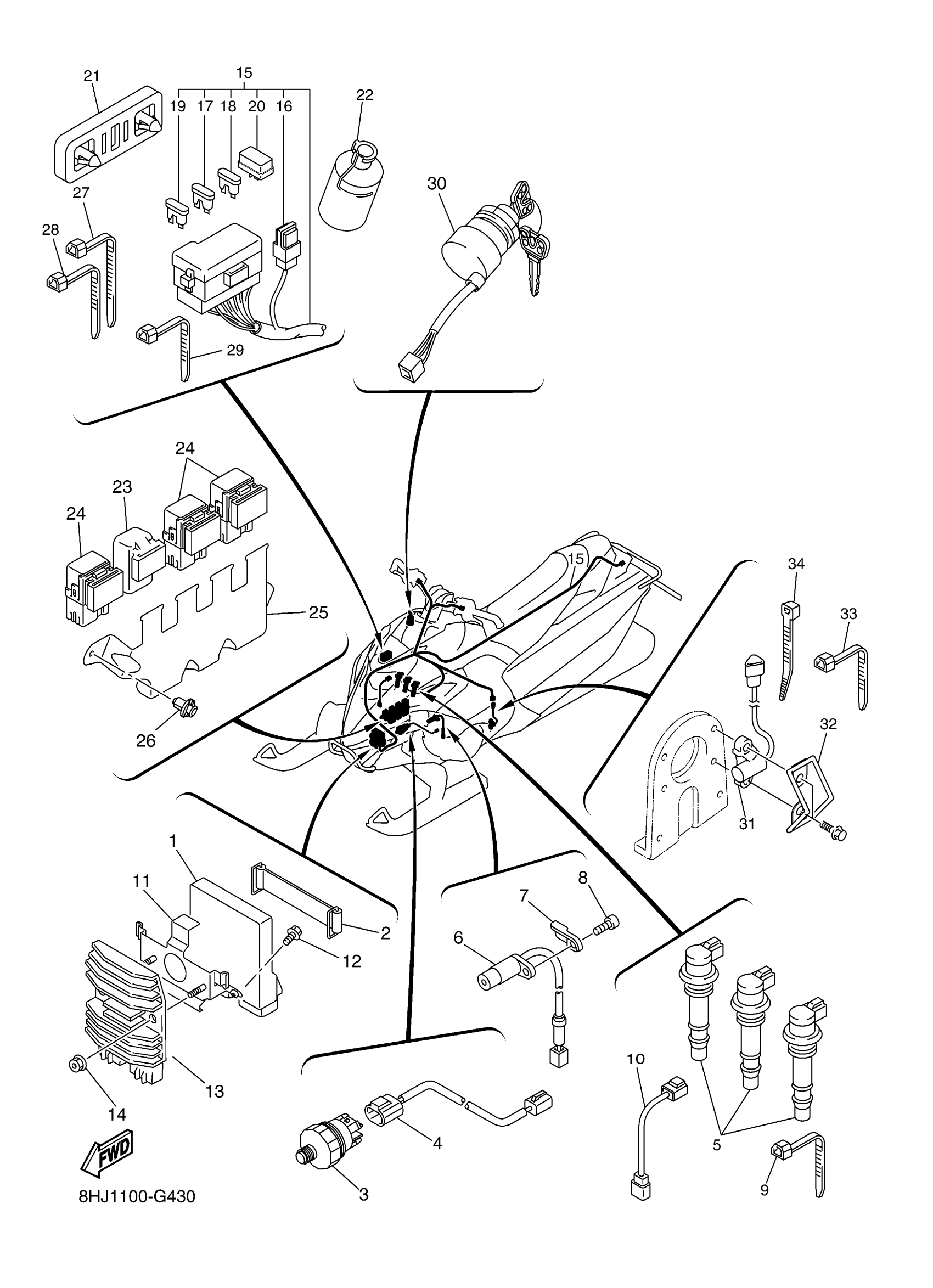
Yamaha FX10RTXL (FX NYTRO RTX (no reverse)) 8HJ1 2008 ELECTRICAL 1 Diagram
#
Description
Price
1
ENGINE CONTROL UNIT ASSY
8GL-8591A-00-00
Unavailable
10
LEAD WIRE ASSY
8GL-81515-00-00
Unavailable
15
WIRE HARNESS ASSY
8GL-82590-00-00
Unavailable
16
SLOW BLOW FUSE
JR9-82151-00-00
Unavailable
17
. FUSE (10A)
67F-82151-40-00
Unavailable
18
FUSE
5JJ-82151-20-00
Unavailable
19
. FUSE (3A)
67F-82151-30-00
Unavailable
20
DIODE ASSY
4WA-81980-00-00
Unavailable
21
BRACKET
8FA-83614-00-00
Unavailable
22
COVER
8GL-8252U-00-00
Unavailable
23
RELAY ASSY
5DM-81950-01-00
Unavailable
24
RELAY ASSY (8FP-01)
8FP-81950-01-00
Unavailable
25
HOLDER, RELAY
8GL-81952-00-00
Unavailable
26
RIVET
90269-08006-00
Unavailable
29
CLAMP
90464-13077-00
Unavailable
30
MAIN SWITCH ASSY
8GL-82510-00-00
Unavailable
31
SENSOR, SPEED
8GL-83755-00-00
Unavailable
32
COVER 2
8GC-2198G-00-00
Unavailable
34
CLAMP(3XW)
90464-35132-00
Unavailable
