- Partiron
- OEM Parts
- Yamaha
- snowmobile
- 2013
- FX10RTRSDL (FX NYTRO RTX) 8HK90 2013
TRACK DRIVE 3
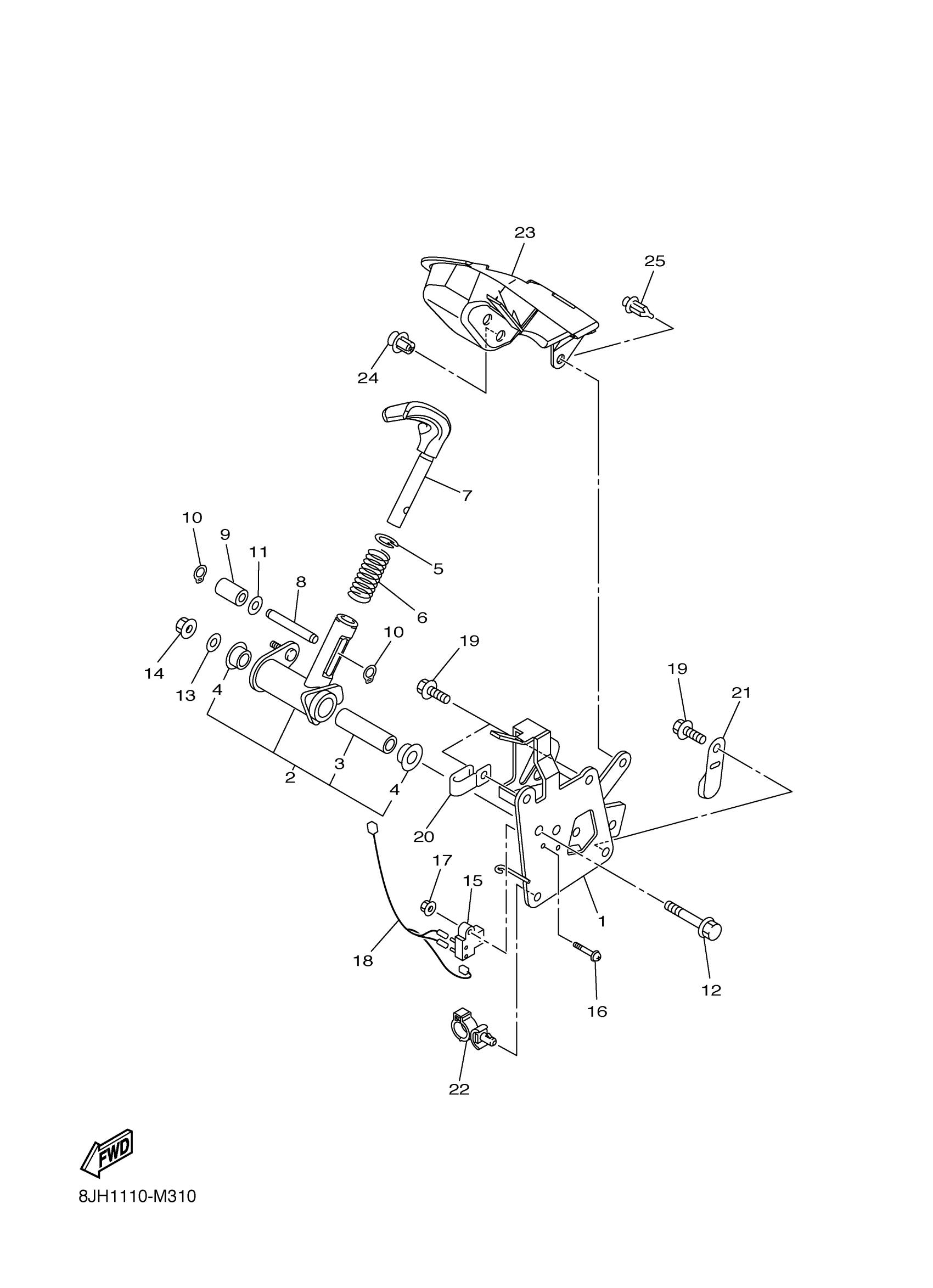
Yamaha FX10RTRSDL (FX NYTRO RTX) 8HK90 2013 TRACK DRIVE 3 Diagram
#
Description
Price
1
GUIDE, PLATE STOPPER
8GL-18161-01-00
Unavailable
2
ARM, SHIFT
8GL-18112-00-00
Unavailable
6
SPRING, COMPRESSION
90501-130A2-00
Unavailable
8
PIN (8FA1)
90249-06002-00
Unavailable
16
SCREW, BINDING
98907-04020-00
Unavailable
17
NUT, U (7LY)
95617-04100-00
Unavailable
18
WIRE, LEAD
8GL-82541-10-00
Unavailable
19
BOLT, FLANGE
95022-08016-00
Unavailable
20
CLAMP
90462-10022-00
Unavailable
21
CAP, BOLT
8GL-23469-00-00
Unavailable
22
CLAMP
90464-16011-00
Unavailable
23
COVER
8GL-47716-00-00
Unavailable
24
RIVET
90269-08006-00
Unavailable
25
RIVET
90269-07012-00
Unavailable
