- Partiron
- OEM Parts
- Yamaha
- snowmobile
- 2009
- FX10MTRYW (FX NYTRO MTX) 8HA90 2009
ELECTRICAL 1
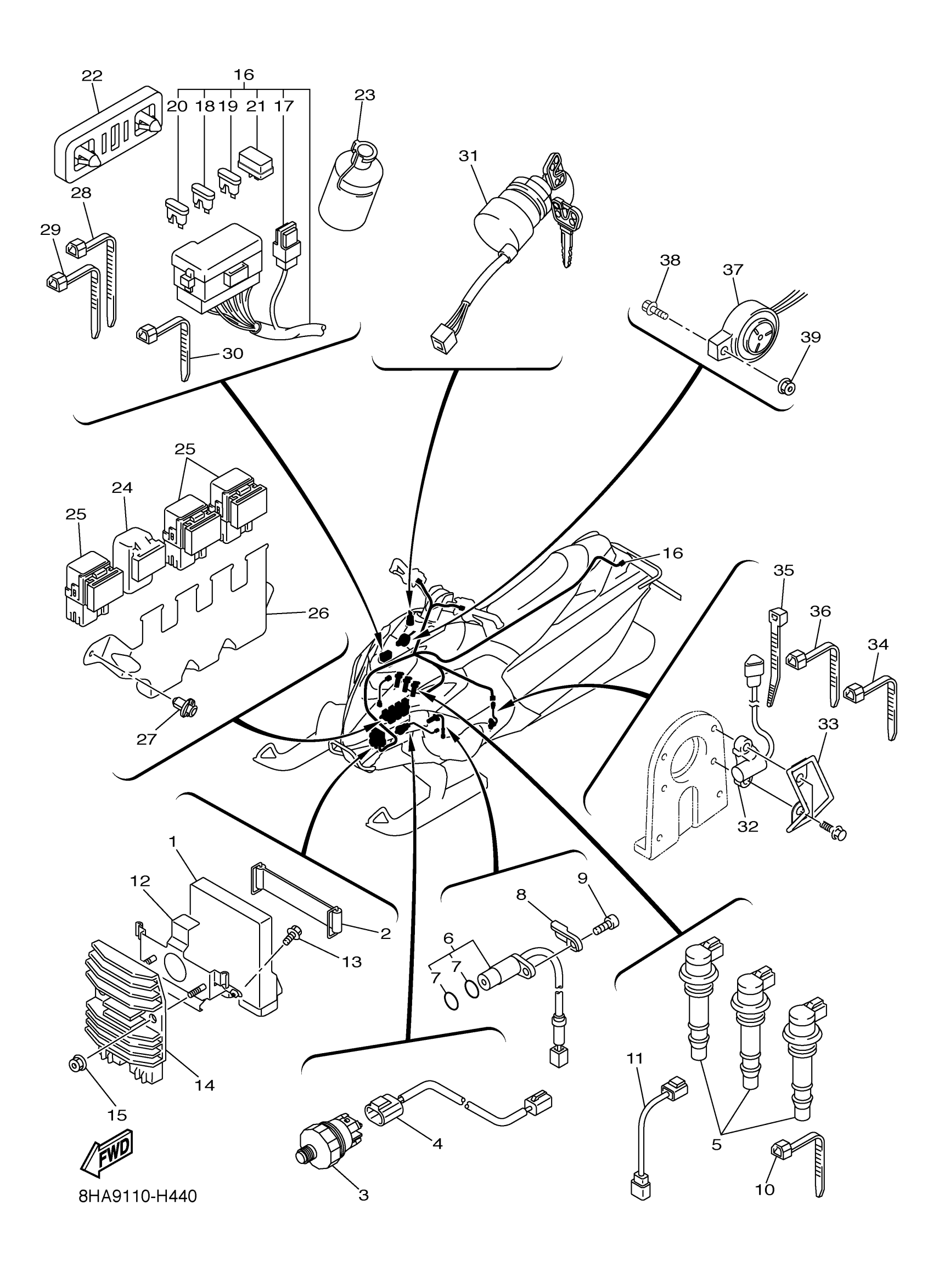
Yamaha FX10MTRYW (FX NYTRO MTX) 8HA90 2009 ELECTRICAL 1 Diagram
#
Description
Price
1
ENGINE CONTROL UNIT ASSY
8HA-8591A-00-00
Unavailable
11
LEAD WIRE ASSY
8GL-81515-00-00
Unavailable
16
WIRE HARNESS ASSY
8HA-82590-01-00
Unavailable
17
SLOW BLOW FUSE
JR9-82151-00-00
Unavailable
18
. FUSE (10A)
67F-82151-40-00
Unavailable
19
FUSE
5JJ-82151-20-00
Unavailable
20
. FUSE (3A)
67F-82151-30-00
Unavailable
21
DIODE ASSY
4WA-81980-00-00
Unavailable
22
BRACKET
8FA-83614-00-00
Unavailable
23
COVER
8GL-8252U-00-00
Unavailable
24
RELAY ASSY
5DM-81950-01-00
Unavailable
25
RELAY ASSY (8FP-01)
8FP-81950-01-00
Unavailable
26
HOLDER, RELAY
8GL-81952-00-00
Unavailable
27
RIVET
90269-08006-00
Unavailable
30
CLAMP
90464-13077-00
Unavailable
31
MAIN SWITCH ASSY
8GL-82510-00-00
Unavailable
32
SENSOR, SPEED
8GL-83755-00-00
Unavailable
33
COVER 2
8GC-2198G-00-00
Unavailable
35
CLAMP(3XW)
90464-35132-00
Unavailable
37
BUZZER
8GL-83383-00-00
Unavailable
38
SCREW, WITH WASHER
90159-05035-00
Unavailable
39
NUT, FLANGE
95702-05500-00
Unavailable
