ELECTRICAL 3
#
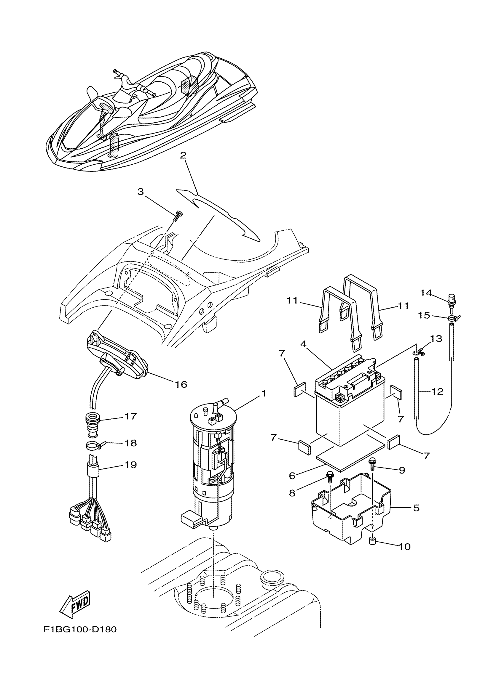
1
60E-13907-0X-00
Unavailable
2
F1S-64174-10-00
Unavailable
3
90111-05009-00
Unavailable
4
EU0-82110-08-00
Unavailable
5
GP7-U8211-00-00
Unavailable
6
F1S-U8221-00-00
Unavailable
8
90119-069US-00
Unavailable
9
90119-06820-00
Unavailable
10
F1B-6821G-01-00
Unavailable
11
EU0-U821D-00-00
Unavailable
12
F0D-U785G-11-00
Unavailable
13
90467-089U1-00
Unavailable
14
GJ3-6215F-00-00
Unavailable
15
90465-10098-00
Unavailable
16
F1B-6820A-10-00
Unavailable
17
GU2-6822E-01-00
Unavailable
18
90601-200U1-00
Unavailable
19
GJ1-U7578-12-00
Unavailable
Edit ride
