- Partiron
- OEM Parts
- Polaris
- SNOW
- SNO
- 2007
- FST IQ CRUISER - S07PY7FS/FE
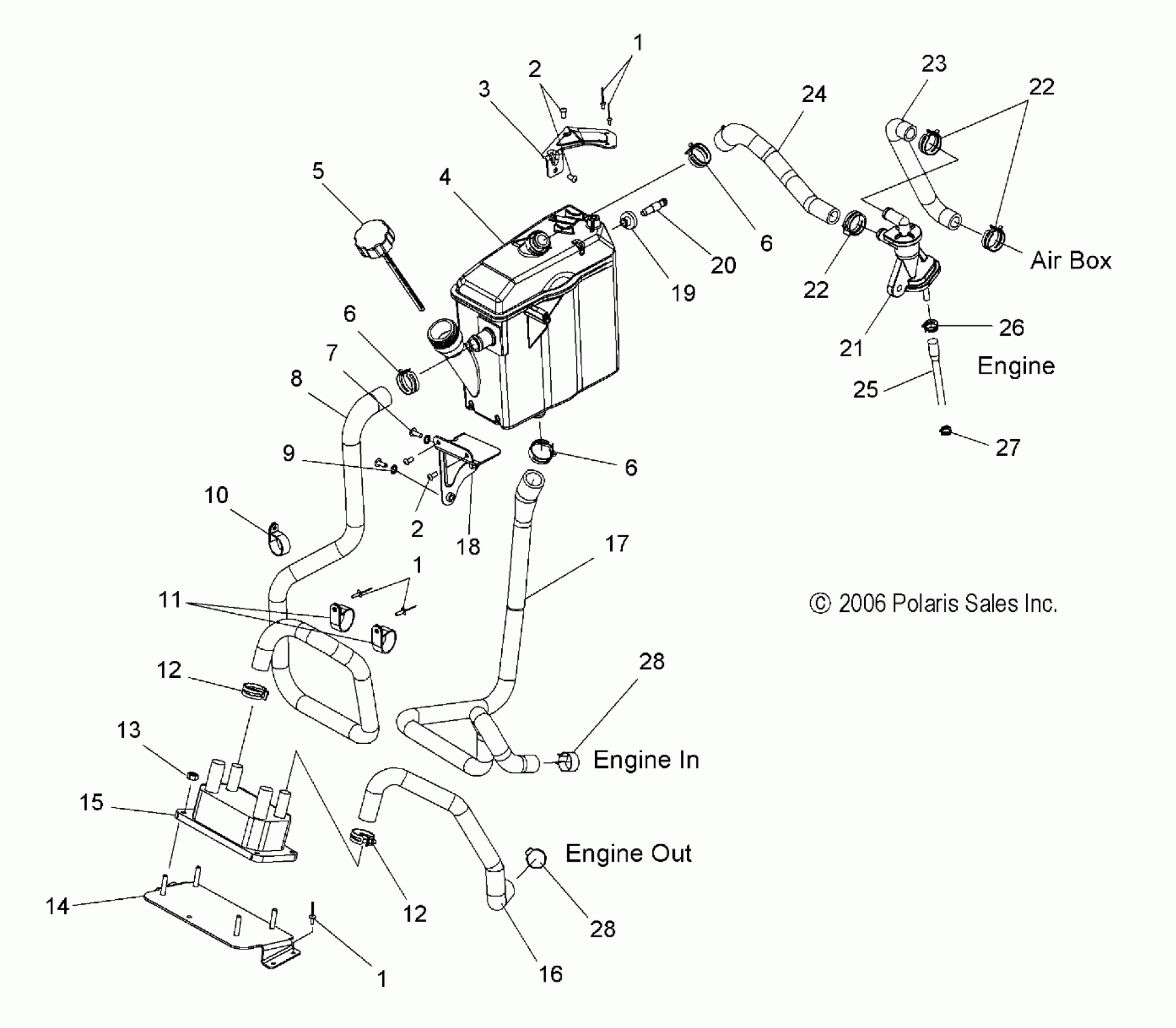
OIL COOLING SYSTEM - S07PY7FS/FE (49SNOWOILTANKFSTOUR)
Polaris FST IQ CRUISER - S07PY7FS/FE OIL COOLING SYSTEM - S07PY7FS/FE (49SNOWOILTANKFSTOUR) Diagram
#
Description
Price
3
BRACKET, OIL BOTTLE, UPPER
5247452
Unavailable
5
CAP, DIPSTICK, OIL
1240185
Unavailable
15
Cooler, Oil
1240312
Unavailable
23
LINE, OIL CENTRIFUGE/PLENUM
5412721
Unavailable
24
HOSE, OIL BOTTLE VENT
5412583
Unavailable
