- Partiron
- OEM Parts
- Polaris
- Watercraft
- PWC
- 2002
- FREEDOM - W025297D
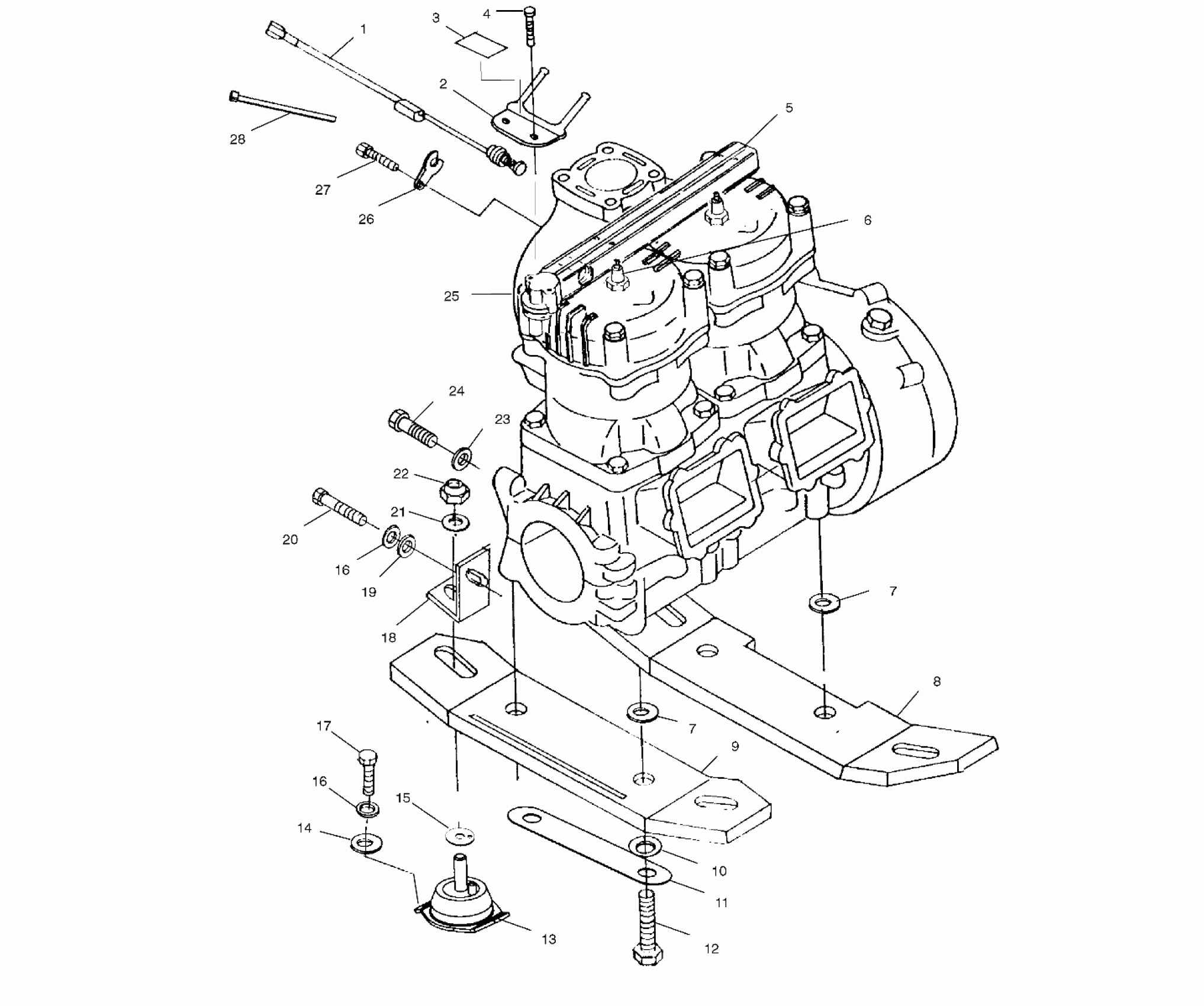
ENGINE MOUNTING - W025297D/W025297I (4975477547B04)
Polaris FREEDOM - W025297D ENGINE MOUNTING - W025297D/W025297I (4975477547B04) Diagram
#
Description
Price
1
Asm., Temperature Switch
2410187
Unavailable
2
Ground, Spark Plug
5242488
Unavailable
4
Screw
7515149
Unavailable
5
DECAL, WARNING [SEE CYLINDER AND MANIFOLD PG. C2, REF. 1]
-------
Unavailable
6
SPARK PLUG, NGK BPR8ES [SEE CYLINDER AND MANIFOLD PG. C2, REF. 5]
-------
Unavailable
7
Washer, Flat
7556184
Unavailable
7
Washer, Flat
7556184
Unavailable
8
Plate, Front Mount
5631166-329
Unavailable
9
Plate, Rear Mount
5631167-329
Unavailable
10
Washer, Flat
7556170
Unavailable
11
Lock, Plate
5245460
Unavailable
12
Screw
7517330
Unavailable
13
Mount, Engine
3021254
Unavailable
14
Washer
7555866
Unavailable
15
Shim, Engine Mount
5211727
Unavailable
16
Washer, Lock
7552610
Unavailable
16
Washer, Lock
7552610
Unavailable
17
Screw
7517627
Unavailable
18
Bracket, Rear Muffler
1060142
Unavailable
19
Washer, Flat
7555835
Unavailable
20
Screw
7515357
Unavailable
21
Washer, Flat
7555848
Unavailable
22
Nut, Nylok
7542725
Unavailable
23
Washer, Lock
7556055
Unavailable
25
Kit, Short Block NOTE: The Short Block assembly contains a crankcase assembly, cylinder, and cylinder head assembly.
2202071
Unavailable
26
Clip, Retainer
5240876
Unavailable
