Formula III 600/700/800, 1999
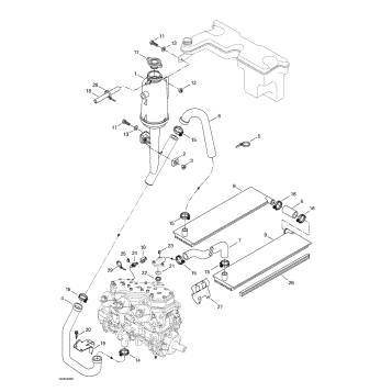
01- Cooling System
01- Crankcase, Reed Valve, Water Pump (599, 699)
01- Crankcase, Reed Valve, Water Pump (809)
01- Crankshaft And Pistons (599, 699)
01- Crankshaft And Pistons (809)
01- Cylinder, Exhaust Manifold (599)
01- Cylinder, Exhaust Manifold (699)
01- Cylinder, Exhaust Manifold (809)
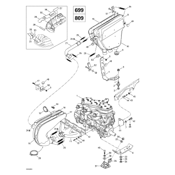
01- Engine Support And Muffler (599)
01- Engine Support And Muffler (699, 809)
02- Air Intake System
02- Carburetors (599, 699)
02- Carburetors (809)
02- Fuel System
02- Oil Tank
03- Ignition Housing Oil Pump
03- Magneto 12V 290W
04- Rewind Starter
05- Chaincase
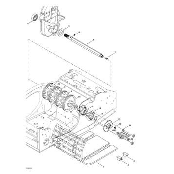
05- Drive Axle And Track
05- Drive Pulley
05- Driven Pulley
06- Hydraulic Brake And Belt Guard
07- Front Suspension And Ski
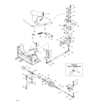
07- Steering System
08- Front Arm, Rear Suspension
08- Rear Arm, Rear Suspension
08- Rear Suspension
09- Bottom Pan
09- Cab, Console
09- Decals
09- Frame And Accessories
09- Seat And Accessories
10- Electrical Accessories
10- Electrical System
Fuel Your Passion
Parts That Keep You Riding
Edit ride