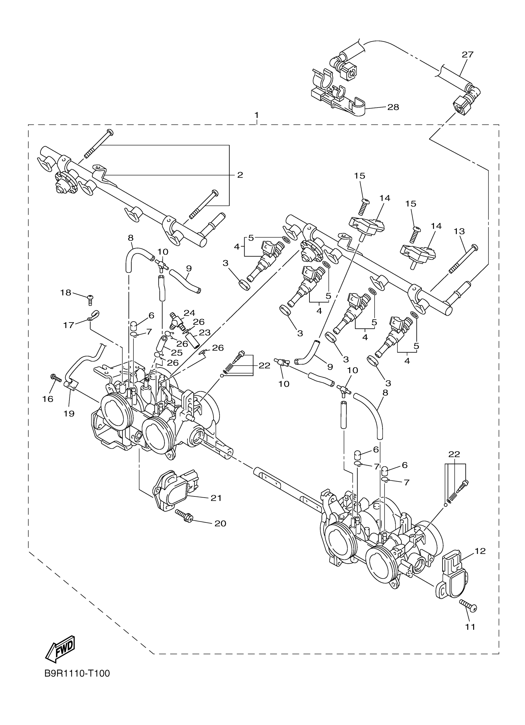
Yamaha FJR13PMW (FJR1300 POLICE) B9R4 2021 INTAKE 2 Diagram
#
Description
Price
1
THROTTLE BODY ASSY
1MC-13750-12-00
Unavailable
2
PIPE, INL.
1MC-1393A-00-00
Unavailable
8
HOSE, VACUUM SENSING 3
6BH-13532-00-00
Unavailable
9
HOSE, VACUUM SENSING 4
6P2-13533-00-00
Unavailable
10
. PIPE, JOINT 1
68V-24376-00-00
Unavailable
12
THROTTLE SENSOR AS
2S3-85885-01-00
Unavailable
16
SCREW
1MC-14216-00-00
Unavailable
17
CLAMP, WIRE HARNESS 1
1MC-21335-00-00
Unavailable
18
SCREW
6H4-14567-09-00
Unavailable
19
SWITCH ASSY
1MC-81860-01-00
Unavailable
20
SCREW
5FL-14216-00-00
Unavailable
21
ACCELERATOR SENSOR
1MC-85884-01-00
Unavailable
22
PILOT SCREW SET
2C0-14105-00-00
Unavailable
23
PIPE
14B-14465-00-00
Unavailable
24
WAY 3
90413-06031-00
Unavailable
25
PIPE
14B-14466-00-00
Unavailable
26
CLIP
90467-100A1-00
Unavailable
27
PIPE, FUEL 1
5JW-13971-10-00
Unavailable
28
CLAMP
90464-16005-00
Unavailable
