- Partiron
- OEM Parts
- Yamaha
- motorcycle
- 2023
- FJR13ESPC (FJR1300ES CA) BNP7 2023
REAR SUSPENSION
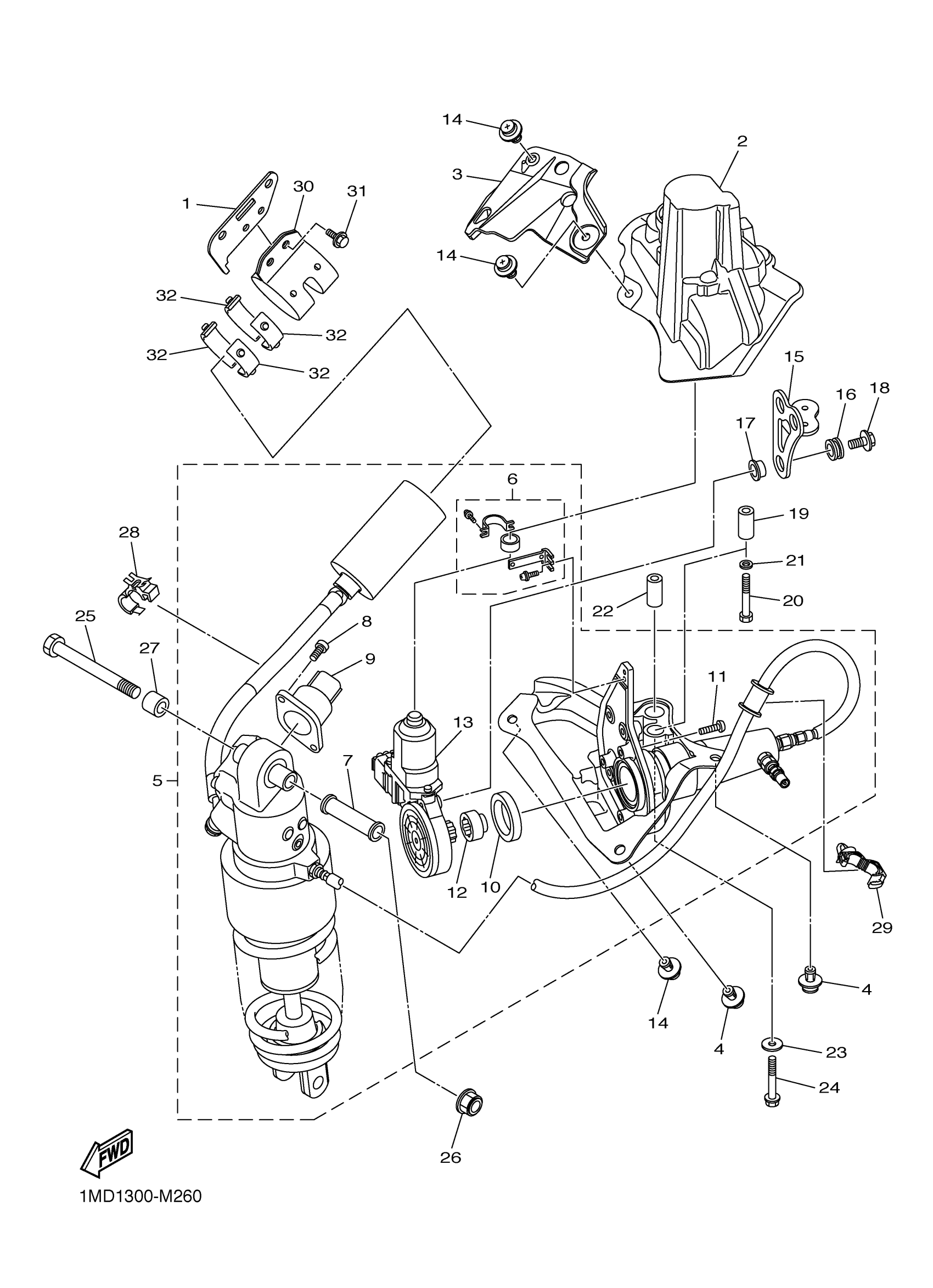
Yamaha FJR13ESPC (FJR1300ES CA) BNP7 2023 REAR SUSPENSION Diagram
#
1
BRKT
1MD-27333-01-00
Unavailable
2
COVER
1MD-2117F-00-00
Unavailable
3
COVER 3
1MD-2117N-01-00
Unavailable
6
BOLT STAY SET
1MD-2221A-00-00
Unavailable
7
BUSH, REAR SHOCK ABSORBER
1MD-22216-00-00
Unavailable
8
BOLT 2
1MD-22242-00-00
Unavailable
9
STEPPER MOTOR
1MD-85801-00-00
Unavailable
10
RING, COVER
1MD-22215-00-00
Unavailable
11
BOLT 1
1MD-22241-00-00
Unavailable
12
COLLAR
1MD-2222A-00-00
Unavailable
13
MOTOR COMP.
1MD-86231-00-00
Unavailable
15
BRACKET
1MD-27332-01-00
Unavailable
16
GROMMET
90480-14003-00
Unavailable
17
COLLAR
90387-06125-00
Unavailable
18
BOLT, WITH WASHER
90119-06147-00
Unavailable
19
COLLAR (8U7)
90387-105G5-00
Unavailable
20
BOLT, HEXAGON
97017-06045-00
Unavailable
21
WASHER(6TA)
92907-06600-00
Unavailable
22
COLLAR (8U7)
90387-105G5-00
Unavailable
23
WASHER, PLATE
90201-06085-00
Unavailable
24
BOLT, FLANGE
95817-06045-00
Unavailable
25
BOLT
90101-12044-00
Unavailable
26
NUT, SELF-LOCKING
95602-12200-00
Unavailable
27
COLLAR
90387-12028-00
Unavailable
28
CLAMP(4HM)
90464-15192-00
Unavailable
29
CLAMP
90464-14012-00
Unavailable
30
HOLDER, SUB TANK
1MD-22262-01-00
Unavailable
31
BOLT, FLANGE
95817-06014-00
Unavailable
32
DAMPER, SUB TANK
24X-22261-00-00
Unavailable
