- Partiron
- OEM Parts
- Yamaha
- motorcycle
- 2018
- FJR13ESJL (FJR1300ES) B96D 2018
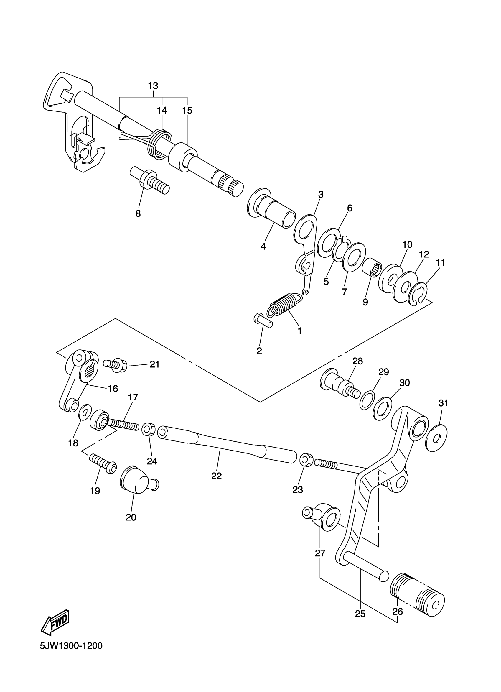
SHIFT SHAFT
Yamaha FJR13ESJL (FJR1300ES) B96D 2018 SHIFT SHAFT Diagram
#
Description
Price
3
STOPPER LEVER ASSY
5JW-18140-00-00
Unavailable
4
COLLAR(3MA)
90387-127V3-00
Unavailable
8
STOPPER, SCREW
5VK-18127-00-00
Unavailable
13
SHIFT SHAFT ASSY
B88-18101-00-00
Unavailable
16
ARM, SHIFT
5JW-18112-01-00
Unavailable
17
JOINT, ROD 1
5LV-18116-00-00
Unavailable
18
WASHER, PLATE(3SX)
90201-062P7-00
Unavailable
19
BOLT, BUTTON HEAD
92012-06020-00
Unavailable
20
COVER, DUST
4XV-18154-00-00
Unavailable
21
BOLT, FLANGE
95817-06020-00
Unavailable
22
ROD, SHIFT
5JW-18115-00-00
Unavailable
23
NUT
90170-06023-00
Unavailable
24
NUT(650)
95380-06700-00
Unavailable
25
SHIFT PEDAL ASSY
5JW-18110-00-00
Unavailable
26
COVER, SHIFT PEDAL
5EB-18113-00-00
Unavailable
27
COVER, DUST
5JW-18154-00-00
Unavailable
28
BOLT
5JW-27434-10-00
Unavailable
29
WASHER, WAVE (17W)
90206-12074-00
Unavailable
30
WASHER, PLATE
90201-12051-00
Unavailable
31
WASHER, PLATE (24Y)
90201-080H1-00
Unavailable
