- Partiron
- OEM Parts
- Yamaha
- motorcycle
- 2016
- FJR13ESGC (FJR1300ES CA) B964 2016
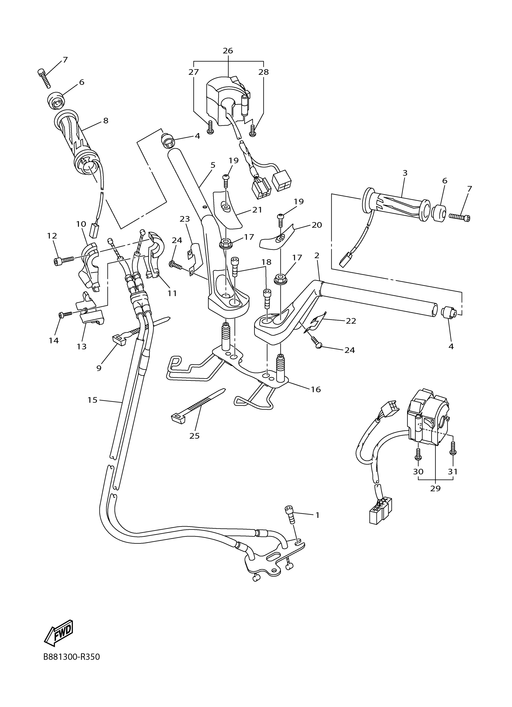
STEERING HANDLE CABLE
Yamaha FJR13ESGC (FJR1300ES CA) B964 2016 STEERING HANDLE CABLE Diagram
#
Description
Price
5
HANDLEBAR (RIGHT)
1MC-26122-00-00
Unavailable
9
CLAMP
90465-10098-00
Unavailable
14
SCREW BINDING HEAD (+)
98902-03010-00
Unavailable
15
THROTTLE CABLE ASSY
1MC-26302-01-00
Unavailable
16
ADJUSTER
1MC-26169-00-00
Unavailable
17
95702-12500
95702-12500-00
Unavailable
18
91312-08030
91312-08030-00
Unavailable
19
BOLT,HEX. SOCKET BUTTON
90111-04006-00
Unavailable
20
COVER, HAND UPPER 1
3P6-26143-10-00
Unavailable
21
COVER, HAND UPPER 2
3P6-26145-10-00
Unavailable
22
COVER, HANDLEBAR LOWER 1
3P6-26144-10-00
Unavailable
23
COVER, HANDLEBAR LOWER 2
3P6-26146-10-00
Unavailable
24
SCREW, PAN HEAD(3LA)
98517-05010-00
Unavailable
25
CLAMP
90464-16061-00
Unavailable
26
SWITCH, HANDLE 3
1MC-83963-00-00
Unavailable
27
SCREW, PAN
98507-05035-00
Unavailable
28
SCREW, PAN
98507-05045-00
Unavailable
29
SWITCH, HANDLE 7
B88-83954-01-00
Unavailable
30
SCREW, PAN
98507-05040-00
Unavailable
31
SCREW, PAN HEAD
98507-05055-00
Unavailable
