- Partiron
- OEM Parts
- Yamaha
- motorcycle
- 2014
- FJR13ESER (FJR1300E) 2PD3 2014
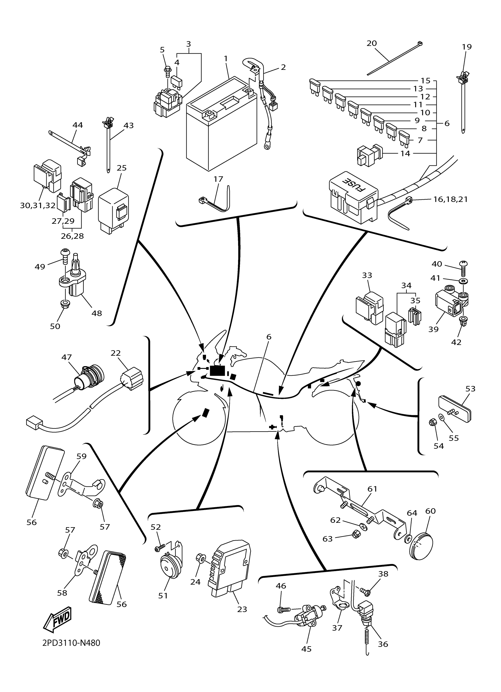
ELECTRICAL 2
Yamaha FJR13ESER (FJR1300E) 2PD3 2014 ELECTRICAL 2 Diagram
#
1
GT14B4 GS BATTERY - FA
GT1-4B400-00-00
Unavailable
2
WIRE, MINUS LEAD
1MC-82116-00-00
Unavailable
6
WIRE HARNESS ASSY
2PD-82590-10-00
Unavailable
7
. FUSE (3A)
67F-82151-30-00
Unavailable
9
. FUSE (10A)
67F-82151-40-00
Unavailable
10
FUSE (15A)
67F-82151-50-00
Unavailable
16
BAND
1UA-82591-00-00
Unavailable
17
CLAMP
90465-10098-00
Unavailable
18
BAND
1UA-82591-00-00
Unavailable
19
CLAMP(2TV)
90464-10112-00
Unavailable
20
CLAMP
5Y9-12491-00-00
Unavailable
21
CLAMP(4FM)
90464-15195-00
Unavailable
22
WIRE, SUB LEAD
1MC-82509-00-00
Unavailable
23
RECTIFIER & REGULATOR ASSY
1D7-81960-01-00
Unavailable
24
NUT, U FLANGE
95604-06200-00
Unavailable
25
RELAY ASSY
5VK-81950-33-00
Unavailable
26
RELAY ASSY (1ST-00)
1ST-81950-00-00
Unavailable
27
HOLDER, RELAY
5JJ-81952-00-00
Unavailable
28
RELAY ASSY (1ST-00)
1ST-81950-00-00
Unavailable
29
HOLDER, RELAY
5JJ-81952-00-00
Unavailable
30
RELAY ASSY
5DM-81950-01-00
Unavailable
31
RELAY ASSY
5DM-81950-01-00
Unavailable
32
RELAY ASSY
5DM-81950-01-00
Unavailable
33
RELAY ASSY
5DM-81950-01-00
Unavailable
34
RELAY ASSY
1TP-81950-00-00
Unavailable
35
HOLDER,RELAY
5EA-81952-00-00
Unavailable
36
STOP SWITCH ASSY
1MC-82530-02-00
Unavailable
37
STAY, STOP SWITCH
1MC-2144G-00-00
Unavailable
38
SCREW, BIND
98902-05008-00
Unavailable
39
SENSOR, LEAN ANGLE
5PS-82576-02-00
Unavailable
40
SCREW, TAPPING
97702-40025-00
Unavailable
41
WASHER, PLATE
90201-04030-00
Unavailable
42
NUT, ADJUSTING
4B4-84334-00-00
Unavailable
43
CLAMP(2TV)
90464-10112-00
Unavailable
44
CLAMP(4KJ)
90464-20213-00
Unavailable
45
SWITCH, SIDE STAND
1MC-82566-02-00
Unavailable
46
SCREW, PAN HEAD(JJ6)
98507-05016-00
Unavailable
47
TERMINAL COMP.
3P6-8254B-00-00
Unavailable
48
SENSOR, AIR TEMPERATURE
5YU-85886-00-00
Unavailable
49
BOLT, BUTTON HEAD
92012-05014-00
Unavailable
50
NUT, FLANGE
95702-05500-00
Unavailable
51
HORN
1MC-83371-00-00
Unavailable
52
BOLT, BUTTON HEAD
92012-06010-00
Unavailable
53
REAR REFLECTOR ASSY
3Y6-85130-02-00
Unavailable
54
NUT, U
95617-05100-00
Unavailable
55
WASHER, PLATE
90201-05043-00
Unavailable
56
FRONT REFLECTOR ASSY
11H-85110-01-00
Unavailable
57
NUT, FLANGE
95702-05500-00
Unavailable
58
BRACKET, REFLECTOR 1
2PD-85112-00-00
Unavailable
59
BRACKET, REFLECTOR 2
2PD-85122-00-00
Unavailable
60
REFLECTOR, REAR 1
449-85131-02-00
Unavailable
61
BRACKET, LICENSE
5JW-84751-00-00
Unavailable
62
WASHER, PLATE
90201-06380-00
Unavailable
63
NUT, SELF-LOCKING
95617-06100-00
Unavailable
64
WASHER, PLATE (4H7)
90201-061A5-00
Unavailable
