- Partiron
- OEM Parts
- Yamaha
- motorcycle
- 2018
- FJR13AJL (FJR1300A) B88E 2018
ELECTRICAL 2
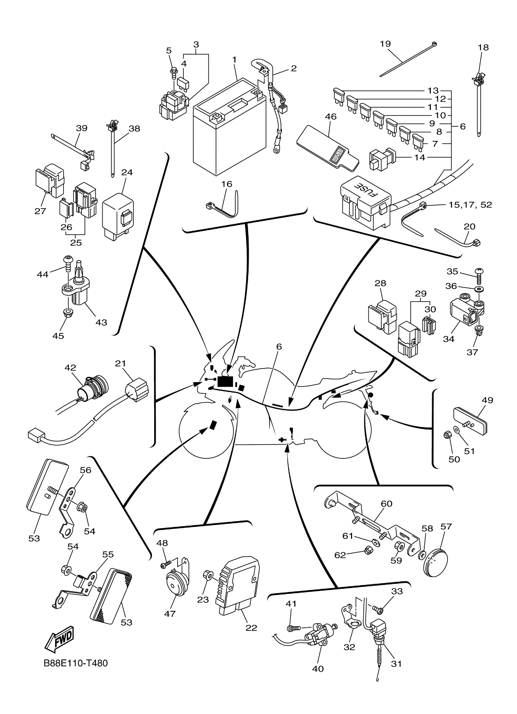
Yamaha FJR13AJL (FJR1300A) B88E 2018 ELECTRICAL 2 Diagram
#
1
GT14B4 GS BATTERY - FA
GT1-4B400-00-00
Unavailable
2
WIRE, MINUS LEAD
1MC-82116-00-00
Unavailable
6
WIRE HARNESS ASSY
B88-82590-10-00
Unavailable
7
. FUSE (3A)
67F-82151-30-00
Unavailable
9
. FUSE (10A)
67F-82151-40-00
Unavailable
10
FUSE (15A)
67F-82151-50-00
Unavailable
16
CLAMP
90465-10098-00
Unavailable
18
CLAMP(2TV)
90464-10112-00
Unavailable
19
CLAMP
5Y9-12491-00-00
Unavailable
20
CLAMP(4FM)
90464-15195-00
Unavailable
21
WIRE, SUB LEAD
1MC-82509-00-00
Unavailable
22
RECTIFIER & REGULATOR ASSY
1D7-81960-01-00
Unavailable
23
NUT, U FLANGE
95604-06200-00
Unavailable
24
RELAY ASSY
5VK-81950-33-00
Unavailable
25
RELAY ASSY (1ST-00)
1ST-81950-00-00
Unavailable
26
HOLDER, RELAY
5JJ-81952-00-00
Unavailable
27
RELAY ASSY
5DM-81950-01-00
Unavailable
28
RELAY ASSY
5DM-81950-01-00
Unavailable
29
RELAY ASSY
1TP-81950-00-00
Unavailable
30
HOLDER,RELAY
5EA-81952-00-00
Unavailable
31
STOP SWITCH ASSY
1MC-82530-02-00
Unavailable
32
STAY, STOP SWITCH
1MC-2144G-00-00
Unavailable
33
SCREW, BIND
98902-05008-00
Unavailable
34
SENSOR, LEAN ANGLE
5PS-82576-02-00
Unavailable
35
SCREW, TAPPING
97702-40025-00
Unavailable
36
WASHER, PLATE
90201-04030-00
Unavailable
37
NUT, ADJUSTING
4B4-84334-00-00
Unavailable
38
CLAMP(2TV)
90464-10112-00
Unavailable
39
CLAMP(4KJ)
90464-20213-00
Unavailable
40
SWITCH, SIDE STAND
1MC-82566-02-00
Unavailable
41
SCREW, PAN HEAD(JJ6)
98507-05016-00
Unavailable
42
TERMINAL COMP.
3P6-8254B-00-00
Unavailable
43
SENSOR, AIR TEMPERATURE
5YU-85886-00-00
Unavailable
44
BOLT, BUTTON HEAD
92012-05014-00
Unavailable
45
NUT, FLANGE
95702-05500-00
Unavailable
46
PROTECTER, WIRE HA
2D1-82589-02-00
Unavailable
47
HORN
B88-83371-00-00
Unavailable
48
BOLT, BUTTON HEAD
92012-06010-00
Unavailable
49
REAR REFLECTOR ASSY
3Y6-85130-02-00
Unavailable
50
NUT, U
95617-05100-00
Unavailable
51
WASHER, PLATE
90201-05043-00
Unavailable
53
FRONT REFLECTOR ASSY
11H-85110-01-00
Unavailable
54
NUT, FLANGE
95702-05500-00
Unavailable
55
BRACKET, REFLECTOR 1
3P6-85112-10-00
Unavailable
56
BRACKET, REFLECTOR 2
3P6-85122-01-00
Unavailable
57
REFLECTOR, REAR 1
449-85131-02-00
Unavailable
58
WASHER, PLATE (4H7)
90201-061A5-00
Unavailable
59
NUT, FLANGE
95702-05500-00
Unavailable
60
BRACKET, LICENSE
B88-84751-00-00
Unavailable
61
WASHER, PLATE
90201-06380-00
Unavailable
62
NUT, SELF-LOCKING
95617-06100-00
Unavailable
