- Partiron
- OEM Parts
- Yamaha
- motorcycle
- 2006
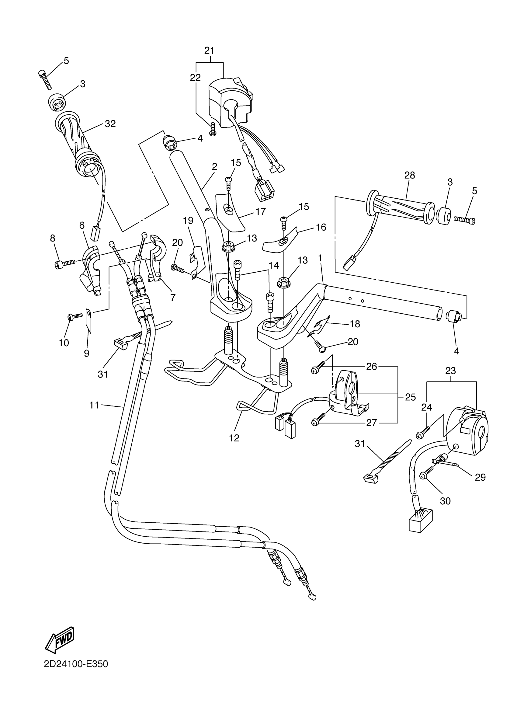
- FJR13AEVC (FJR13 CA Electric Shift) 2D25 2006
STEERING HANDLE CABLE
Yamaha FJR13AEVC (FJR13 CA Electric Shift) 2D25 2006 STEERING HANDLE CABLE Diagram
#
Description
Price
1
HANDLEBAR (LEFT)
2D2-26121-00-00
Unavailable
2
HANDLEBAR (RIGHT)
2D2-26122-00-00
Unavailable
6
CAP, GRIP UPPER
2D2-26281-00-00
Unavailable
12
ADJUSTER
3P6-26169-00-00
Unavailable
16
COVER, HANDLEBAR UPPER 1
3P6-26143-01-00
Unavailable
17
COVER, HANDLEBAR UPPER 2
3P6-26145-01-00
Unavailable
18
COVER, HANDLEBAR LOWER 1
3P6-26144-00-00
Unavailable
19
COVER, HANDLEBAR LOWER 2
3P6-26146-00-00
Unavailable
20
SCREW, PAN HEAD(3LA)
98517-05010-00
Unavailable
21
SWITCH, HANDLE 3 (RIGHT)
3P6-83963-00-00
Unavailable
22
SCREW, PAN
98507-05045-00
Unavailable
23
SWITCH, HANDLE 4
2D2-83972-00-00
Unavailable
24
SCREW, PAN HEAD(4MY)
98507-05025-00
Unavailable
25
SWITCH, HANDLE 3
2D2-83973-00-00
Unavailable
26
SCREW, PAN HEAD
98517-05020-00
Unavailable
27
SCREW, PAN
98507-05035-00
Unavailable
28
GRIP, WARMER (LEFT)
2D2-82963-10-00
Unavailable
29
PLATE,GUIDE1
2D2-8272F-00-00
Unavailable
30
SCREW, PAN
98507-05035-00
Unavailable
31
CLAMP
90465-10098-00
Unavailable
32
GRIP, WARMER
2D2-82960-00-00
Unavailable
