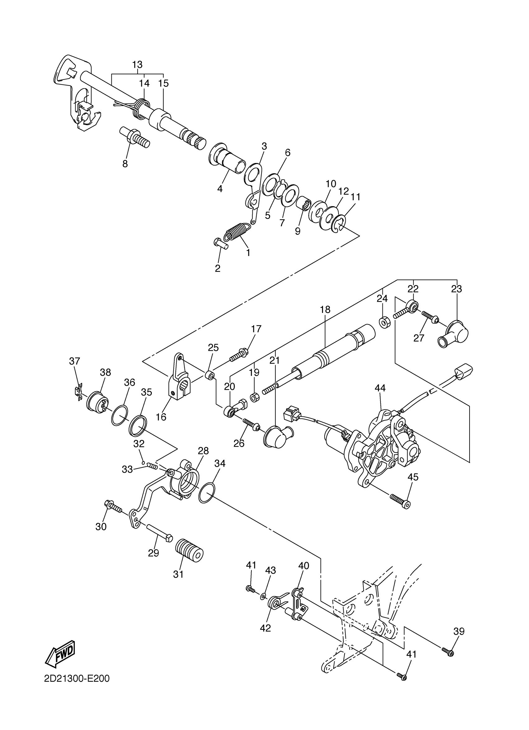
Yamaha FJR13AEVC (FJR13 CA Electric Shift) 2D25 2006 SHIFT SHAFT Diagram
#
1
HANGER, SPRING
2D2-18144-00-00
Unavailable
3
STOPPER LEVER ASSY
5JW-18140-00-00
Unavailable
4
COLLAR(3MA)
90387-127V3-00
Unavailable
8
STOPPER, SCREW
5VK-18127-00-00
Unavailable
16
ARM, SHIFT
2D2-18112-00-00
Unavailable
17
BOLT, FLANGE
95022-06020-00
Unavailable
18
SHIFTER ROD ASSY
2D2-18410-00-00
Unavailable
19
NUT(650)
95380-06700-00
Unavailable
20
JOINT, ROD 1
5VX-18116-00-00
Unavailable
21
COVER, DUST
5VX-18154-00-00
Unavailable
22
JOINT, ROD 2
2D2-18117-00-00
Unavailable
23
COVER, DUST
2D2-18154-00-00
Unavailable
24
NUT
90170-08261-00
Unavailable
25
COLLAR
90387-06133-00
Unavailable
26
BOLT, BUTTON
92017-06020-00
Unavailable
27
BOLT, BUTTON HEAD
92012-08020-00
Unavailable
28
PEDAL, SHIFT
2D2-18111-00-00
Unavailable
29
PEDAL, SHIFT
2D2-18162-00-00
Unavailable
30
BOLT, FLANGE
90105-06100-00
Unavailable
31
COVER, SHIFT PEDAL
5EB-18113-00-00
Unavailable
32
BALL
93501-04011-00
Unavailable
33
SPRING, COMPRESSION
90501-15001-00
Unavailable
34
WASHER, PLATE
90201-29013-00
Unavailable
35
WASHER, PLATE
90201-30014-00
Unavailable
36
WASHER, WAVE
90206-30001-00
Unavailable
37
HOLDER, PAWL
2D2-18181-00-00
Unavailable
38
COLLAR,SHIFT PEDAL
2D2-1811E-00-00
Unavailable
39
BOLT,HEX. SOCKET BUTTON
90111-08037-00
Unavailable
40
PLATE, 1
2D2-18691-00-00
Unavailable
41
BOLT, BUTTON HEAD(3JP)
92014-06012-00
Unavailable
42
SPRING, TORSION
90508-29022-00
Unavailable
43
WASHER, PLATE
90201-06013-00
Unavailable
44
SHIFT ACTUATOR ASSY
2D2-82450-01-00
Unavailable
45
BOLT, BUTTON HEAD
92012-08020-00
Unavailable
45
BOLT, BUTTON HEAD
92012-08025-00
Unavailable
