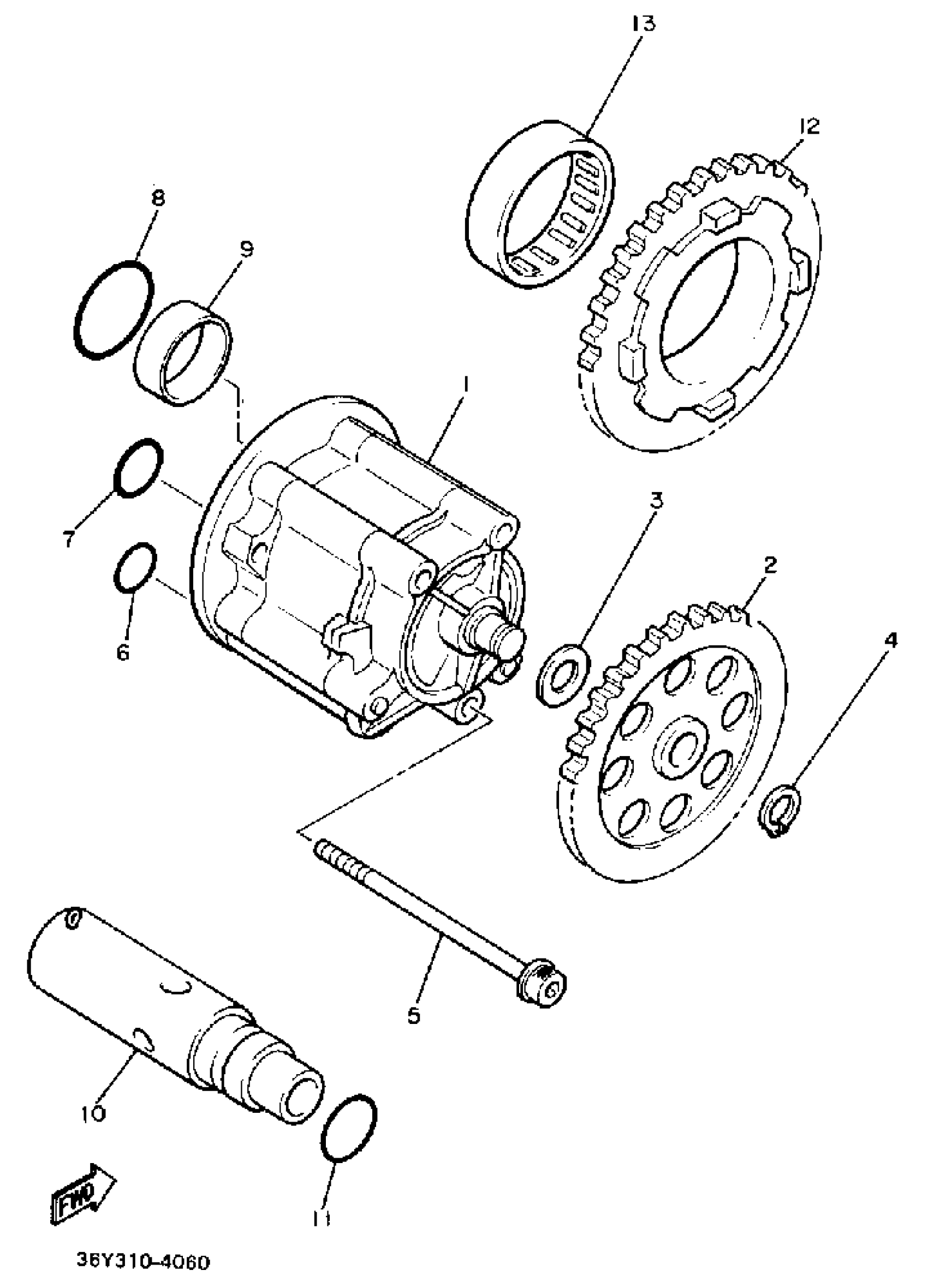
Yamaha FJ1200WC (FJ1200 CA) 1989 OIL PUMP Diagram
#
Description
Price
2
GEAR, PUMP DRIVEN
36Y-13325-00-00
Unavailable
9
PIN, DOWEL(36Y)
93626-08210-00
Unavailable
10
RELIEF VALVE ASSY
36Y-13490-00-00
Unavailable
12
GEAR, PUMP DRIVE
36Y-13324-00-00
Unavailable
