- Partiron
- OEM Parts
- Yamaha
- motorcycle
- 1987
- FJ1200TC (FJ1200 CA) 1987
ELECTRICAL 2
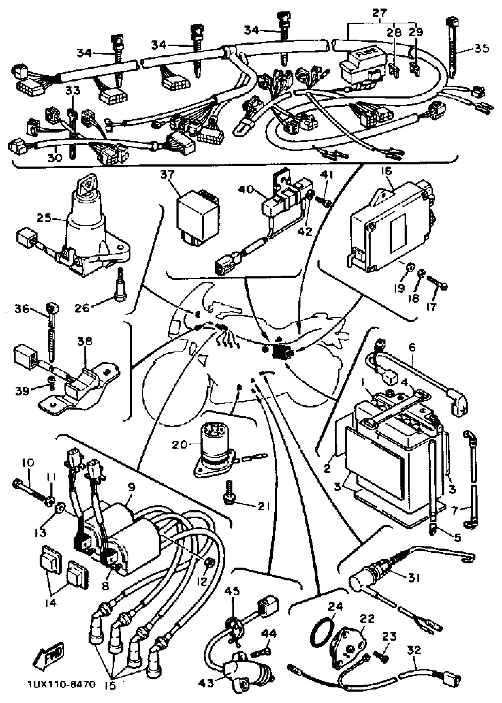
Yamaha FJ1200TC (FJ1200 CA) 1987 ELECTRICAL 2 Diagram
#
1
YB14LA2 YUASA BATTERY
YB1-4LA20-00-00
Unavailable
2
LABEL, BATTERY
40A-82141-G0-00
Unavailable
6
WIRE, PLUS LEAD
1TX-82115-00-00
Unavailable
7
WIRE, MINUS LEAD (J14-82116-00-00)
J56-H2116-00-00
Unavailable
8
IGNITION COIL ASSY
1AA-82310-09-00
Unavailable
9
IGNITION COIL ASSY
1AA-82310-09-00
Unavailable
10
BOLT(62J)
97013-06070-00
Unavailable
11
WASHER, SPRING
92995-06100-00
Unavailable
12
NUT, HEXAGON
95380-06600-00
Unavailable
14
DAMPER, IGNITION COIL
4U8-82317-00-00
Unavailable
16
IGNITOR UNIT ASY 1
1UX-82305-10-00
Unavailable
17
SCREW PAN HEAD
98580-06020-00
Unavailable
18
WASHER, SPRING
92995-06100-00
Unavailable
19
WASHER, PLAIN (646)
92990-06600-00
Unavailable
20
OIL LEVEL GAUGE ASSY
4H7-85720-02-00
Unavailable
21
BOLT, WASHER BASED(JA9)
90105-06696-00
Unavailable
22
NEUTRAL SWITCH ASSY
1L9-82540-00-00
Unavailable
23
SCREW, FLAT
98707-05012-00
Unavailable
24
O-RING (371)
93210-29196-00
Unavailable
25
MAIN SWITCH STEERING LOCK
3JV-82501-00-00
Unavailable
26
BOLT
97522-06516-00
Unavailable
27
WIRE HARNESS ASSEMBLY
1WJ-82590-00-00
Unavailable
28
FUSE (12V 15A)
36Y-82151-00-00
Unavailable
29
FUSE (12V 30A)
1AE-82151-00-00
Unavailable
30
WIRE HARNESS ASSEMBLY 2
1WJ-82580-00-00
Unavailable
31
STOP SWITCH ASSEMBLY
36Y-82530-02-00
Unavailable
32
WIRE, SUB LEAD
36Y-82509-00-00
Unavailable
33
BAND, SWITCH CORD
25G-83936-01-00
Unavailable
34
CLAMP
5Y9-12491-00-00
Unavailable
35
CLAMP(4FM)
90464-15195-00
Unavailable
36
CLAMP
(90465-13275-00)
Unavailable
37
CONTROL UNIT ASSEMBLY
1TX-85740-00-00
Unavailable
38
SWITCH
3TJ-83964-10-00
Unavailable
39
SCREW, BINDING (8J0)
90154-05005-00
Unavailable
40
RESISTOR ASSEMBLY
1TX-85370-00-00
Unavailable
41
SCREW PAN HEAD
98580-06010-00
Unavailable
42
WASHER, SPRING
92995-06100-00
Unavailable
43
SWITCH, SIDE STAND
33E-82566-00-00
Unavailable
44
SCREW, FLAT
98707-05016-00
Unavailable
45
CLAMP
90464-25267-00
Unavailable
