Partiron

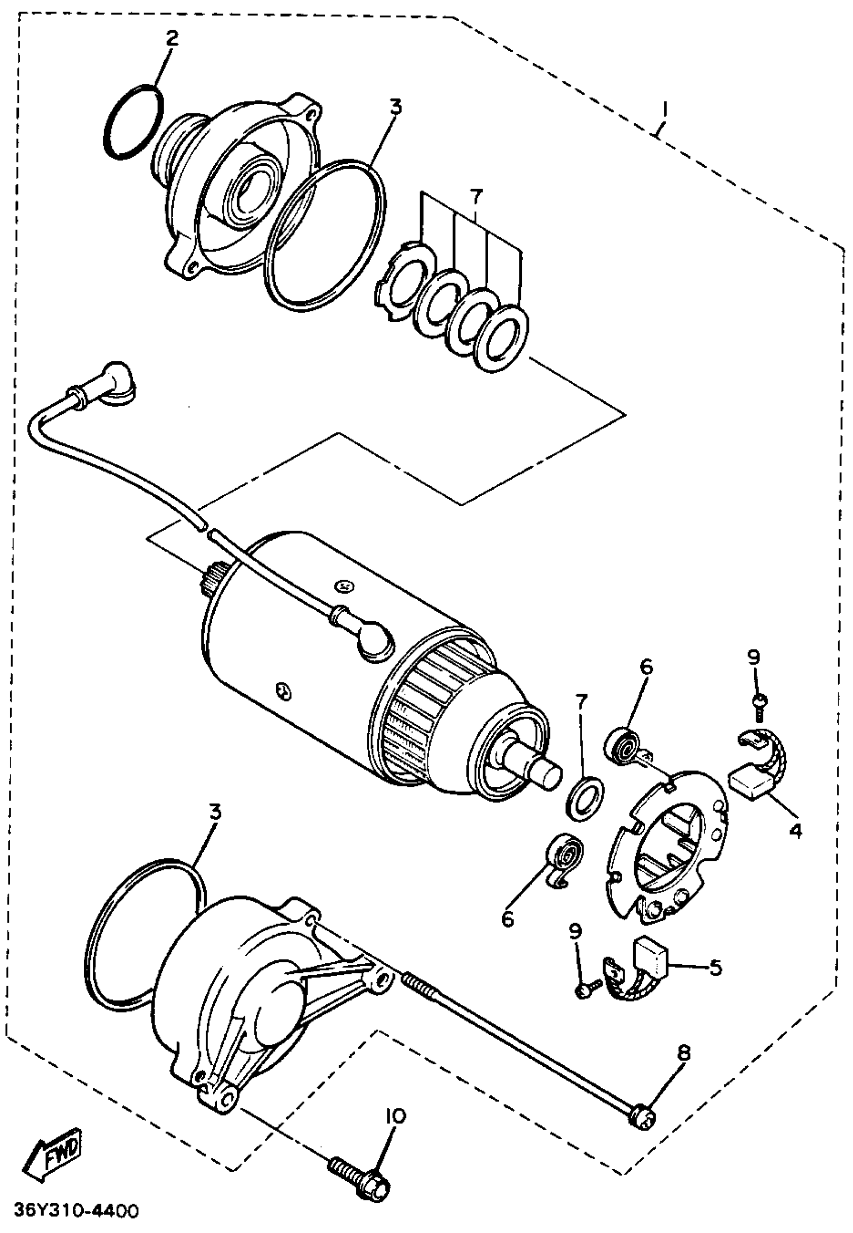
Yamaha FJ1200SC (FJ1200 CA) 1986 STARTING MOTOR Diagram

#

Description
Price

1

MOTOR ASSY

4KG-81890-00-00

Unavailable

2

O-RING (437)

93210-24235-00

$7.49

3

.. O-RING

371-81847-20-00

Unavailable

4

BRUSH 1

371-81811-20-00

Unavailable

5

BRUSH 2

371-81812-20-00

Unavailable

6

.. SPRING, BRUSH

371-81813-20-00

Unavailable

7

. WASHER KIT

36Y-81809-00-00

Unavailable

8

. UNAVAILABLE IN PRICE BOOK

[36-Y8182-60-0]

Unavailable

9

SCREW, PAN HEAD (J10)

98580-03008-00

$3.55

10

BOLT, SMALL FLANGE

95027-06025-00

$4.16