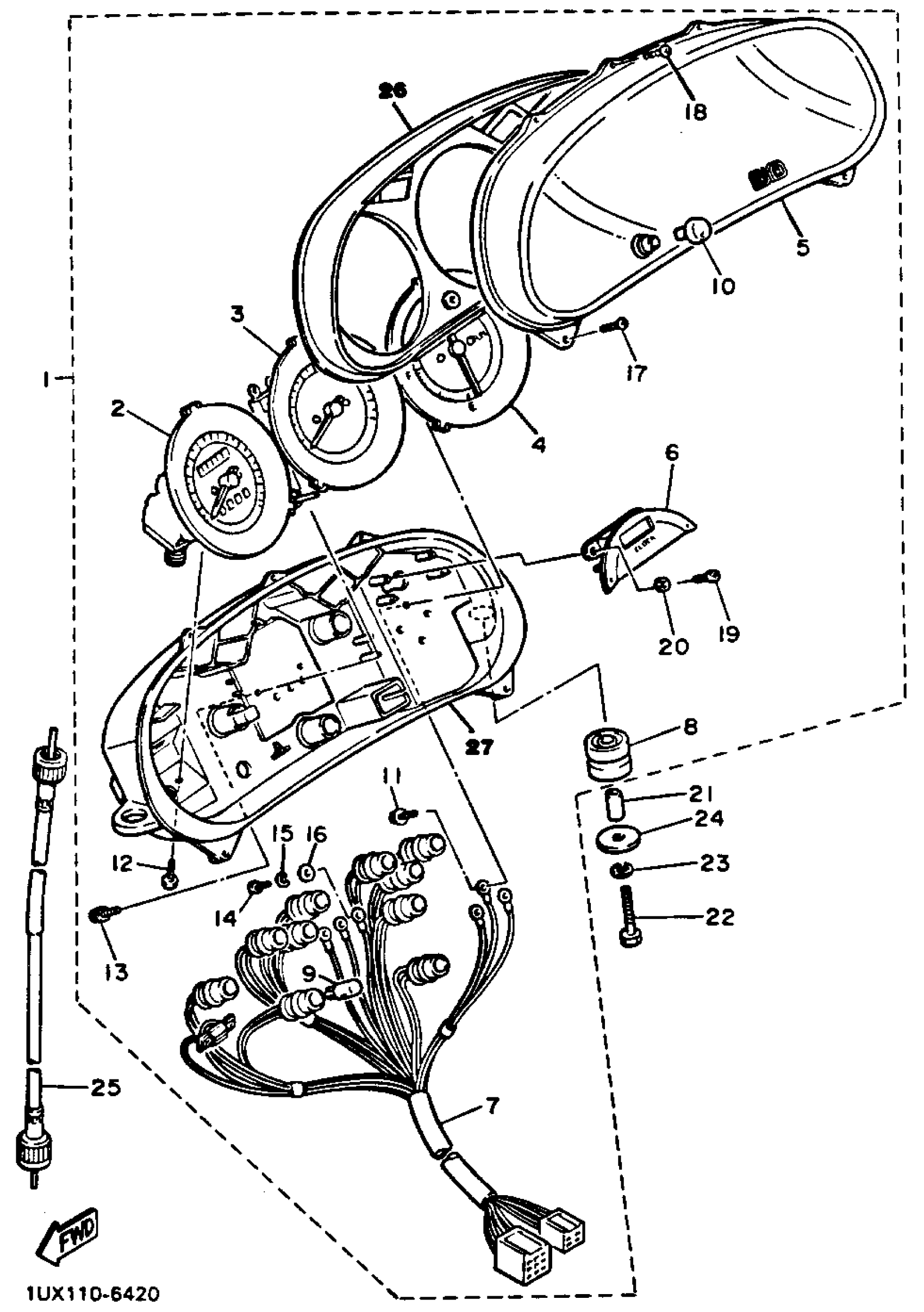
Yamaha FJ1200SC (FJ1200 CA) 1986 METER Diagram
#
Description
Price
1
SPEEDOMETER ASSEMBLY
1WJ-83500-A0-00
Unavailable
2
SPEEDOMETER ASY
1TX-83570-G0-00
Unavailable
3
. TACHOMETER ASSEMBLY
1TX-83540-00-00
Unavailable
4
. FUEL METER ASSEMBLY
1TX-85750-00-00
Unavailable
5
LENS, SPEEDOMETER
1TX-83511-00-00
Unavailable
6
DIGITAL CLOCK ASSY
1TX-83740-01-00
Unavailable
7
. SOCKET CORD ASSEMBLY
1TX-83509-00-00
Unavailable
8
DAMPER
36Y-83523-00-00
Unavailable
9
BULB, MTR.12V3.4W
4G1-84744-00-XX
Unavailable
10
KNOB, TRIP METER
29L-83578-00-00
Unavailable
11
SCREW, WITH WASHER(36Y)
90159-03102-00
Unavailable
12
SCREW, PAN HEAD (31A)
90167-04021-00
Unavailable
13
. SCREW, WITH WASHER
90159-04114-00
Unavailable
16
WASHER(3SX)
92907-03600-00
Unavailable
17
SCREW, TAPPING
90164-04005-00
Unavailable
18
YBS83-320 SCREW,PANH.TAPPING
97780-30120-00
Unavailable
19
SCREW, TAPPING
4H7-83616-00-00
Unavailable
20
. WASHER, SPECIAL
1TX-83524-00-00
Unavailable
21
COLLAR(36Y)
90387-060J4-00
Unavailable
22
BOLT, HEXAGON
97017-06030-00
Unavailable
23
WASHER, SPRING
92995-06100-00
Unavailable
24
WASHER, PLATE
90201-06086-00
Unavailable
25
SPEEDOMETER CABLE ASSY
16M-83550-01-00
Unavailable
26
COVER, METER PANEL
4KM-83612-20-00
Unavailable
27
CASE, INNER
1XJ-8353H-00-00
Unavailable
