- Partiron
- OEM Parts
- Yamaha
- motorcycle
- 1986
- FJ1200SC (FJ1200 CA) 1986
CYLINDER HEAD
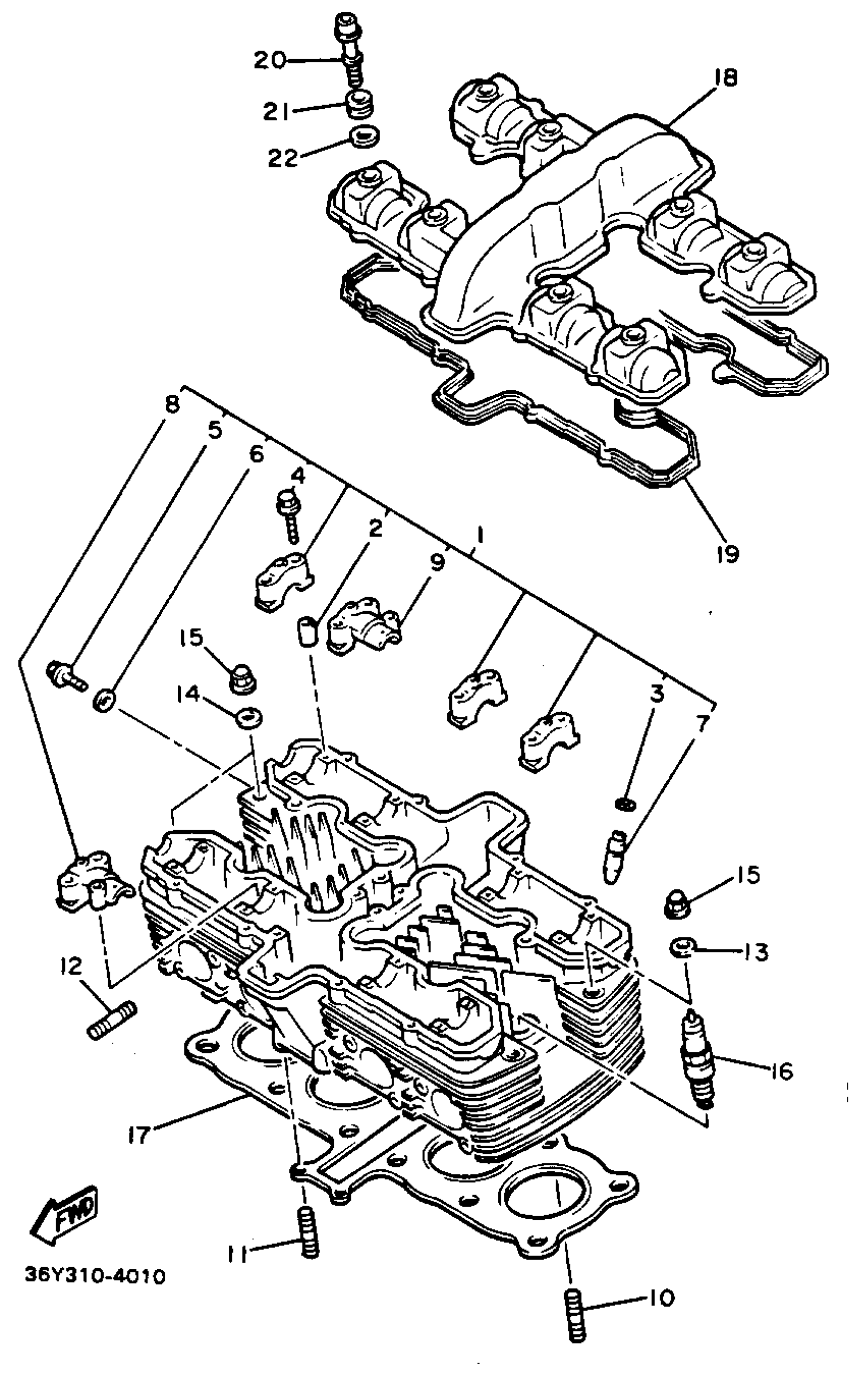
Yamaha FJ1200SC (FJ1200 CA) 1986 CYLINDER HEAD Diagram
#
Description
Price
1
CYLINDER HEAD ASSY
36Y-11101-05-00
Unavailable
6
GASKET 256113960000
90430-06014-00
Unavailable
8
CAP, CAMSHAFT 3
36Y-12193-10-00
Unavailable
9
CAP, CAMSHAFT 4
36Y-12178-10-00
Unavailable
15
NUT, CROWN
90176-10053-00
Unavailable
16
DP8EA9 NGK SPLUG 10PK
DP8-EA900-00-00
Unavailable
17
GASKET, CYLINDER HEAD 1
1TX-11181-10-00
Unavailable
18
COVER, CYLINDER.HEAD 1
36Y-11191-01-00
Unavailable
19
GASKET, HEAD COVER 1
5WM-11193-00-00
Unavailable
20
BOLT(3TJ)
90109-064F0-00
Unavailable
21
RUBBER, MOUNT 1
2GH-1111G-00-00
Unavailable
22
WASHER(46X)
90209-11262-00
Unavailable
