- Partiron
- OEM Parts
- Yamaha
- motorcycle
- 1986
- FJ1200SC (FJ1200 CA) 1986
CAMSHAFT CHAIN
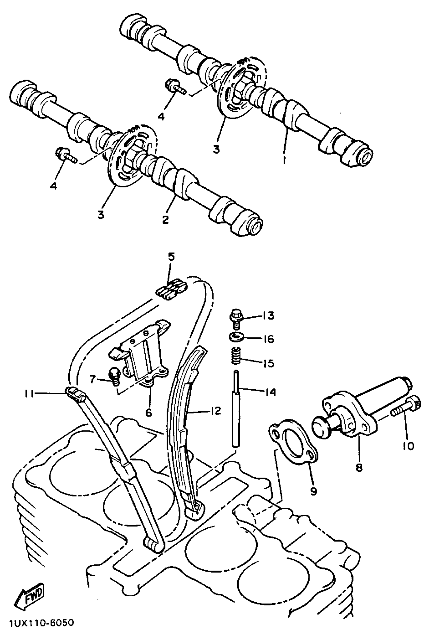
Yamaha FJ1200SC (FJ1200 CA) 1986 CAMSHAFT CHAIN Diagram
#
Description
Price
1
CAMSHAFT 1
5EA-12171-00-00
Unavailable
3
SPROCKET, CAM CHAIN
36Y-12176-00-00
Unavailable
5
CHAIN. CAM (36Y)
94591-05156-00
Unavailable
6
GUIDE, STOPPER 2
5EA-12241-00-00
Unavailable
7
BOLT, WASHER BASED(1TX)
90105-06424-00
Unavailable
8
TENSIONER KIT,CAMCHAIN 1TX-00
99999-02899-00
Unavailable
11
DAMPER, CHAIN 1
36Y-12251-00-00
Unavailable
12
DAMPER, CHAIN 2
36Y-12252-03-00
Unavailable
13
PLUG, STRAIGHT SCREW(36Y)
90340-10108-00
Unavailable
14
PIN (36Y)
90249-04184-00
Unavailable
16
WASHER, PLATE(481)
90201-10118-00
Unavailable
