- Partiron
- OEM Parts
- Yamaha
- motorcycle
- 1984
- FJ1100LC (FJ1100 CA) 1984
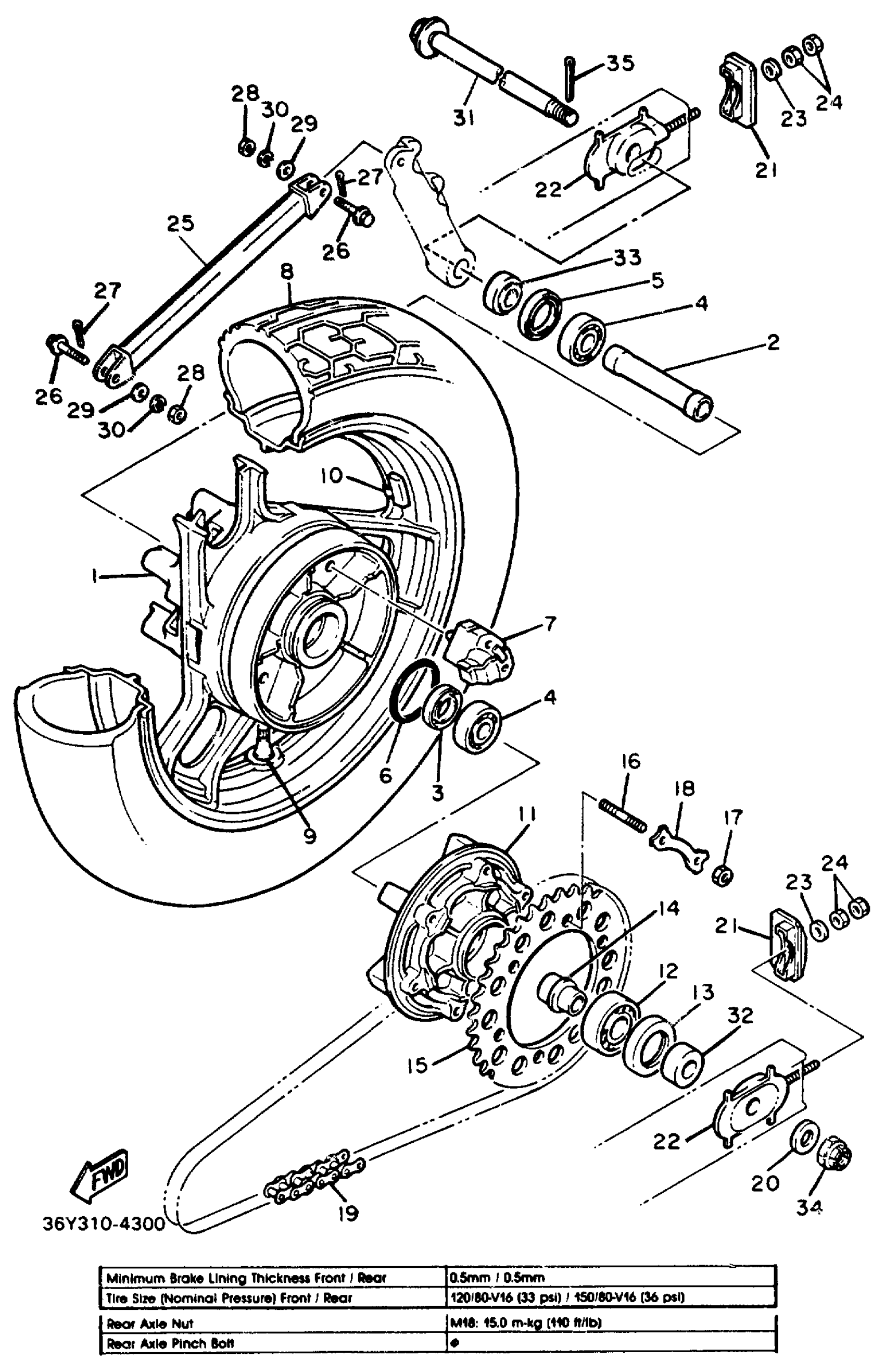
REAR WHEEL
Yamaha FJ1100LC (FJ1100 CA) 1984 REAR WHEEL Diagram
#
1
WHEEL, CAST REAR
36Y-25338-01-98
Unavailable
2
SPACER
90560-20254-00
Unavailable
8
150/80V16 TL BS
94115-162N3-00
Unavailable
10
BALANCER, WHEEL
5MT-25398-20-00
Unavailable
11
CLUTCH, HUB
36Y-25366-01-00
Unavailable
12
BRG,R-B 6305ZZ 62MM 232G (6A5)
93306-305U0-00
Unavailable
14
COLLAR, WHEEL
36Y-25377-00-00
Unavailable
15
SPROCKET, DRVN 42T
36Y-25442-20-00
Unavailable
16
BOLT, STUD
90116-10449-00
Unavailable
17
NUT, FLANGE(3BM)
95704-10500-00
Unavailable
18
WASHER
36Y-25412-00-00
Unavailable
19
CHAIN
94581-78110-00
Unavailable
20
WASHER, PLATE (5K7)
90201-18264-00
Unavailable
21
PULLER, CHAIN 2
36Y-25389-00-00
Unavailable
22
PULLER, CHAIN 1
36Y-25388-01-00
Unavailable
23
WASHER, PLAIN
92990-08200-00
Unavailable
24
NUT(6L2)
95333-08600-00
Unavailable
25
BAR, TENSION
36Y-25371-00-00
Unavailable
26
BOLT, WASHER BASED
90105-08315-00
Unavailable
27
PIN, COTTER
91490-20025-00
Unavailable
28
. NUT
95380-08700-00
Unavailable
29
.. WASHER, PLATE
92990-08600-00
Unavailable
30
YBS67-8 WASHER, SPRING
92990-08100-00
Unavailable
31
AXLE, WHEEL
36Y-25381-00-00
Unavailable
32
COLLAR
90387-203U4-00
Unavailable
33
COLLAR (26H)
90387-200J2-00
Unavailable
34
NUT, CASTLE
90171-18043-00
Unavailable
35
PIN, COTTER
91490-40045-00
Unavailable
