Partiron

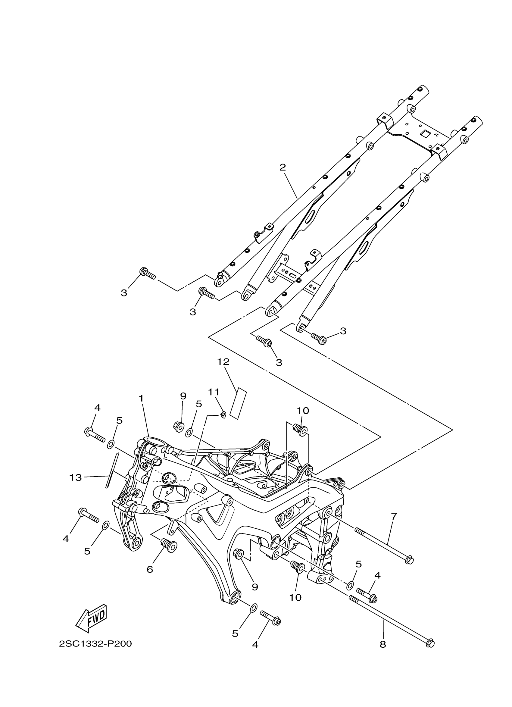
Yamaha FJ09FR (FJ09) 2SC50 2015 FRAME Diagram

#

Description
Price

1

FRAME COMP.

1RC-21110-80-00

Unavailable

2

REAR FRAME COMP.

2PP-21190-00-00

Unavailable

3

SCREW

90149-10060-00

$7.49

4

BOLT, HEXAGON SOCKET HEAD

90110-10043-00

$4.41

5

WASHER, PLATE

90201-10075-00

$3.28

6

BOLT, ENGINE ADJUSTING

1RC-21495-00-00

Unavailable

7

BOLT, FLANGE

90105-10391-00

Unavailable

8

BOLT, FLANGE

90105-10437-00

Unavailable

9

NUT

90179-10024-00

$10.49

10

BOLT, ENGINE ADJUSTING

4C8-21495-00-00

Unavailable

11

PLUG, BLIND

5VX-21289-00-00

$6.99

12

DAMPER

1HP-H2176-01-00

$2.17

13

PROTECTOR

1RC-2117G-00-00

$5.49