#
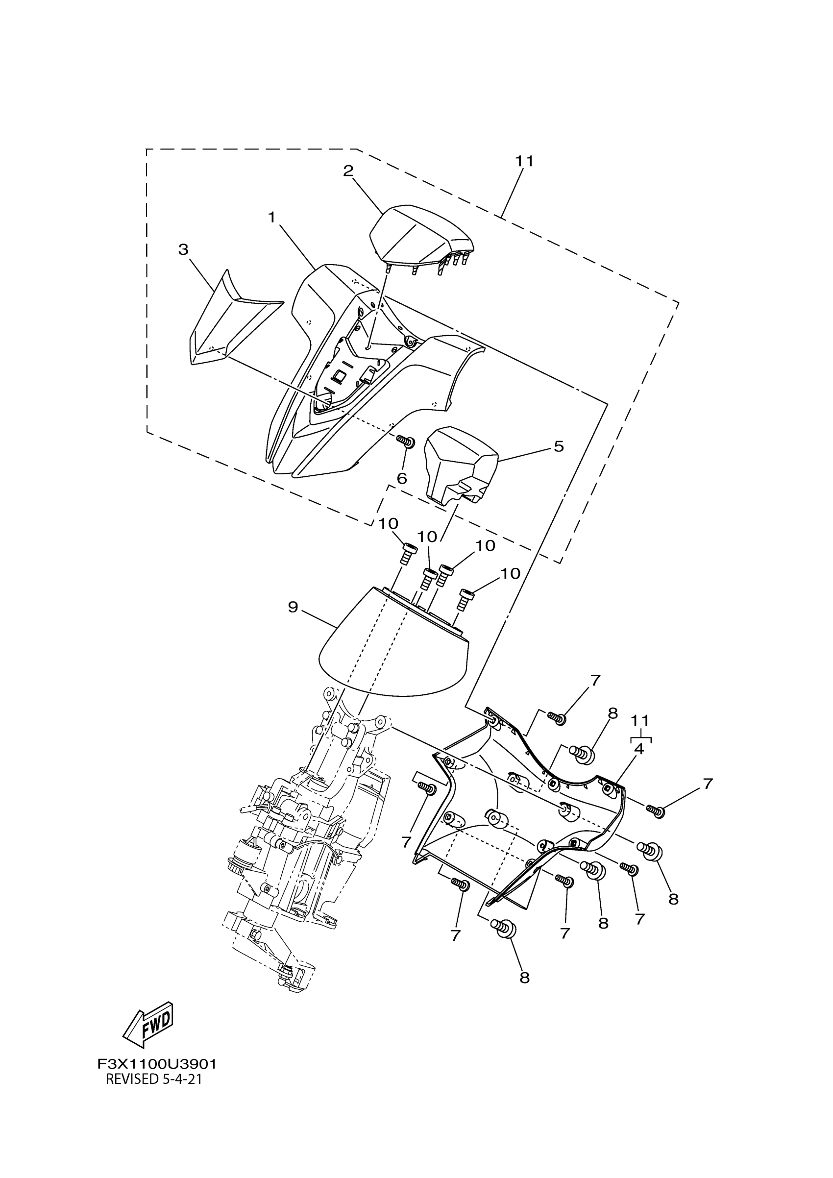
1
F3X-U143D-00-00
Unavailable
2
F3X-U142D-00-00
Unavailable
3
F3X-U142M-50-00
Unavailable
4
F3X-U143E-00-00
Unavailable
5
F3X-U142E-00-00
Unavailable
6
F2S-U13C1-00-00
Unavailable
7
F2S-U13C1-00-00
Unavailable
8
F3Y-U2624-09-00
Unavailable
9
F2S-U143L-01-00
Unavailable
10
90154-06030-00
Unavailable
Edit ride
