Partiron

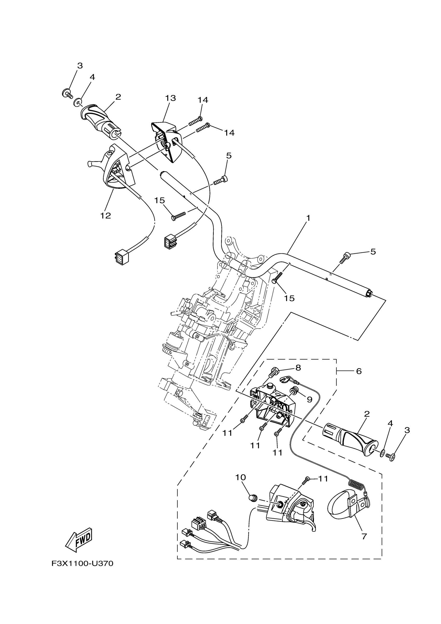
Yamaha FB1800W (FX HO) F3V6 2021 STEERING 1 Diagram

#

Description
Price

1

HANDLE

F3J-U1552-00-00

Unavailable

2

GRIP,HANDLE

F2S-U155D-03-00

Unavailable

3

BOLT, HEXAGON SOCKET HEAD

90110-06383-00

Unavailable

4

WASHER, PLATE

90201-068G0-00

Unavailable

5

BOLT

F2S-U1516-00-00

Unavailable

6

SWITCH BOX ASSY

F3X-68310-03-00

Unavailable

7

. LANYARD, STOP SWITCH

EW2-68348-00-00

Unavailable

8

BOLT, THROTTLE

6CS-6725F-00-00

Unavailable

9

. STOP BUTTON COMP

FK7-68312-02-00

Unavailable

10

. START BUTTON COMP

FK7-68313-02-00

Unavailable

11

. SCREW, TAPPING

97780-30610-00

Unavailable

12

THROTTLE LEVER COMP

6CS-14305-13-00

Unavailable

13

SWITCH ASSY

F3X-81860-00-00

Unavailable

14

BOLT, THROTTLE

6CS-6725F-00-00

Unavailable

15

BOLT

91380-04030-00

Unavailable