- Partiron
- OEM Parts
- Yamaha
- waverunner
- 2014
- FB1800AN (FX CRUISER HO) F2T9 2014
ELECTRICAL 1
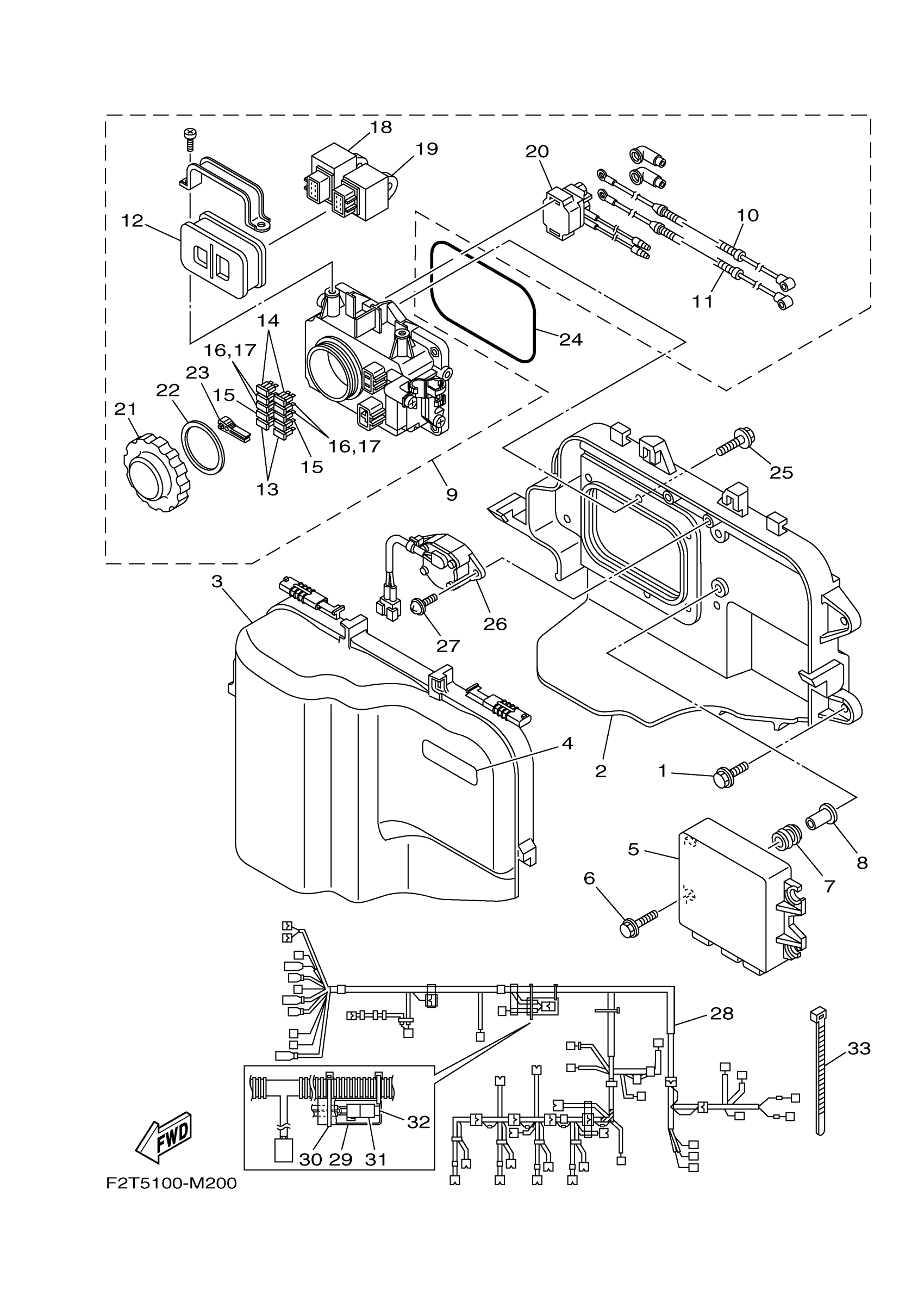
Yamaha FB1800AN (FX CRUISER HO) F2T9 2014 ELECTRICAL 1 Diagram
#
1
BOLT, WITH WASHER
90119-089UT-00
Unavailable
2
PLATE
6BH-81845-01-00
Unavailable
3
COVER
6S5-81942-11-00
Unavailable
4
LABEL, CAUTION 7
60E-83627-00-00
Unavailable
5
ENGINE CONTROL UNIT ASSY
6CR-8591A-10-00
Unavailable
6
BOLT, WITH WASHER
90119-06311-00
Unavailable
7
DAMPER, IGNITION C
6A0-82317-01-00
Unavailable
8
. COLLAR
90387-06119-00
Unavailable
9
FUSE BOX ASSY
6BH-82170-00-00
Unavailable
10
. WIRE, PLUS LEAD
6S5-82115-00-00
Unavailable
11
. WIRE, LEAD
6S5-82117-00-00
Unavailable
12
. DAMPER
6D3-82157-00-00
Unavailable
15
. FUSE (3A)
67F-82151-30-00
Unavailable
16
. FUSE (10A)
67F-82151-40-00
Unavailable
17
. FUSE (10A)
67F-82151-40-00
Unavailable
18
RELAY ASSY
60E-81950-00-00
Unavailable
19
. RELAY ASSY
68V-81950-00-00
Unavailable
20
. STARTER RELAY ASSY
6B6-81940-00-00
Unavailable
21
. CAP
66V-8132W-00-00
Unavailable
22
. GASKET
66V-81844-00-00
Unavailable
23
. PULLER, FUSE
67F-2812A-00-00
Unavailable
24
O-RING
6BH-81847-00-00
Unavailable
25
BOLT, WITH WASHER
90119-06091-00
Unavailable
26
SWITCH ASSY
6S5-8259E-00-00
Unavailable
27
SCREW, TAPPING
97780-60520-00
Unavailable
28
WIRE HARNESS ASSY 1
6CR-8259L-10-00
Unavailable
29
COVER, CONNECTER
4B5-82599-00-00
Unavailable
30
CLAMP
90465-13M18-00
Unavailable
31
. FUSE (3A)
67F-82151-30-00
Unavailable
32
. CAP (BLACK)
67F-8215B-00-00
Unavailable
33
CLAMP
90465-14M66-00
Unavailable
